LEMON Manuals: Even more car manuals for everyone: 1960-2025
Home >> Subaru >> 2004 >> Forester X, Standard >> Repair and Diagnosis >> Engine Performance >> System >> Engine (Diagnostics) (H4SO) >> Diagnostic Procedure with Diagnostic Trouble Code (DTC) >> DTC P0604: Internal Control Module Random Access Memory (Ram) Error >> Wiring Diagram:
April 5, 2026: LEMON Manuals is launched! Read the announcement.

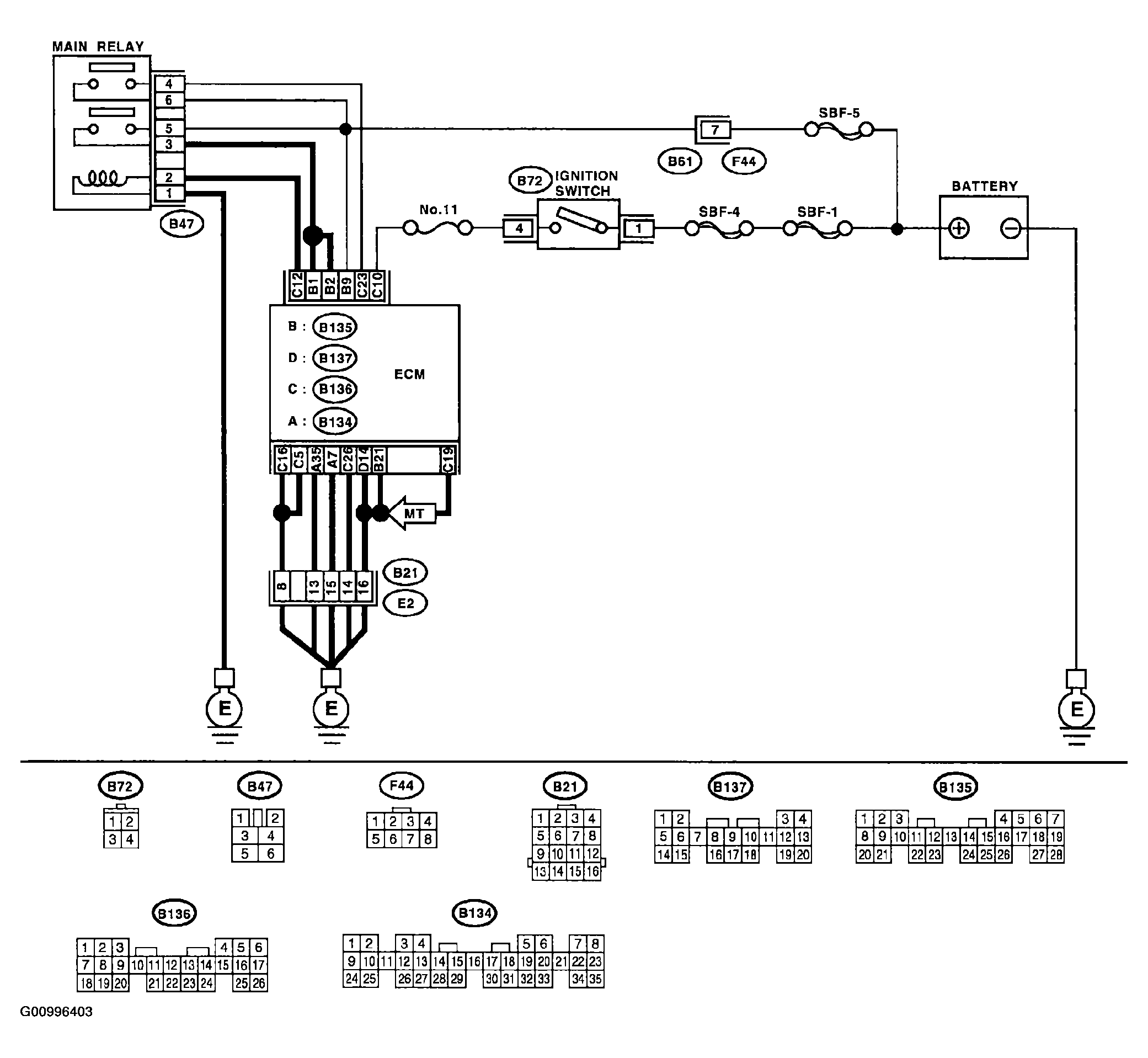
Wiring Diagram:

Fig 1: DTC P0604 - Internal Control Module Random Access Memory (RAM) Error Wiring Diagram
G00996403Courtesy of SUBARU OF AMERICA, INC.