LEMON Manuals: Even more car manuals for everyone: 1960-2025
Home >> Subaru >> 2004 >> Forester XT, Standard >> Repair and Diagnosis (Single Page) >> Engine Performance >> System >> Diagnostic Trouble Code (DTC) Detecting Criteria (H4DOTC) >> Diagnostic Trouble Code (DTC) Detecting Criteria >> DTC P0123: Throttle/Pedal Position Sensor/Switch "A" Circuit High Input
April 5, 2026: LEMON Manuals is launched! Read the announcement.

DTC P0123: Throttle/Pedal Position Sensor/Switch "A" Circuit High Input

  1. OUTLINE OF DIAGNOSIS 

    Detect the open or short circuit of throttle position sensor 1.

    Judge NG when out of the standard value.

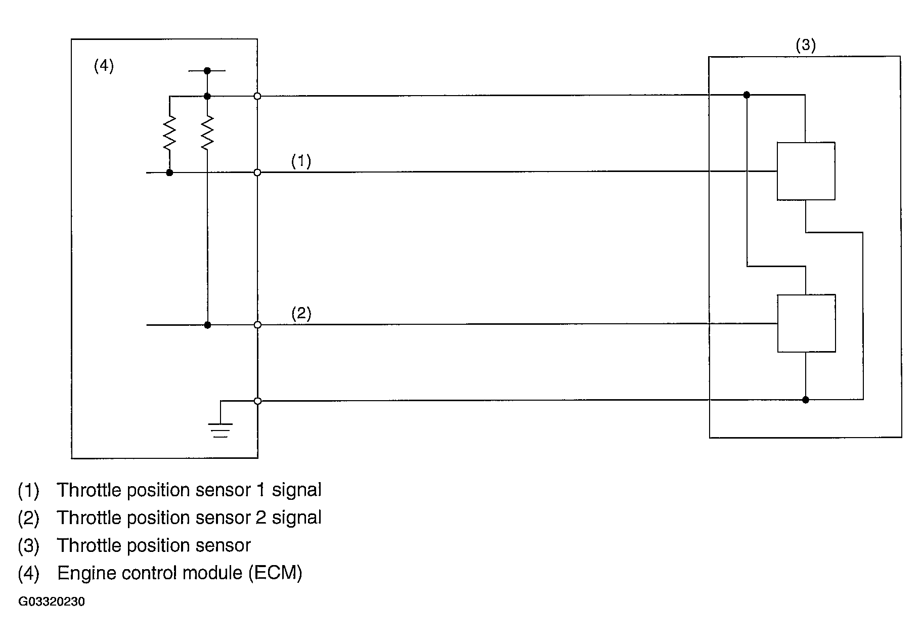
  2. COMPONENT DESCRIPTION 
    Fig 1: Throttle/Pedal Position Sensor/Switch Circuit Diagram (High Input)
    G03320230Courtesy of SUBARU OF AMERICA, INC.
  3. ENABLE CONDITION 
    ENABLE CONDITION CHART

    Secondary Parameters Enable Conditions
    Ignition switch ON
  4. GENERAL DRIVING CYCLE 

    Always perform the diagnosis continuously.

  5. DIAGNOSTIC METHOD 

    Judge OK and clear the NG when the malfunction criteria below are completed.

    Judgment Value 

    JUDGMENT VALUE CHART

    Malfunction Criteria Threshold Value
    Sensor 1 input voltage "GREATER THAN EQUAL TO" 4.646 V

    Time Needed for Diagnosis:  24 milliseconds

    Malfunction Indicator Light Illumination:  Illuminates as soon as malfunction occurs.

  6. DTC CLEAR CONDITION 
    • When the OK idling cycle was completed 40 times in a row
    • When "Clear Memory" was performed (Only engine stop)
  7. MALFUNCTION INDICATOR LIGHT CLEAR CONDITION 
    • When the OK driving cycle was completed 3 times in a row
    • When "Clear Memory" was performed (Only engine stop)
  8. FAIL SAFE 

    Stop power distribution to electric control throttle motor. (Throttle opening is fixed to 6°.)

  9. ECM OPERATION AT DTC SETTING 

    Memorize the freeze frame data. (For test mode $02)