LEMON Manuals: Even more car manuals for everyone: 1960-2025
Home >> Subaru >> 2004 >> Forester XT, Standard >> Repair and Diagnosis (Single Page) >> Engine Performance >> Testing & Diagnosis >> Diagnostic Trouble Code (DTC) Detecting Criteria (H4DOTC) >> Diagnostic Trouble Code (DTC) Detecting Criteria >> DTC P0607: Control Module Performance
April 5, 2026: LEMON Manuals is launched! Read the announcement.

DTC P0607: Control Module Performance

  1. OUTLINE OF DIAGNOSIS 

    Judge NG when either the following is completed.

    • When the read value of throttle position sensor 1 signal is mismatched between main CPU and sub CPU.
    • When the read value of accelerator position sensor 1 signal is mismatched between main CPU and sub CPU.
    • When the sub CPU operates abnormally.
    • When the communication between mina CPU and sub CPU is abnormal.
    • When the input amplifier circuit of throttle position sensor 1 is abnormal.
    • When the cruise control cannot be canceled correctly.
    • When the signal of brake SW1 and 2 is mismatched.
    • When the directed angle from main CPU is abnormal.
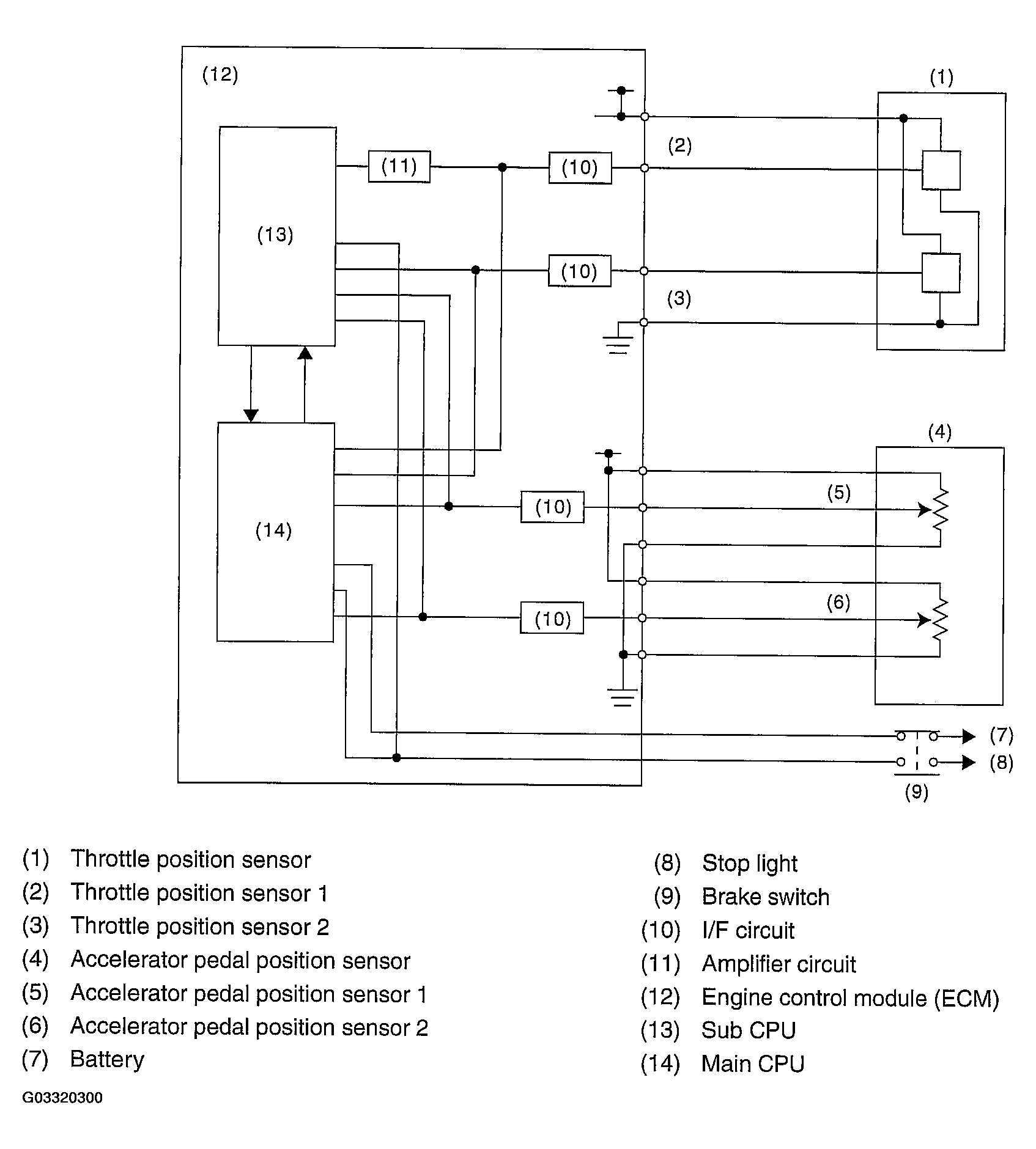
  2. COMPONENT DESCRIPTION 
    Fig 1: DTC P0607 - Control Module Performance - Component Description
    G03320300Courtesy of SUBARU OF AMERICA, INC.
  3. ENABLE CONDITION 
    ENABLE CONDITION CHART

    Secondary Parameters Enable Conditions
    (1) Ignition switch ON
    (2) Ignition switch ON
    (3) None -
    (4) None -
    (5) Throttle opening angle  
    (6) Brake SW (with cruise control) ON
    (7) None -
    (8) Cruise control OFF
  4. GENERAL DRIVING CYCLE 
    1. (1) - (4): Always perform the diagnosis continuously.
    2. (5): Always perform the diagnosis continuously on idling.
    3. (6): Perform the diagnosis when the brake pedal is depressed.
    4. (7): Always perform the diagnosis continuously.
    5. (8): Always perform the diagnosis continuously when the cruise control pedal is not operating.
  5. DIAGNOSTIC METHOD 

    Judge OK and clear NG when the malfunction criteria below are completed.

    Judgment Value 

    JUDGMENT VALUE CHART

    Malfunction Criteria Threshold Value
    1. Difference of CPU on reading value of throttle position sensor signal
    2. Difference of CPU on reading value of accelerator position sensor signal
    3. WD pulse from sub CPU
    4. Communication between CPU
    5. Difference of signal on connection of amplifier
    6. Cruise control cancel signal at brake ON
    7. Brake switch 1, 2 signal
    8. Throttle opening angle directing value
    Within 0.12 V
    Within 0.07 V
    WD pulse occur
    Possible to communicate
    Within x 4+/-0.6 V
    Cruise control cancel signal ON
    SW 1 and 2 are matched
    Within the opening angle +3.4° which calculated from accelerator opening angle coefficient.

    Time Needed for Diagnosis: 

    1. 250 milliseconds
    2. 250 milliseconds
    3. 200 milliseconds
    4. 200 milliseconds
    5. 24 milliseconds
    6. 250 milliseconds
    7. 200 milliseconds
    8. 250 milliseconds

    Malfunction Indicator Light Illumination:  Illuminates as soon as malfunction occurs.

  6. DTC CLEAR CONDITION 
    • When the OK idling cycle was completed 40 times in a row
    • When "Clear Memory" was performed
  7. MALFUNCTION INDICATOR LIGHT CLEAR CONDITION 
    • When the OK driving cycle was completed 3 times in a row
    • When "Clear Memory" was performed
  8. FAIL SAFE 

    Stop the current to electric control throttle motor. (Fix the throttle opening angle to 6°.)

  9. ECM OPERATION AT DTC SETTING 

    Memorize the freeze frame data. (For test mode $02)