LEMON Manuals: Even more car manuals for everyone: 1960-2025
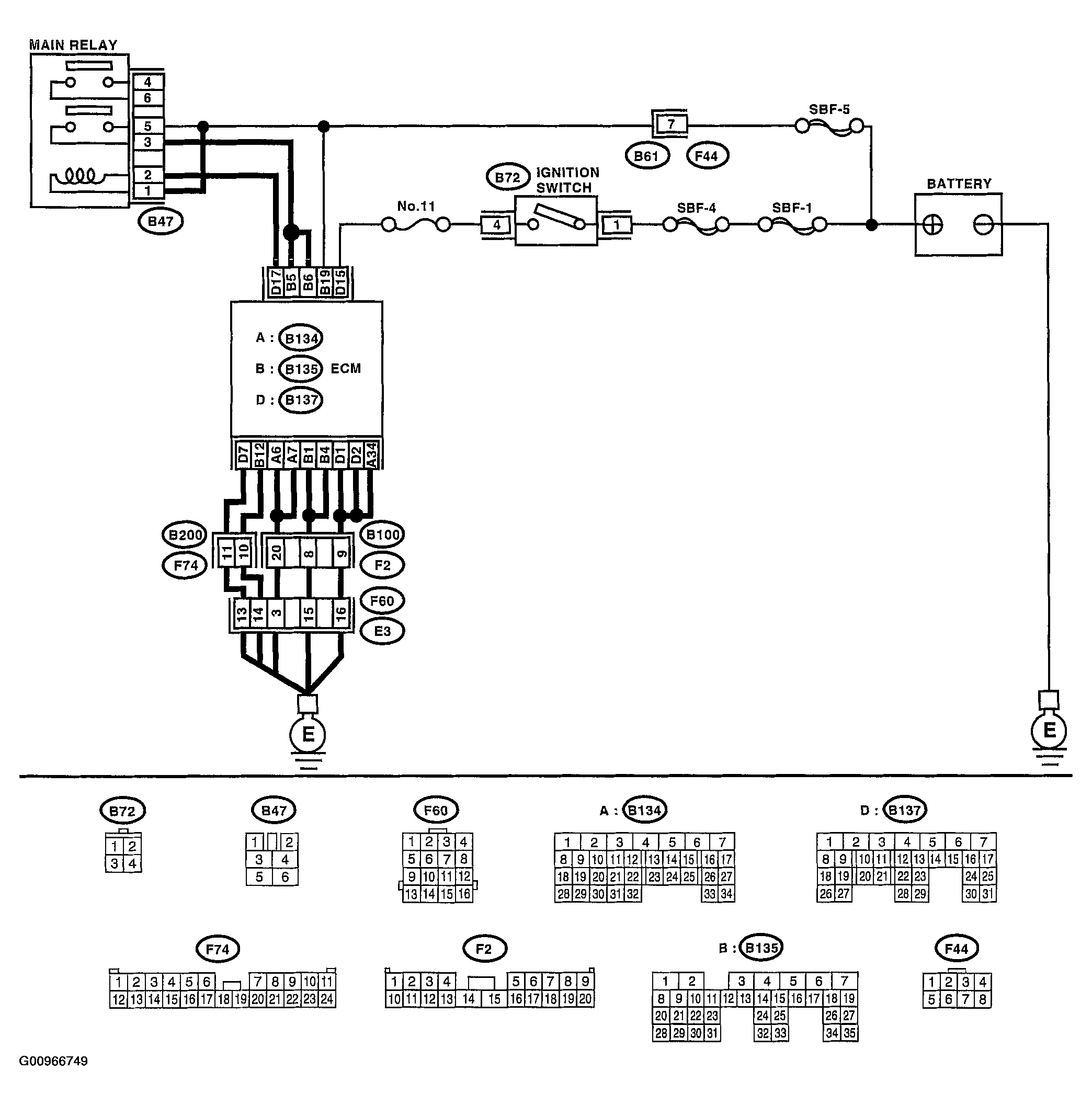
Home >> Subaru >> 2004 >> Forester XT, Standard >> Repair and Diagnosis (Single Page) >> Engine Performance >> Testing & Diagnosis >> Engine (Diagnostics) (H4DOTC) >> Diagnostic Procedure with Diagnostic Trouble Code (DTC) >> DTC P0604: Internal Control Module Random Access Memory (Ram) Error >> Wiring Diagram:
April 5, 2026: LEMON Manuals is launched! Read the announcement.

Wiring Diagram:

Fig 1: Internal Control Module Random Access Memory (Ram) Error Wiring Diagram
G00966749Courtesy of SUBARU OF AMERICA, INC.