LEMON Manuals: Even more car manuals for everyone: 1960-2025
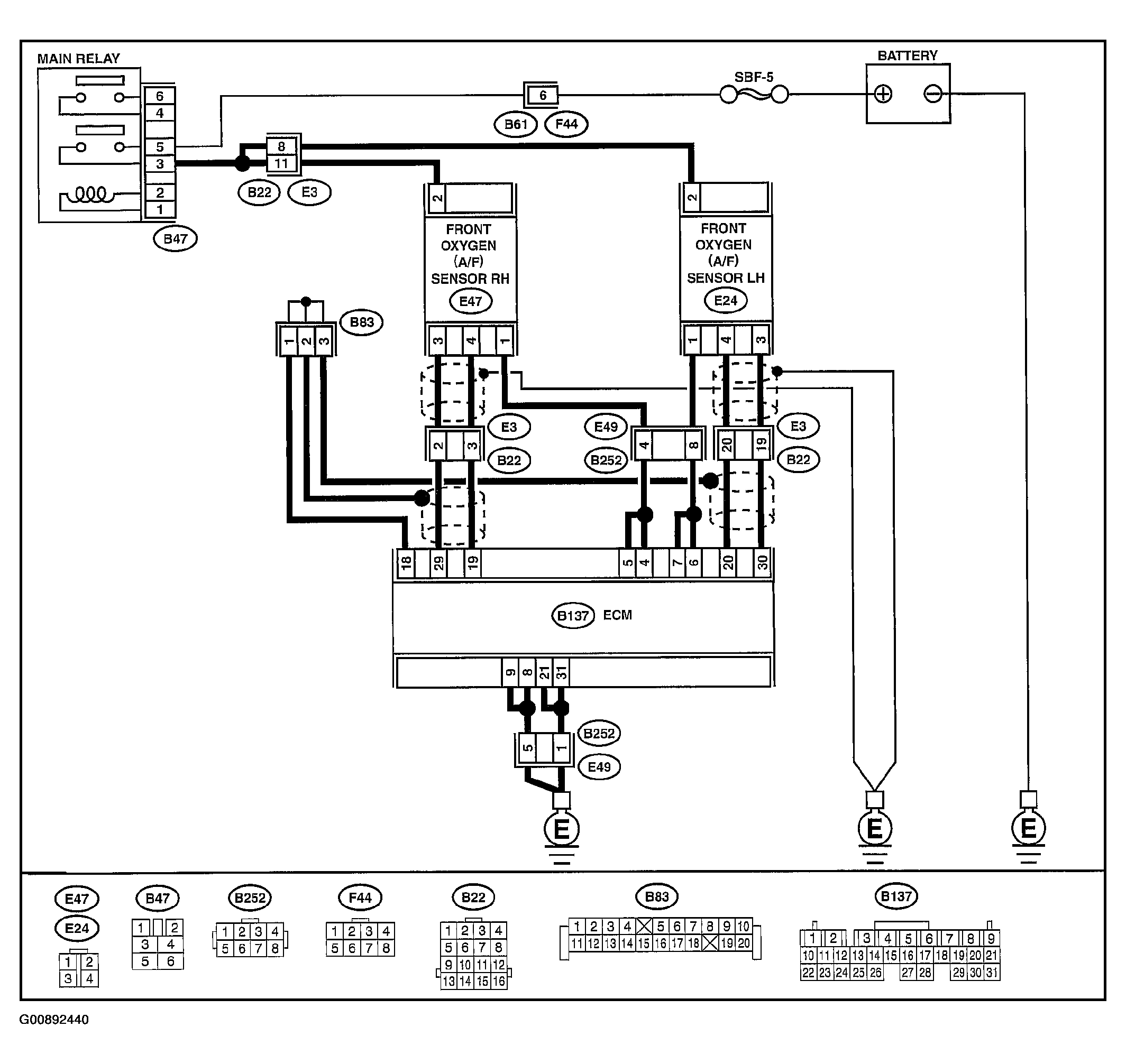
Home >> Subaru >> 2004 >> Outback Base, 4D Sedan >> Repair and Diagnosis >> Engine Performance >> System >> Engine (Diagnostics) (H6DO) >> Diagnostic Procedure with Diagnostic Trouble Code (DTC) >> DTC P0150: O2 Sensor Circuit (Bank 2 Sensor 1) >> Wiring Diagram
April 5, 2026: LEMON Manuals is launched! Read the announcement.

DTC P0150: O2 Sensor Circuit (Bank 2 Sensor 1): Wiring Diagram

Fig 1: O2 Sensor Circuit Wiring Diagram
G00892440Courtesy of SUBARU OF AMERICA, INC.