LEMON Manuals: Even more car manuals for everyone: 1960-2025
Home >> Subaru >> 2005 >> Baja Base, Automatic >> Repair and Diagnosis (Single Page) >> Engine Performance >> System >> Diagnostic Trouble Code (DTC) Detecting Criteria (H4SO) >> Diagnostic Trouble Code (DTC) Detecting Criteria >> DTC P1510 - ISC Solenoid Valve Signal #1 Circuit Malfunction (Low Input) - >> Component Description
April 5, 2026: LEMON Manuals is launched! Read the announcement.

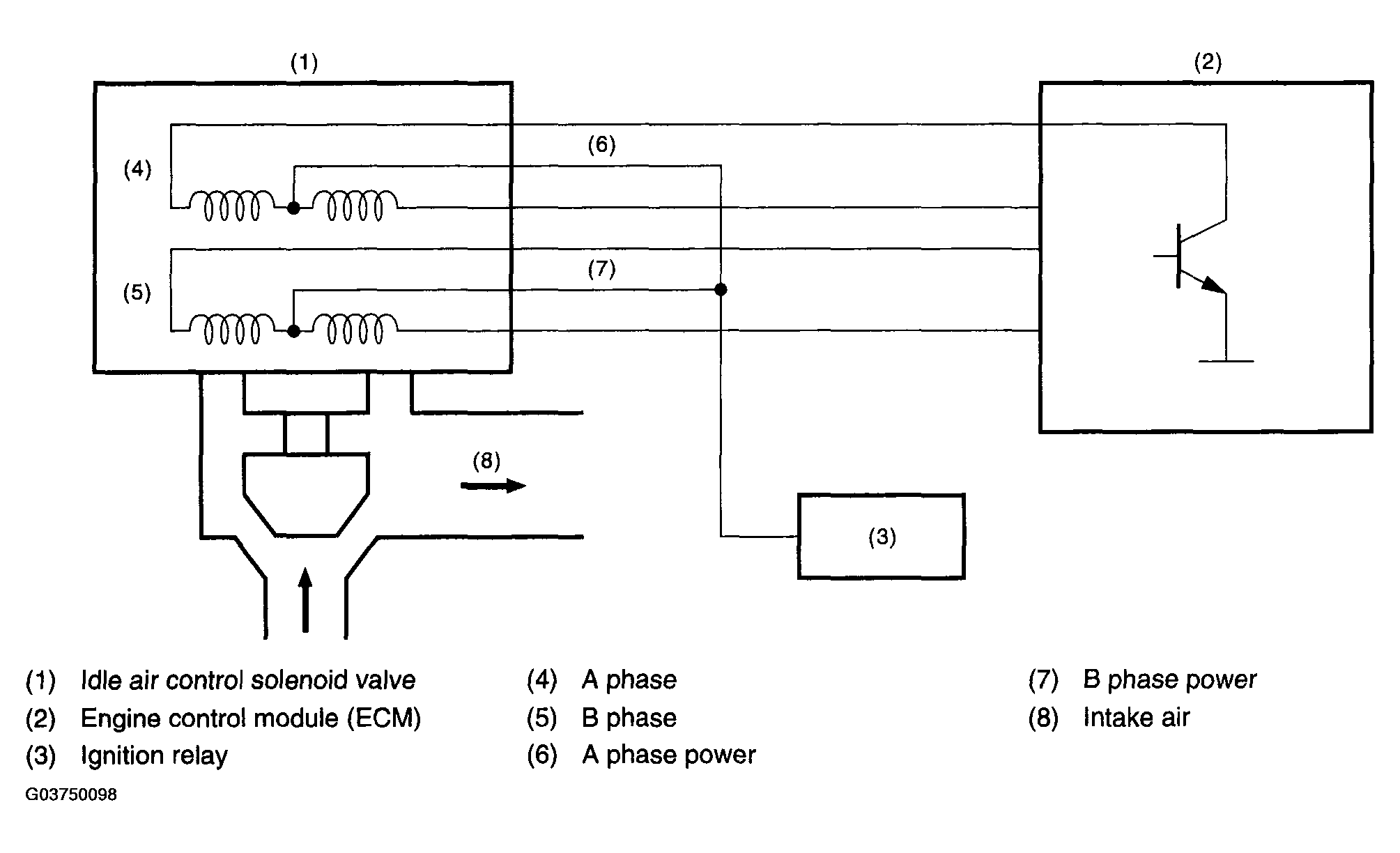
Component Description

Fig 1: DTC P1510 - ISC Solenoid Valve Signal #1 Circuit Component Description - Low Input
G03750098Courtesy of SUBARU OF AMERICA, INC.