LEMON Manuals: Even more car manuals for everyone: 1960-2025
Home >> Subaru >> 2005 >> Baja Base, Automatic >> Repair and Diagnosis >> Engine Performance >> System >> Engine Controls - Engine (Diagnostics) (H4SO) >> Diagnostic Procedure with Diagnostic Trouble Code (DTC) >> DTC P0130 - O2 Sensor Circuit (Bank 1 Sensor 1) - >> Wiring Diagram:
April 5, 2026: LEMON Manuals is launched! Read the announcement.

Wiring Diagram:

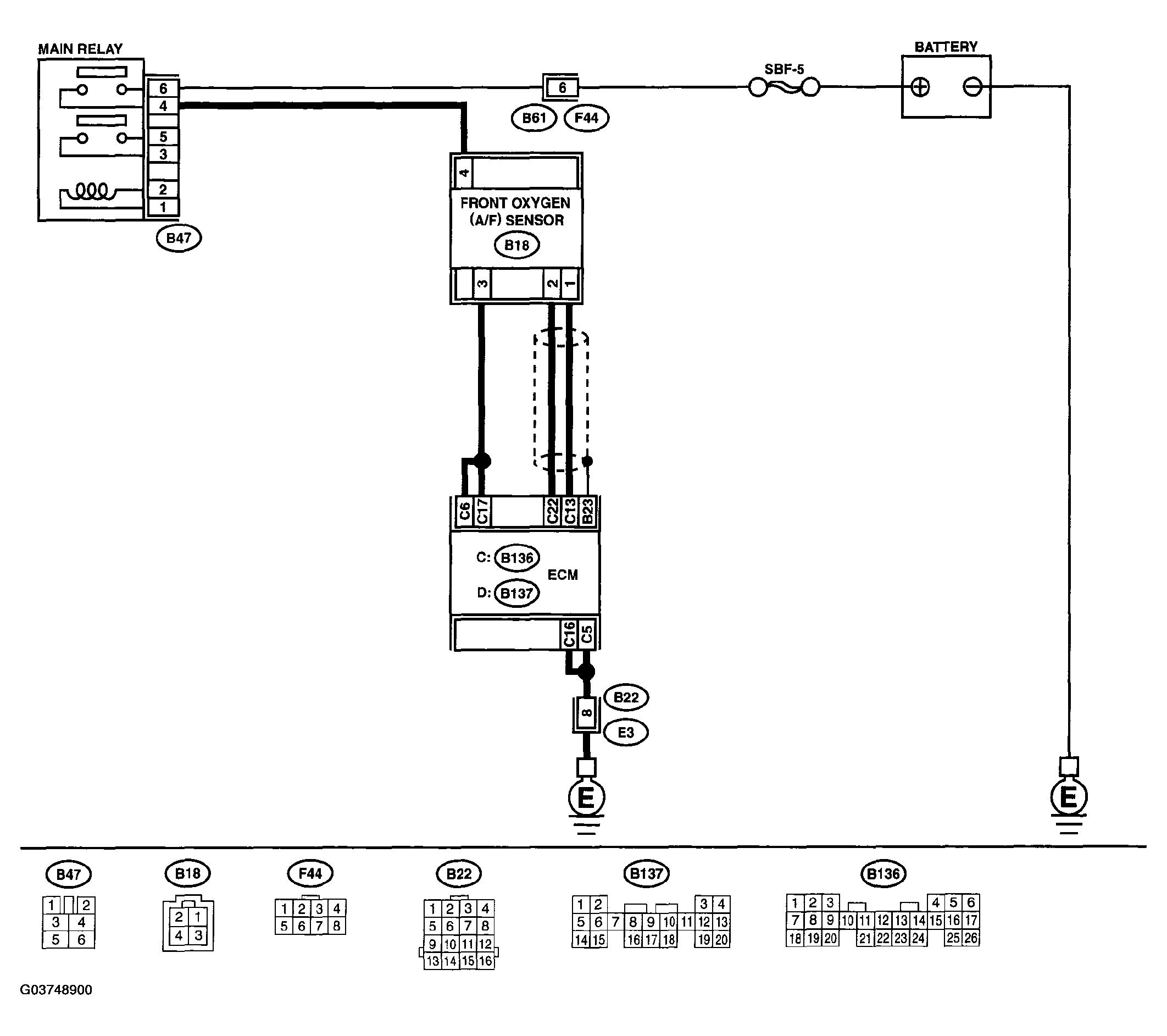
Fig 1: DTC P0130 - O2 SENSOR CIRCUIT (BANK 1 SENSOR 1) -
G03748900Courtesy of SUBARU OF AMERICA, INC.
DIAGNOSTIC STEPS DTC P0130

Step Check Yes No
1. CHECK ANY OTHER DTC ON DISPLAY.  Is any other DTC displayed? Inspect the relevant DTC using LIST OF DIAGNOSTIC TROUBLE CODE (DTC) . Go to step 2. 
2. CHECK FRONT OXYGEN (A/F) SENSOR DATA. 
  1. Start engine.
  2. While observing the Subaru Select Monitor or OBD-II general scan tool screen, warm-up the engine until coolant temperature is above 70°C (158°F).

    If the engine is already warmed-up, operate at idle speed for at least 1 minute.

  3. Read data of front oxygen (A/F) sensor signal using Subaru Select Monitor or OBD-II general scan tool.
NOTE:
  • Subaru Select Monitor

    For detailed operation procedure, refer to the "READ CURRENT DATA FOR ENGINE".

    < Ref. to , SUBARU SELECT MONITOR . >

  • OBD-II general scan tool

    For detailed operation procedures, refer to the OBD-II General Scan Tool Instruction Manual.

Is the measured value within 0.85 to 1.15 V? Go to step 3.  Go to step 4. 
3. CHECK FRONT OXYGEN (A/F) SENSOR DATA. 
  1. Race engine at speeds from idling to 5,000 RPM for a total of 5 cycles.
  2. Read data of front oxygen (A/F) sensor signal during racing using Subaru Select Monitor or OBD-II general scan tool.
NOTE:
  • Normally, A/F mixture ratio is rich with racing engine.
  • To increase engine speed to 5,000 RPM, slowly depress accelerator pedal, taking approximately 5 seconds, and quickly release accelerator pedal to decrease engine speed.
Is the measured value more than 1.1 V? Go to step 6.  Go to step 4. 
4. CHECK HARNESS BETWEEN ECM AND FRONT OXYGEN (A/F) SENSOR. 
  1. Turn ignition switch to OFF.
  2. Disconnect connector from ECM and front oxygen (A/F) sensor connector.
  3. Measure resistance between ECM and front oxygen (A/F) sensor.

Connector & terminals 
(B136) No. 13 -(B18) No. 1: 
(B136) No. 22 -(B18) No. 2: 
Is the measured value less than 5 Ω? Go to step 5.  Repair open circuit between ECM and front oxygen (A/F) sensor.
5. CHECK HARNESS BETWEEN ECM AND FRONT OXYGEN (A/F) SENSOR. 
Measure resistance between ECM and chassis ground.
Connector & terminals 
(B136) No. 13 - Chassis ground: 
(B136) No. 22 - Chassis ground: 
Is the measured value more than 1 MΩ? Go to step 6.  Repair ground short circuit between ECM and front oxygen (A/F) sensor.
6. CHECK EXHAUST SYSTEM. 
Check exhaust system parts.
NOTE: Check the following items.
  • Loose installation of portions
  • Damage (crack, hole etc.) of parts
  • Looseness of front oxygen (A/F) sensor
  • Looseness and ill fitting of parts between front oxygen (A/F) sensor and rear oxygen sensor
Is there any malfunction in exhaust system? Repair or replace malfunctioning parts. Replace front oxygen (A/F) sensor. < Ref. to FRONT OXYGEN (A/F) SENSOR . >