LEMON Manuals: Even more car manuals for everyone: 1960-2025
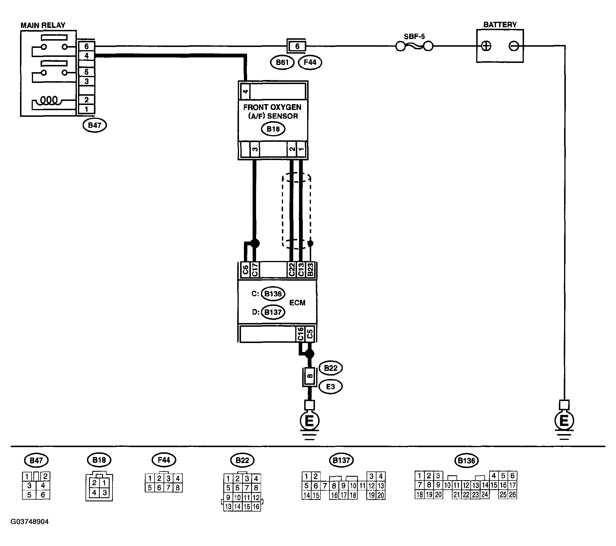
Home >> Subaru >> 2005 >> Baja Base, Automatic >> Repair and Diagnosis >> Engine Performance >> System >> Engine Controls - Engine (Diagnostics) (H4SO) >> Diagnostic Procedure with Diagnostic Trouble Code (DTC) >> DTC P0134 - O2 Sensor Circuit No Activity Detected (Bank 1 Sensor 1) - >> Wiring Diagram:
April 5, 2026: LEMON Manuals is launched! Read the announcement.

Wiring Diagram:

Fig 1: DTC P0134 - O2 Sensor Circuit No Activity Detected (Bank 1 Sensor 1) -
G03748904Courtesy of SUBARU OF AMERICA, INC.
DIAGNOSTIC STEPS DTC P0134

Step Check Yes No
1. CHECK HARNESS BETWEEN ECM AND FRONT OXYGEN (A/F) SENSOR CONNECTOR. 
  1. Turn ignition switch to OFF.
  2. Disconnect connectors from ECM and front oxygen (A/F) sensor connector.
  3. Measure resistance of harness between ECM and front oxygen (A/F) sensor connector.

Connector & terminal 
(B136) No. 13 - (E18) No. 1: 
(B136) No. 22 - (B18) No. 2: 
Is the measured value less than 1 Ω? Go to step 2.  Repair harness and connector.
NOTE: In this case, repair the following:
  • Open circuit in harness between ECM and front oxygen (A/F) sensor connector
  • Poor contact in front oxygen (A/F) sensor connector
  • Poor contact in ECM connector
2. CHECK POOR CONTACT. 
Check poor contact in front oxygen (A/F) sensor connector.
Is there poor contact in front oxygen (A/F) sensor connector? Repair poor contact in front oxygen (A/F) sensor connector. Replace front oxygen (A/F) sensor. Ref. to FRONT OXYGEN (A/F) SENSOR .