LEMON Manuals: Even more car manuals for everyone: 1960-2025
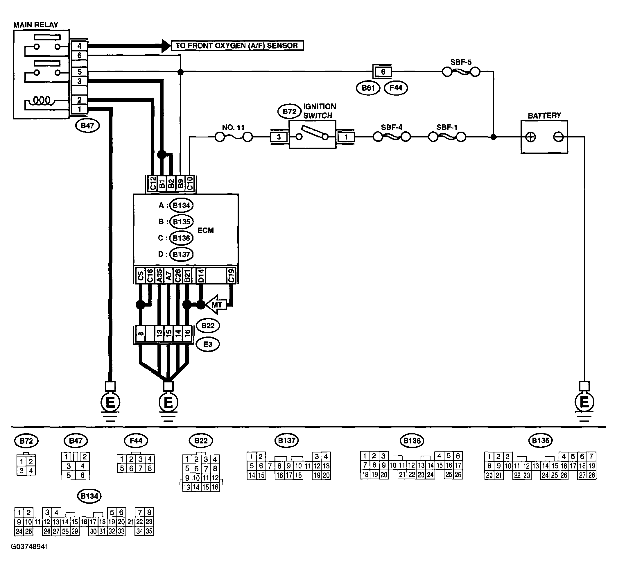
Home >> Subaru >> 2005 >> Baja Base, Automatic >> Repair and Diagnosis >> Engine Performance >> System >> Engine Controls - Engine (Diagnostics) (H4SO) >> Diagnostic Procedure with Diagnostic Trouble Code (DTC) >> DTC P0604 - Internal Control Module Random Access Memory (Ram) Error - >> Wiring Diagram:
April 5, 2026: LEMON Manuals is launched! Read the announcement.

Wiring Diagram:

Fig 1: Wiring Diagram - DTC P0604
G03748941Courtesy of SUBARU OF AMERICA, INC.
DIAGNOSTIC STEPS DTC P0604

Step Check Yes No
1. CHECK ANY OTHER DTC ON DISPLAY.  Is any other DTC displayed? Inspect the related DTC using List of Diagnostic Trouble Code (DTC). < Ref. to , LIST OF DIAGNOSTIC TROUBLE CODE (DTC) . > A temporary poor contact.