LEMON Manuals: Even more car manuals for everyone: 1960-2025
Home >> Subaru >> 2005 >> Baja Base, Automatic >> Repair and Diagnosis >> Transmission >> Transmission Control Systems >> A/T & M/T Control Systems >> A/T Shift Lock System >> Inspection >> Select Lever Shift Lock Cannot Be Released
April 5, 2026: LEMON Manuals is launched! Read the announcement.

Select Lever Shift Lock Cannot Be Released

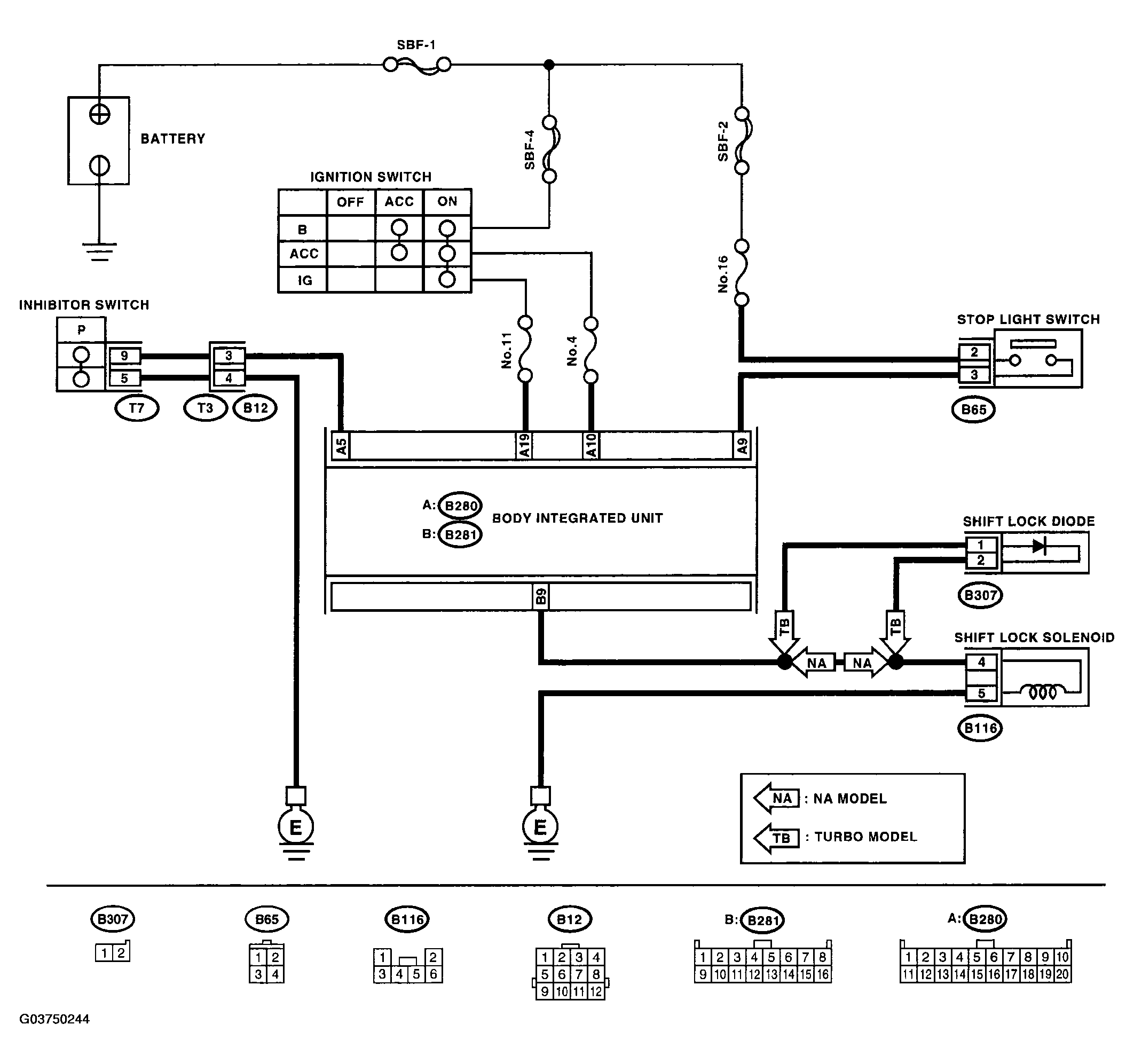
WIRING DIAGRAM: 

Fig 1: Select Lever Shift Lock Cannot Be Released - Wiring Diagram
G03750244Courtesy of SUBARU OF AMERICA, INC.
DIAGNOSTIC PROCEDURE

Step Check Yes No
1 CHECK INHIBITOR SWITCH. 
  1. Turn the ignition switch to ON (engine OFF).
  2. Move the select lever from "P" to "1" range.
Are combination meter indicator light and select lever "P", "R", "N", "3", "2" and "1" correctly matched? Go to step 2.  Adjust the inhibitor switch and select cable.
2 CHECK IGNITION POWER SUPPLY CIRCUIT. 
  1. Turn the ignition switch to ON (engine OFF).
  2. Measure the voltage between integrated module and chassis ground.

Connector & terminal 
(B280) No. 19 (+) - Chassis ground (-): 
Is the measured value more than 9 V? Go to step 3.  Repair the open circuit harness between battery and integrated module, and poor contact in coupling connector.
3 CHECK HARNESS BETWEEN INHIBITOR SWITCH AND INTEGRATED MODULE. 
  1. Turn the ignition switch to OFF.
  2. Disconnect the connector of transmission harness and integrated module.
  3. Measure the resistance of harness between integrated module and chassis ground.

Connector & terminal 
(B280) No. 5 - Chassis ground: 
Is the measured value less than 1 Ω? Repair the short circuit in harness between integrated module and transmission connector. Go to step 4. 
4 CHECK HARNESS BETWEEN INHIBITOR SWITCH AND INTEGRATED MODULE. 
Measure the resistance of harness between integrated module and inhibitor switch.
Connector & terminal 
(B12) No. 3 - (B280) No. 5: 
Is the measured value more than 1 MΩ? Repair the open circuit in harness between integrated module and transmission connector Go to step 5. 
5 CHECK HARNESS BETWEEN INHIBITOR SWITCH AND CHASSIS GROUND. 
Measure the resistance of harness between inhibitor switch and chassis ground.
Connector & terminal 
(B12) No. 4 - Chassis ground: 
Is the measured value less than 1 Ω Go to step 6.  Repair the open circuit in harness between inhibitor switch and chassis ground.
6 CHECK INHIBITOR SWITCH. 
  1. Move the select lever to "P" position.
  2. Measure the resistance of transmission harness connector terminals.

Connector & terminal 
(T3) No. 3 - No. 4: 
Is the measured value more than 1 MΩ? Repair or replace the inhibitor switch. Go to step 7. 
7 CHECK OUTPUT SIGNAL FOR INTEGRATED MODULE. 
  1. Connect all connectors.
  2. Turn the ignition switch to ON.
  3. Measure the voltage between integrated module and chassis ground.

Connector & terminal 
(B280) No. 5 (+) - Chassis ground (-): 
Is the measured value within 9 - 16 V? Go to step 8.  Go to step 16. 
8 CHECK STOP LIGHT SWITCH. 
Depress the brake pedal.
Does the stop light turn on? Go to step 9.  Inspect the stop light system.
9 CHECK HARNESS BETWEEN STOP LIGHT SWITCH AND INTEGRATED MODULE. 
  1. Depress the brake pedal.
  2. Measure the voltage between integrated module and chassis ground.

Connector & terminal 
(B280) No. 9 (+) - Chassis ground (-): 
Is the measured value more than 9 V? Go to step 10.  Repair the open or short circuit in harness between integrated module and stop light switch.
10 CHECK HARNESS BETWEEN INTEGRATED MODULE AND SHIFT LOCK SOLENOID. 
  1. Turn the ignition switch to OFF.
  2. Disconnect the connector from shift lock solenoid and integrated module.
  3. Measure the resistance of harness between integrated module and shift lock solenoid.

Connector & terminal 
(B281) No. 9 - (B116) No. 4: 
Is the measured value more than 1 MΩ? Repair the open circuit in harness between integrated module and shift lock solenoid. Go to step 11. 
11 CHECK HARNESS BETWEEN INTEGRATED MODULE AND SHIFT LOCK SOLENOID. 
Measure the resistance of harness between shift lock solenoid and chassis ground.
Connector & terminal 
(B281) No. 9 - Chassis ground: 
Is the measured value less than 10 Ω? Go to step 12.  Repair the short circuit in harness between integrated module and shift lock solenoid.
12 CHECK HARNESS BETWEEN SHIFT LOCK SOLENOID AND CHASSIS GROUND. 
Measure the resistance of harness between shift lock solenoid and chassis ground.
Connector & terminal 
(B116) No. 5 - Chassis ground: 
Is the measured value less than 1 Ω? Go to step 13.  Repair the open circuit in harness between shift lock solenoid and chassis ground.
13 CHECK SHIFT LOCK SOLENOID. 
Measure the resistance of shift lock solenoid connector terminals.
Terminal 
No. 4 - No. 5: 
Is the measured value within 20 - 40 Ω? Go to step 14.  Replace the shift lock solenoid.
14 CHECK SHIFT LOCK SOLENOID. 
Connect the battery with shift lock solenoid connector terminal and operate solenoid.
Terminal 
No. 4 (+) - No. 5 (-): 
Is the shift lock solenoid operating properly? Go to step 15.  Replace the shift lock solenoid.
15 CHECK OUTPUT SIGNAL FOR INTEGRATED MODULE. 
  1. Turn the ignition switch to ON (engine OFF).
  2. Measure the voltage between integrated module and chassis ground.

Connector & terminal 
(B281) No. 9 (+) - Chassis ground (-): 
Is the measured value more than 8.5 V? Go to step 16.  Replace the integrated module.
16 CHECK POOR CONTACT.  Is there poor contact in A/T shift lock circuit? Repair the poor contact. Replace the integrated module.