LEMON Manuals: Even more car manuals for everyone: 1960-2025
Home >> Subaru >> 2005 >> Forester X, Automatic >> Repair and Diagnosis >> Engine Performance >> System >> Engine Controls - Engine (Diagnostics) (H4SO) >> Diagnostic Procedure with Diagnostic Trouble Code (DTC) >> DTC P0139: O2 Sensor Circuit Slow Response (Bank 1 Sensor 2)
April 5, 2026: LEMON Manuals is launched! Read the announcement.

DTC P0139: O2 Sensor Circuit Slow Response (Bank 1 Sensor 2)

DTC DETECTING CONDITION: 

CAUTION: After repair or replacement of faulty parts, conduct Clear Memory Mode < Ref. to , OPERATION , Clear Memory Mode. > and Inspection Mode < Ref. to , PROCEDURE , Inspection Mode. >.

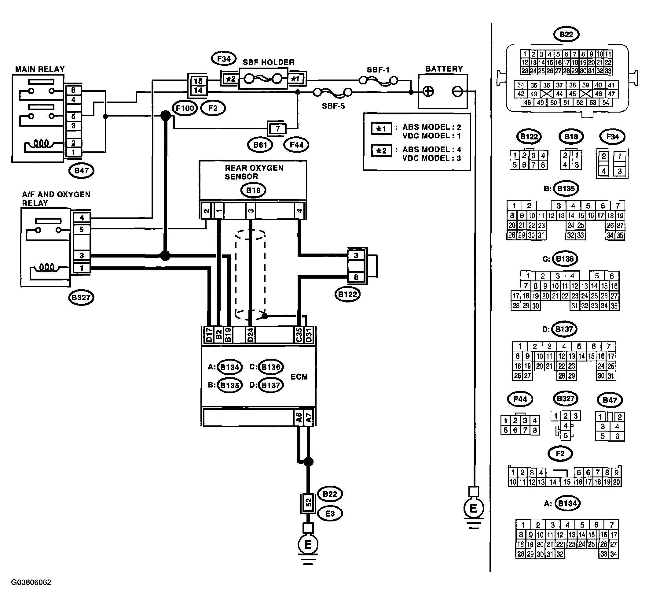
WIRING DIAGRAM: 

Fig 1: DTC P0139 - O2 Sensor Circuit Slow Response (Bank 1 Sensor 2)- Wiring Diagram
G03806062Courtesy of SUBARU OF AMERICA, INC.
DIAGNOSTIC STEPS DTC P0139

Step Check Yes No
1 CHECK ANY OTHER DTC ON DISPLAY.  Is any other DTC displayed? Check DTC using "List of Diagnostic Trouble Code (DTC)". < Ref. to , LIST OF DIAGNOSTIC TROUBLE CODE (DTC) . >
NOTE: In this case, it is not necessary to inspect DTC P0139.
Replace the rear oxygen sensor. < Ref. to REAR OXYGEN SENSOR . >