LEMON Manuals: Even more car manuals for everyone: 1960-2025
Home >> Subaru >> 2005 >> Forester XT, Automatic >> Repair and Diagnosis (Single Page) >> Engine Performance >> System >> Diagnostic Trouble Code (DTC) Detecting Criteria (H4DOTC) >> Diagnostic Trouble Code (DTC) Detecting Criteria >> DTC P2011 Tumble Generated Valve Signal 2 Circuit Malfunction (Open) >> Component Description
April 5, 2026: LEMON Manuals is launched! Read the announcement.

Component Description

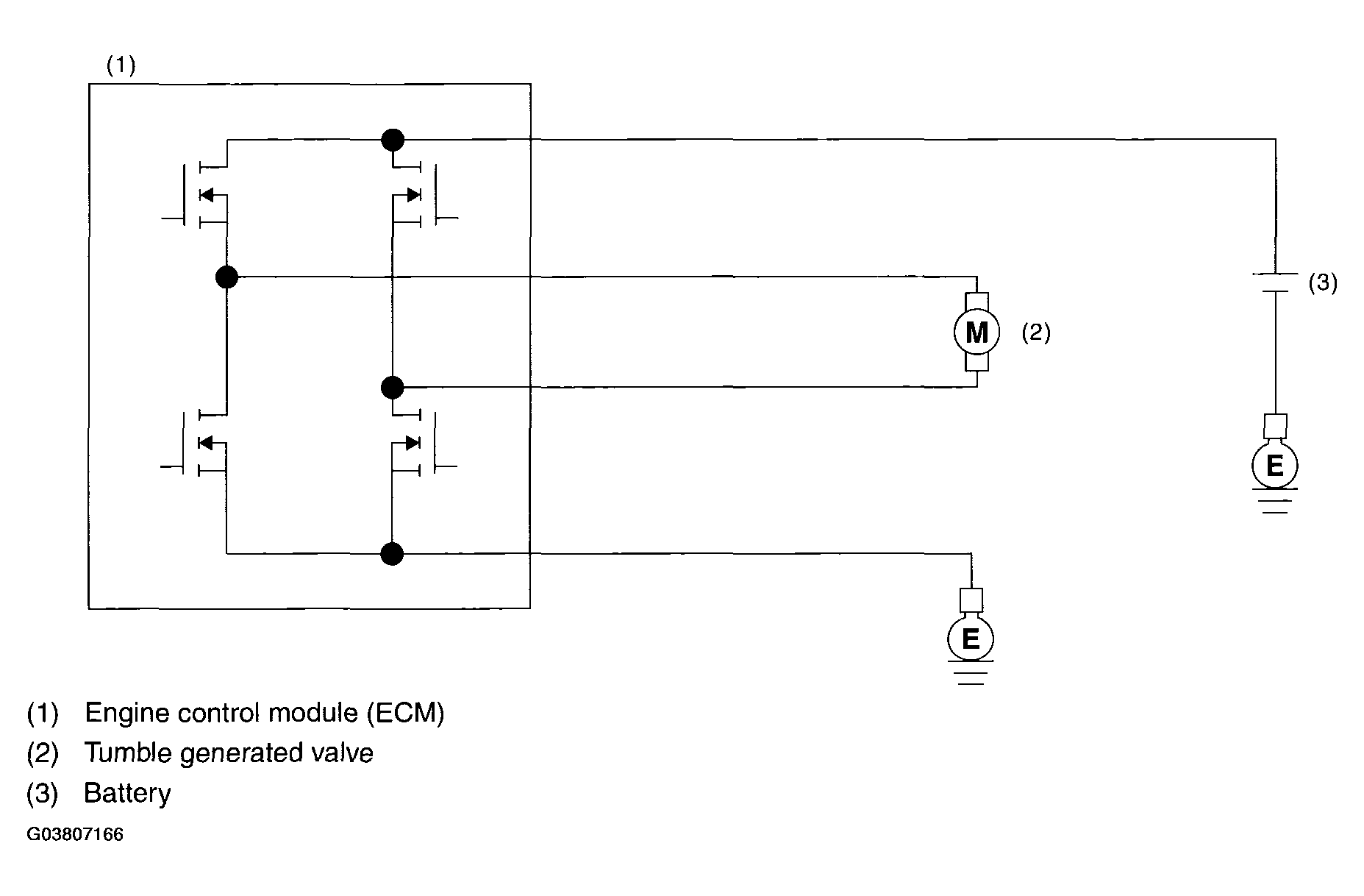
Fig 1: Circuit Diagram Tumble Generated Valve Signal 2 Circuit Malfunction (Open)
G03807166Courtesy of SUBARU OF AMERICA, INC.