LEMON Manuals: Even more car manuals for everyone: 1960-2025
Home >> Subaru >> 2005 >> Forester XT, Automatic >> Repair and Diagnosis (Single Page) >> Transmission >> Transmission Control Systems >> A/T & M/T Control Systems >> AT Shift Lock Control System >> Inspection >> Body Integrated Unit Power Supply And Ground Line
April 5, 2026: LEMON Manuals is launched! Read the announcement.

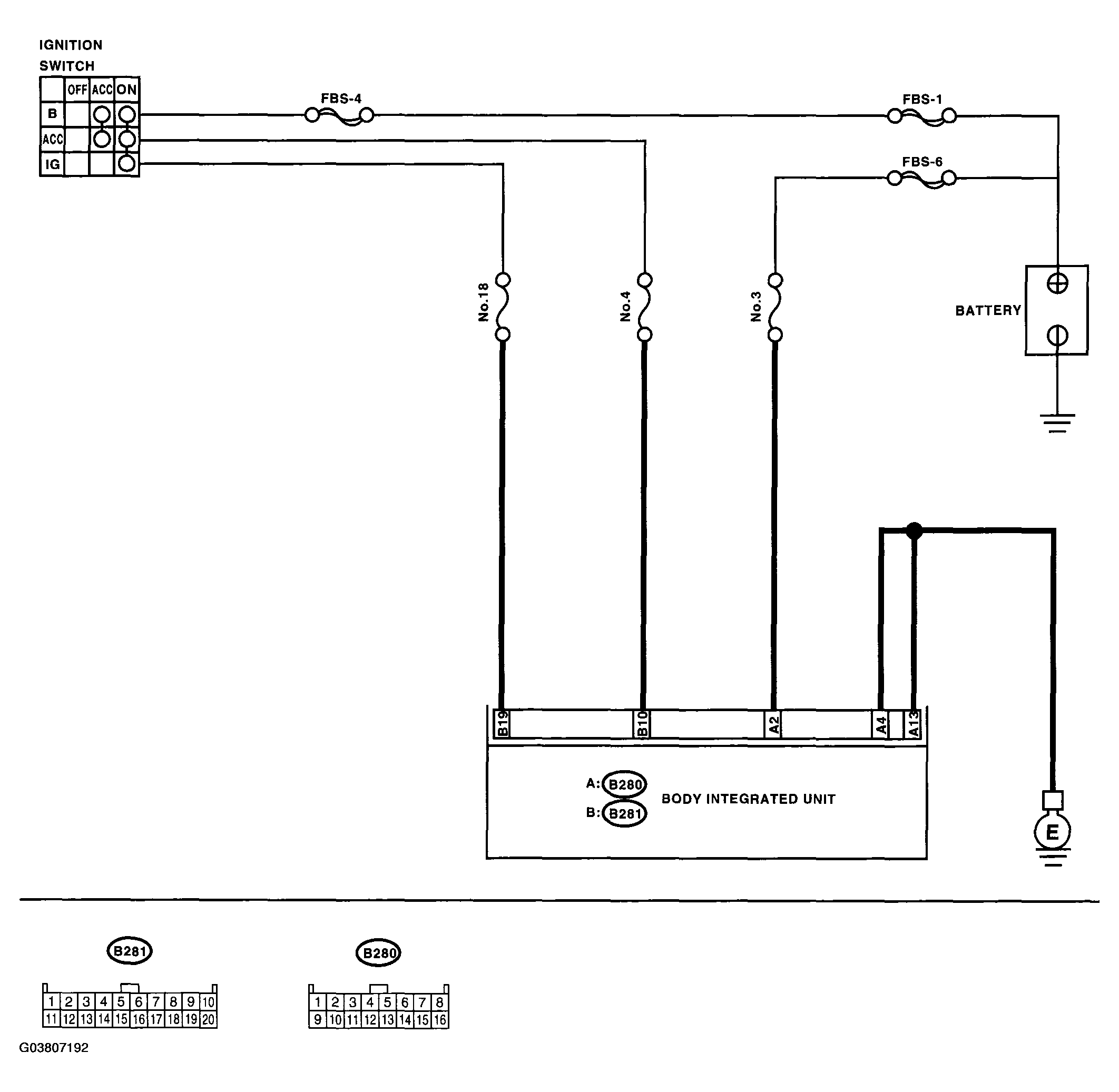
Body Integrated Unit Power Supply And Ground Line

WIRING DIAGRAM: 

Fig 1: Wiring Diagram - Body Integrated Unit Power Supply And Ground Line
G03807192Courtesy of SUBARU OF AMERICA, INC.
BODY INTEGRATED UNIT POWER SUPPLY AND GROUND LINE INSPECTION

Step Check Yes No
1 CHECK FUSE. 
Remove the fuse (No. 3, 4 and 18).
Is the fuse (No. 3, 4 and 18) blown out? Replace the fuse (No. 3, 4 and 18). If the replaced fuse (No. 3, 4 and 18) has blown out easily, repair short circuit in harness between fuse and body integrated unit. Go to step 2. 
2 CHECK HARNESS CONNECTOR BETWEEN BODY INTEGRATED UNIT AND BODY GROUND. 
  1. Turn the ignition switch to OFF.
  2. Measure the resistance of harness between body integrated unit and chassis ground.

Connector & terminal 
(B280) No. 4 - Chassis ground: 
(B280) No. 13 - Chassis ground: 
Is the resistance less than 1: ? Go to step 3.  Repair the open circuit in harness between body integrated unit and body ground.
3 CHECK BATTERY POWER SUPPLY. 
  1. Turn the ignition switch to ON (engine OFF).
  2. Measure the voltages between body integrated unit and chassis ground.

Connector & terminal 
(B280) No. 2 (+) - Chassis ground ( ): 
Is the voltage more than 9 V? Go to step 4.  Repair the open circuit harness between battery and body integrated unit, and poor contact in coupling connector.
4 CHECK IGNITION POWER SUPPLY CIRCUIT. 
  1. Turn the ignition switch to ACC.
  2. Measure the voltage between body integrated unit and chassis ground.

Connector & terminal 
(B281) No. 10 (+) - Chassis ground ( ): 
Is the voltage more than 9 V? Go to step 5.  Repair the open circuit harness between battery and body integrated unit, and poor contact in coupling connector.
5 CHECK IGNITION POWER SUPPLY CIRCUIT. 
  1. Turn the ignition switch to ON (engine OFF).
  2. Measure the voltage between body integrated unit and chassis ground.

Connector & terminal 
(B281) No. 19 (+) - Chassis ground ( ): 
Is the voltage more than 9 V? Go to step 6.  Repair the open circuit harness between battery and body integrated unit, and poor contact in coupling connector.
6 CHECK POOR CONTACT.  Is there poor contact in connector? Repair the poor contact. Replace the body integrated unit.