LEMON Manuals: Even more car manuals for everyone: 1960-2025
Home >> Subaru >> 2005 >> Forester XT, Automatic >> Repair and Diagnosis >> Engine Performance >> System >> Engine Controls - Engine (Diagnostics) (H4DOTC) >> Diagnostic Procedure with Diagnostic Trouble Code (DTC) >> DTC P0123 Throttle/Pedal Position Sensor/Switch "A" Circuit High Input
April 5, 2026: LEMON Manuals is launched! Read the announcement.

DTC P0123 Throttle/Pedal Position Sensor/Switch "A" Circuit High Input

DTC DETECTING CONDITION: 

TROUBLE SYMPTOM: 

CAUTION: After repair or replacement of faulty parts, conduct Clear Memory Mode < Ref. to , OPERATION , Clear Memory Mode. > and Inspection Mode < Ref. to , PROCEDURE , Inspection Mode. >.

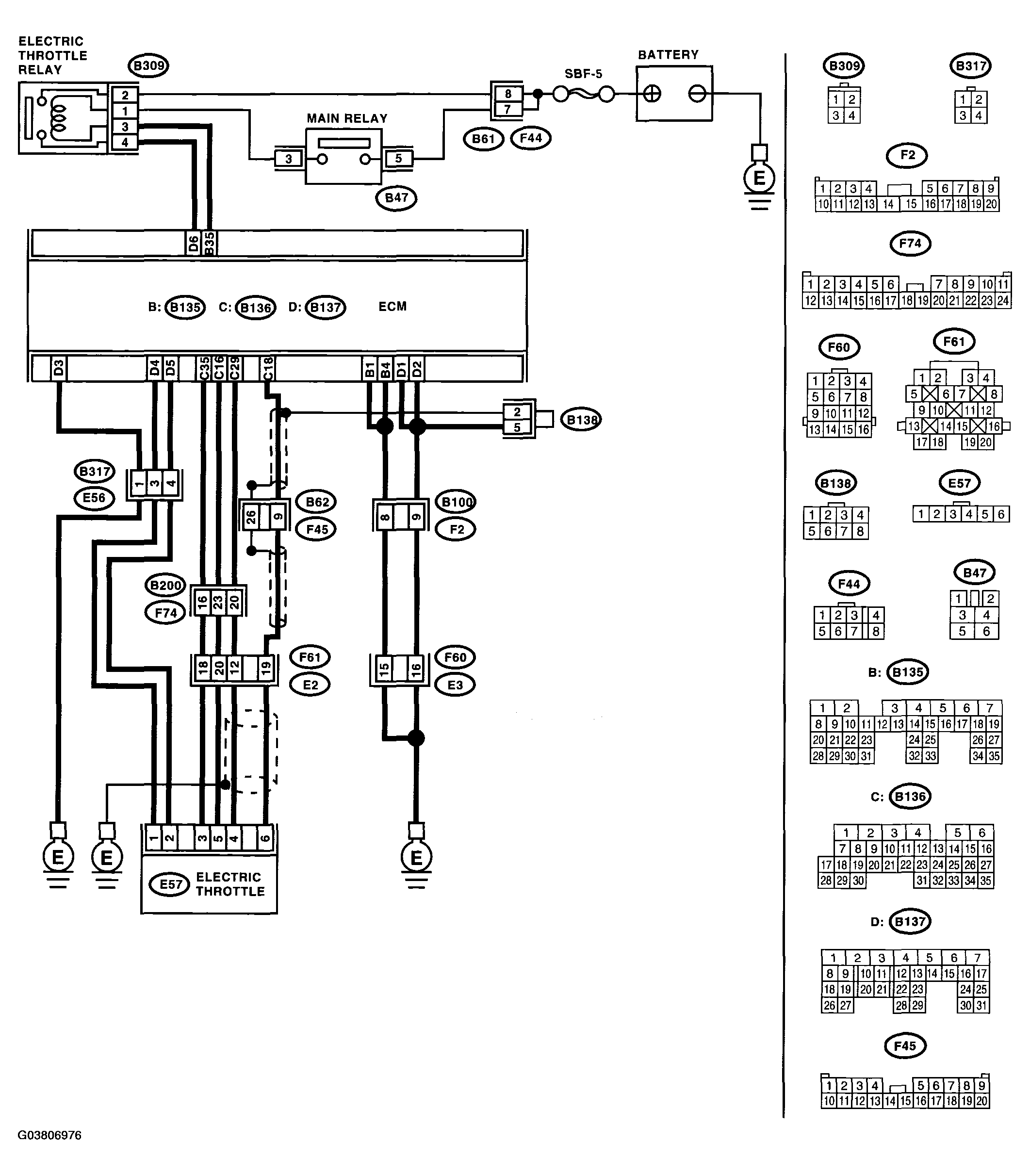
WIRING DIAGRAM: 

Fig 1: Wiring Diagram - Throttle/Pedal Position Sensor Circuit (High Input)
G03806976Courtesy of SUBARU OF AMERICA, INC.
DTC P0123 DIAGNOSTIC PROCEDURE

Step Check Yes No
1 CHECK OUTPUT VOLTAGE OF SENSOR. 
  1. Turn the ignition switch to ON.
  2. Read the data of main throttle sensor signals, using the Subaru Select Monitor.
  3. Shake the ECM harness and connector, engine harness connectors, electronic throttle control connector harness while monitoring value of voltage meter.
Is the voltage less than 4.63 V? Go to step . Go to step .
2 CHECK POOR CONTACT IN CONNECTORS. 
Check poor contact in connectors between ECM and electronic throttle control.
Is there poor contact in the connectors between ECM and electronic throttle control? Repair the poor contact in connectors. Connector has returned to a normal condition at this time. A temporary poor contact of the connector may be the cause.
3 CHECK HARNESS BETWEEN ECM AND ELECTRONIC THROTTLE CONTROL. 
  1. Turn the ignition switch to OFF.
  2. Disconnect the connectors from ECM.
  3. Disconnect the connectors from electronic throttle control.
  4. Measure the resistance between ECM connector and electronic throttle control connector.

Connector & terminal 
(B136) No. 18 - (E57) No. 6: 
(B136) No. 35 - (E57) No. 3: 
Is the resistance less than 1 Ω? Go to step . Repair the open of harness connector.
4 CHECK HARNESS BETWEEN ECM AND ELECTRONIC THROTTLE CONTROL. 
  1. Connect the ECM connector.
  2. Measure the resistance between the electronic throttle control connector and engine ground.

Connector & terminal 
(E57) No. 3 - Engine ground: 
Is the resistance less than 1 Ω? Go to step . Repair the poor contact in ECM connector. If the problem persists, replace the ECM. < Ref. to ENGINE CONTROL MODULE (ECM) . >
5 CHECK HARNESS BETWEEN ECM AND ELECTRONIC THROTTLE CONTROL. 
  1. Turn the ignition switch to ON.
  2. Measure the voltage between electronic throttle control connector and engine ground.

    Connector & terminal 

    (E57) No. 5 (+) - Engine ground (-): 

  3. Shake the ECM harness and connector, engine harness connectors, while monitoring value of voltage meter.
Is the voltage more than 10 V? Go to step . Repair the battery short of harness between ECM connector and electronic throttle control connector.
6 CHECK POWER SUPPLY TO SENSOR. 
  1. Measure the voltage between the electronic throttle control connector and engine ground.

    Connector & terminal 

    (E57) No. 6 (+) - Engine ground (-): 

  2. Shake the ECM harness and connector, engine harness connectors, while monitoring value of voltage meter.
Is the voltage less than 10 V? Go to step . Repair the short of harness between ECM connector and electronic throttle control connector.
7 CHECK HARNESS BETWEEN ECM AND ELECTRONIC THROTTLE CONTROL. 
  1. Turn the ignition switch to OFF.
  2. Disconnect the connector from ECM.
  3. Measure the resistance between ECM connectors.

Connector & terminal 
(B136) No. 18 - (B136) No. 16: 
Is the resistance more than 1 MΩ? Repair the poor contact in harness. Replace the electronic throttle control. Repair the short of harness of power supply to sensor.