LEMON Manuals: Even more car manuals for everyone: 1960-2025
Home >> Subaru >> 2005 >> Forester XT, Automatic >> Repair and Diagnosis >> Engine Performance >> System >> Engine Controls - Engine (Diagnostics) (H4DOTC) >> Diagnostic Procedure with Diagnostic Trouble Code (DTC) >> DTC P0222 Throttle/Pedal Position Sensor/Switch "B" Circuit Low Input
April 5, 2026: LEMON Manuals is launched! Read the announcement.

DTC P0222 Throttle/Pedal Position Sensor/Switch "B" Circuit Low Input

DTC DETECTING CONDITION: 

TROUBLE SYMPTOM: 

CAUTION: After repair or replacement of faulty parts, conduct Clear Memory Mode < Ref. to , OPERATION , Clear Memory Mode. > and Inspection Mode < Ref. to , PROCEDURE , Inspection Mode. >.

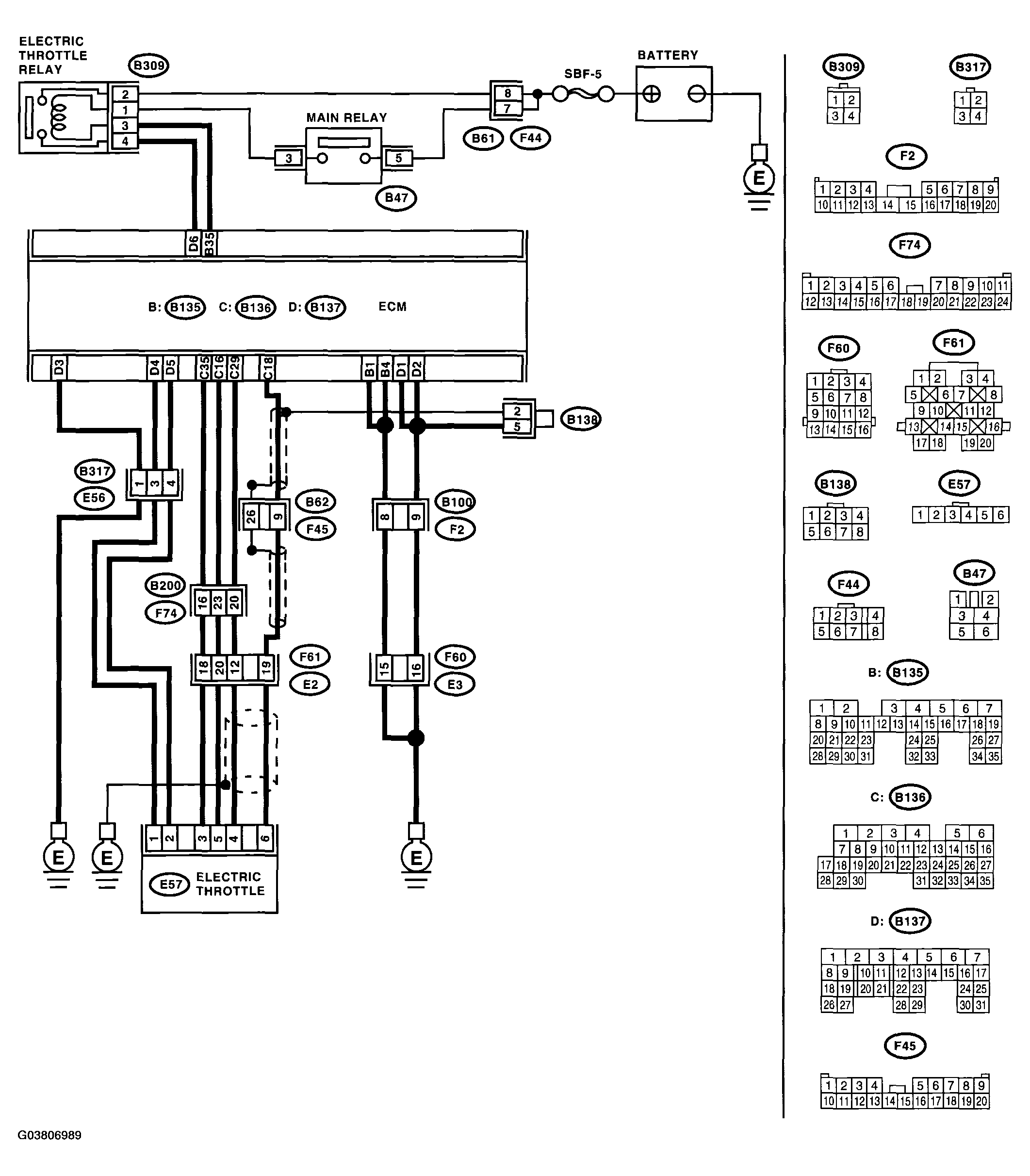
WIRING DIAGRAM: 

Fig 1: Wiring Diagram - Throttle/Pedal Position Sensor Circuit (Low Input)
G03806989Courtesy of SUBARU OF AMERICA, INC.
DTC P0222 DIAGNOSTIC PROCEDURE

Step Check Yes No
1 CHECK OUTPUT VOLTAGE OF SENSOR. 
  1. Turn the ignition switch to ON.
  2. Measure the voltage between ECM connector terminals.

    Connector & terminal 

    (B136) No. 29 (+) - (B136) No. 35 (-): 

  3. Shake the ECM harness and connector, engine harness connectors (E84, E22), electronic throttle control connector harness while monitoring value of voltage meter.
Is the voltage more than 0.8 V? Go to step . Go to step .
2 CHECK POOR CONTACT IN CONNECTORS. 
Check poor contact in the connectors between the ECM and electronic throttle control.
Is there poor contact in the connectors between ECM and electronic throttle control? Repair the poor contact in connectors. Connector has returned to a normal condition at this time. A temporary poor contact of the connector may be the cause.
3 CHECK HARNESS BETWEEN ECM AND ELECTRONIC THROTTLE CONTROL. 
  1. Turn the ignition switch to OFF.
  2. Disconnect the connector from ECM.
  3. Disconnect the connector from electronic throttle control.
  4. Measure the resistance between the ECM connector and electronic throttle control connector.

Connector & terminal 
(B136) No. 16 - (E57) No. 5: 
Is the resistance less than 1Ω? Go to step . Repair the open circuit of harness connector.
4 CHECK HARNESS BETWEEN ECM AND ELECTRONIC THROTTLE CONTROL. 
Check the resistance between the ECM connector and chassis ground.
Connector & terminal 
(B136) No. 29 - Chassis ground: 
(B136) No. 16 - Chassis ground: 
Is the resistance more than 1 MΩ? Go to step . Repair the chassis short of harness.
5 CHECK POWER SUPPLY TO SENSOR. 
  1. Connect the ECM connectors.
  2. Turn the ignition switch to ON.
  3. Measure the voltage between electronic throttle control connector and engine ground.

    Connector & terminal 

    (E57) No. 5 (+) - Engine ground (-): 

  4. Shake the ECM harness and connector, engine harness connectors, while monitoring value of voltage meter.
Is the voltage 4.5 - 5.5 V? Go to step . Repair the poor contact in ECM connector. If problem persists, replace the ECM. < Ref. to ENGINE CONTROL MODULE (ECM) . >
6 CHECK SHORT OF ECM. 
  1. Turn the ignition switch to OFF.
  2. Measure the resistance between electronic throttle control connector and engine ground.

Connector & terminal 
(E57) No. 4 - Engine ground: 
Is the resistance more than 10 Ω? Repair the poor contact in electronic throttle control connector. If problem persists, replace the electronic throttle control. Repair the poor contact in ECM connectors. If problem persists, replace the ECM. < Ref. to ENGINE CONTROL MODULE (ECM) . >