LEMON Manuals: Even more car manuals for everyone: 1960-2025
Home >> Subaru >> 2005 >> Forester XT, Automatic >> Repair and Diagnosis >> External Pages >> Different variant/trim >> Section 7 (Engine Controls - Engine (Diagnostics) (H4SO)) >> Diagnostic Procedure with Diagnostic Trouble Code (DTC) >> DTC P0604: Internal Control Module Random Access Memory (Ram) Error
April 5, 2026: LEMON Manuals is launched! Read the announcement.

DTC P0604: Internal Control Module Random Access Memory (Ram) Error

WARNING: This page is about a different variant/trim than selected.

DTC DETECTING CONDITION: 

TROUBLE SYMPTOM: 

CAUTION: After repair or replacement of faulty parts, conduct Clear Memory Mode < Ref. to , OPERATION . > and Inspection Mode < Ref. to , PROCEDURE  Inspection Mode. >.

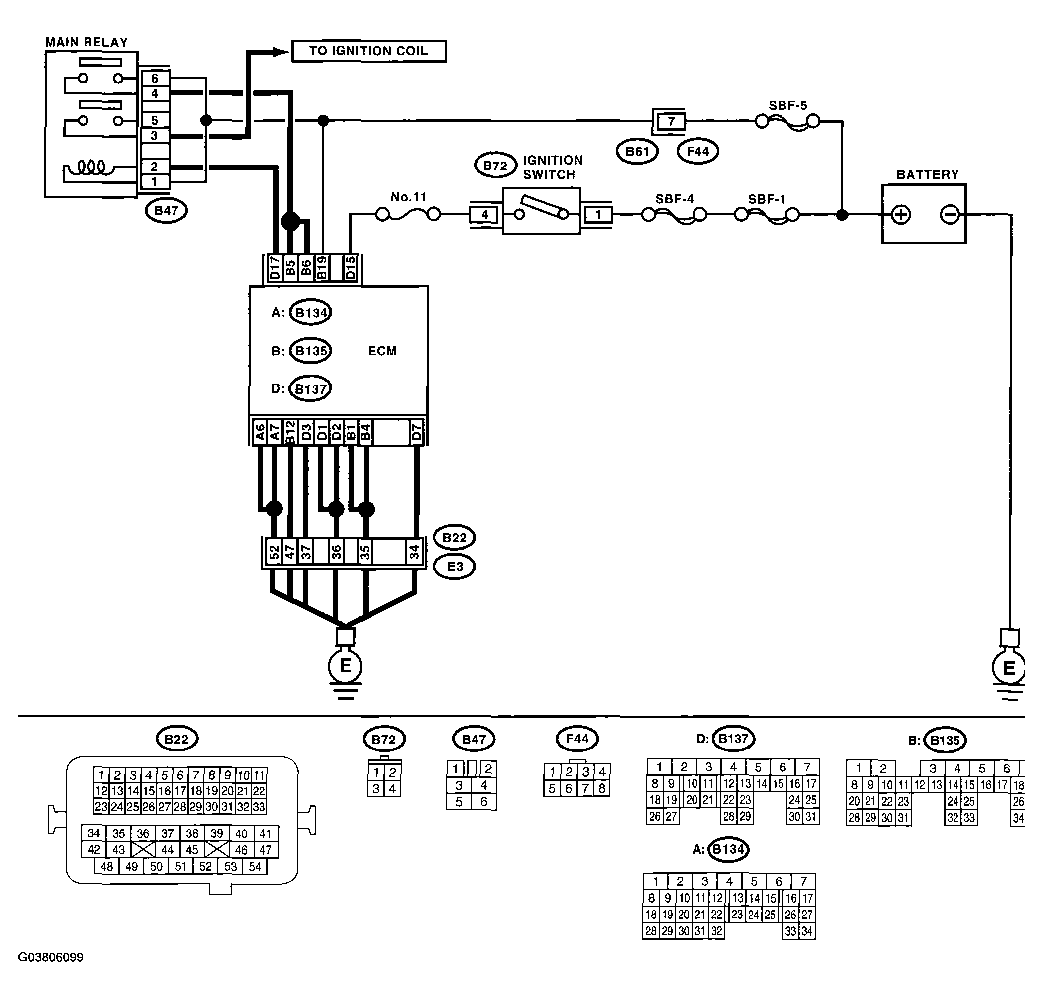
WIRING DIAGRAM: 

Fig 1: DTC P0604 Internal Control Module - Wiring Diagram And Connector Terminal
G03806099Courtesy of SUBARU OF AMERICA, INC.
DIAGNOSTIC PROCEDURE DTC P0604

Step Check Yes No
1 CHECK ANY OTHER DTC ON DISPLAY.  Is any other DTC displayed? Check the relevant DTC using the List of Diagnostic Trouble Code (DTC). < Ref. to , LIST OF DIAGNOSTIC TROUBLE CODE (DTC) . > A temporary poor contact occurs.