LEMON Manuals: Even more car manuals for everyone: 1960-2025
Home >> Subaru >> 2005 >> Forester XT, Automatic >> Repair and Diagnosis >> External Pages >> Different variant/trim >> Section 7 (Engine Controls - Engine (Diagnostics) (H4SO)) >> Diagnostic Procedure with Diagnostic Trouble Code (DTC) >> DTC P0607: Control Module Performance
April 5, 2026: LEMON Manuals is launched! Read the announcement.

DTC P0607: Control Module Performance

WARNING: This page is about a different variant/trim than selected.

DTC DETECTING CONDITION: 

TROUBLE SYMPTOM: 

CAUTION: After repair or replacement of faulty parts, conduct Clear Memory Mode < Ref. to , OPERATION , Clear Memory Mode. > and Inspection Mode < Ref. to , PROCEDURE , Inspection Mode. >.

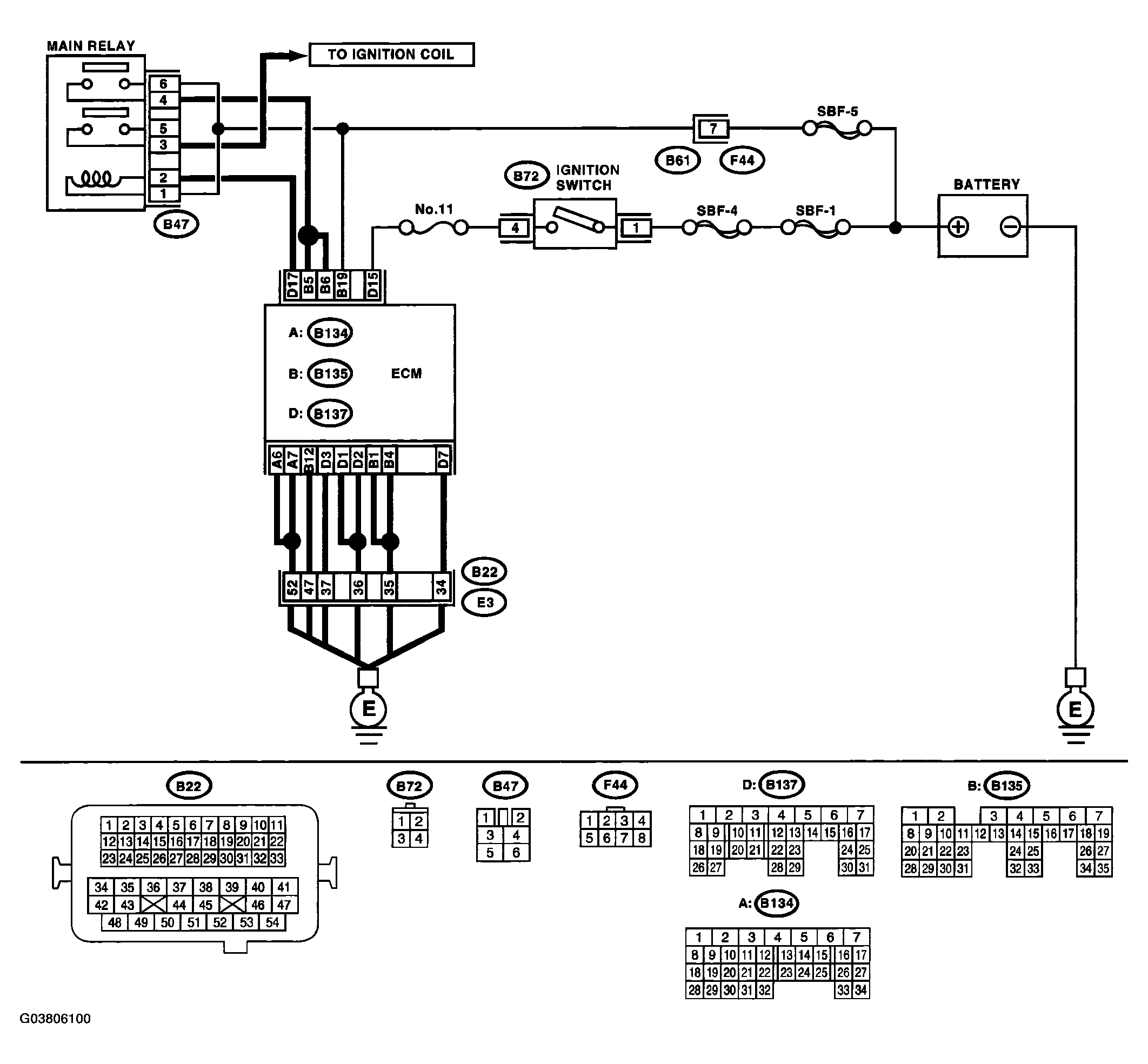
WIRING DIAGRAM: 

Fig 1: DTC P0607 Control Module Performance - Wiring Diagram And Connector Terminal
G03806100Courtesy of SUBARU OF AMERICA, INC.
DIAGNOSTIC PROCEDURE DTC P0607

Step Check Yes No
1 CHECK INPUT VOLTAGE OF ECM 
  1. Turn the ignition switch to ON.
  2. Measure the voltage between ECM connector and ground.

Connector & terminal 
(B135) No. 5 (+) - Chassis ground (-): 
(B135) No. 6 (+) - Chassis ground (-): 
Is the measured value 10 - 13 V? Go to step . Repair the open circuit or ground short of power supply circuit.
2 CHECK INPUT VOLTAGE OF ECM 
  1. Start the engine.
  2. Measure the voltage between ECM connector and ground.

Connector & terminal 
(B135) No. 5 (+) - Chassis ground (-): 
(B135) No. 6 (+) - Chassis ground (-): 
Is the measured value 13 - 15 V? Go to step . Repair the open circuit or ground short of power supply circuit.
3 CHECK GROUND HARNESS OF ECM 
Measure the voltage between ECM connector and ground.
Connector & terminal 
(B137) No. 7 (+) - Chassis ground (-): 
Is the measured value less than 1 V? Repair poor contact of ECM connector. If poor contact occur, replace the ECM. < Ref. to ENGINE CONTROL MODULE (ECM) . > Retighten the engine ground terminal.