LEMON Manuals: Even more car manuals for everyone: 1960-2025
Home >> Subaru >> 2005 >> Forester XT, Automatic >> Repair and Diagnosis >> External Pages >> Different variant/trim >> Section 7 (Engine Controls - Engine (Diagnostics) (H4SO)) >> Diagnostic Procedure with Diagnostic Trouble Code (DTC) >> DTC P1152: O2 Sensor Circuit Range/Performance (Low) (Bank 1 Sensor 1)
April 5, 2026: LEMON Manuals is launched! Read the announcement.

DTC P1152: O2 Sensor Circuit Range/Performance (Low) (Bank 1 Sensor 1)

WARNING: This page is about a different variant/trim than selected.
CAUTION: After repair or replacement of faulty parts, conduct Clear Memory Mode < Ref. to , OPERATION , Clear Memory Mode. > and Inspection Mode < Ref. to , PROCEDURE , Inspection Mode. >.

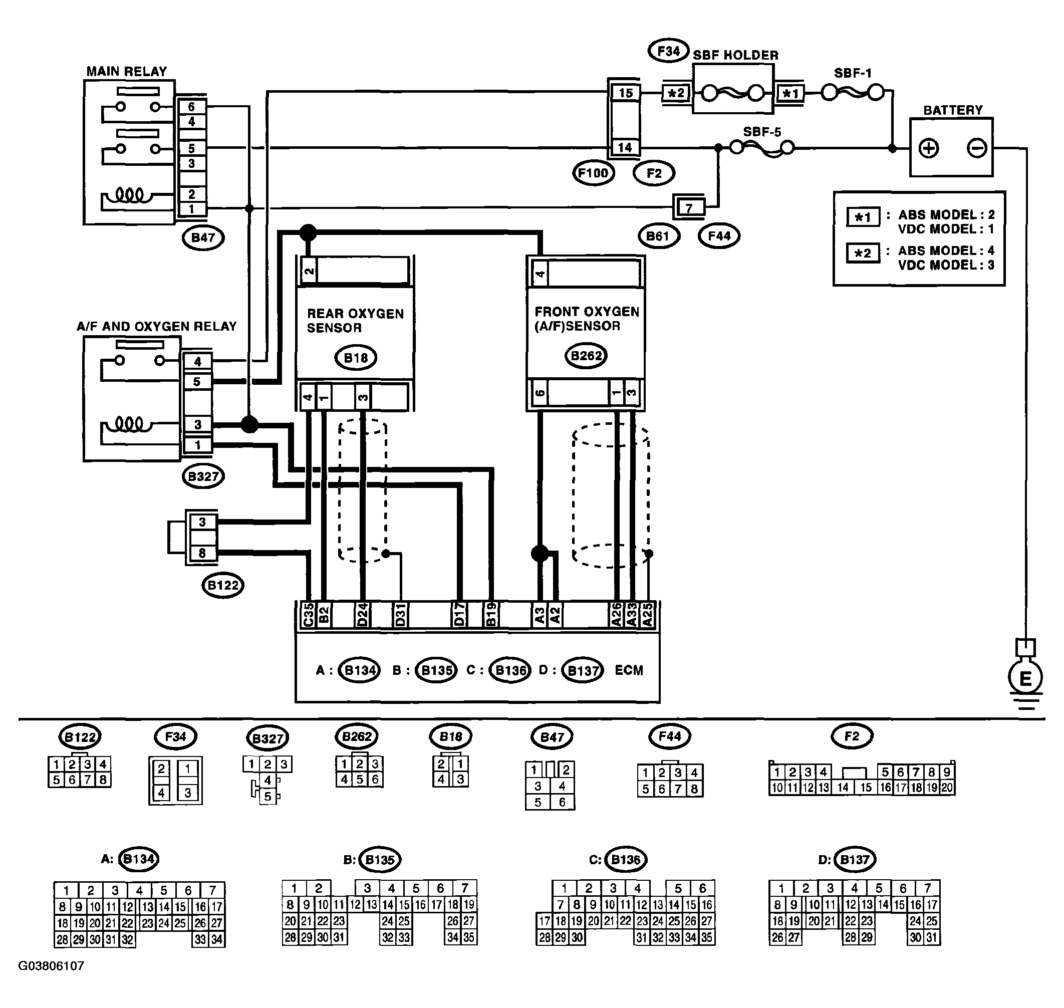
WIRING DIAGRAM: 

Fig 1: DTC P1152 - Wiring Diagram And Connector Terminal
G03806107Courtesy of SUBARU OF AMERICA, INC.
DIAGNOSTIC PROCEDURE DTC P1152

Step Check Yes No
1 CHECK HARNESS BETWEEN ECM AND FRONT OXYGEN (A/F) SENSOR CONNECTOR. 
  1. Turn the ignition switch to OFF.
  2. Disconnect the connectors from ECM and front oxygen (A/F) sensor connector.
  3. Measure the resistance of harness between ECM and front oxygen (A/F) sensor connector.

Connector & terminal 
(B134) No. 26 - (E262) No. 1: 
(B134) No. 33 - (E262) No. 3: 
Is the measured value less than 1 Ω? Go to step . Repair the harness and connector.
NOTE: In this case, repair the following:
  • Open circuit in harness between ECM and front oxygen (A/F) sensor connector
  • Poor contact in front oxygen (A/F) sensor connector
  • Poor contact in ECM connector
2 CHECK POOR CONTACT. 
Check poor contact in front oxygen (A/F) sensor connector.
Is there poor contact in front oxygen (A/F) sensor connector? Repair the poor contact in front oxygen (A/F) sensor connector. Replace the front oxygen (A/F) sensor. < Ref. to FRONT OXYGEN (A/F) SENSOR . >