LEMON Manuals: Even more car manuals for everyone: 1960-2025
Home >> Subaru >> 2005 >> Forester XT, Automatic >> Repair and Diagnosis >> External Pages >> Different variant/trim >> Section 7 (Engine Controls - Engine (Diagnostics) (H4SO)) >> Diagnostic Procedure with Diagnostic Trouble Code (DTC) >> DTC P1153: O2 Sensor Circuit Range/Performance (High) (Bank 1 Sensor 1)
April 5, 2026: LEMON Manuals is launched! Read the announcement.

DTC P1153: O2 Sensor Circuit Range/Performance (High) (Bank 1 Sensor 1)

WARNING: This page is about a different variant/trim than selected.
CAUTION: After repair or replacement of faulty parts, conduct Clear Memory Mode < Ref. to , OPERATION , Clear Memory Mode. > and Inspection Mode < Ref. to , PROCEDURE , Inspection Mode. >.

WIRING DIAGRAM: 

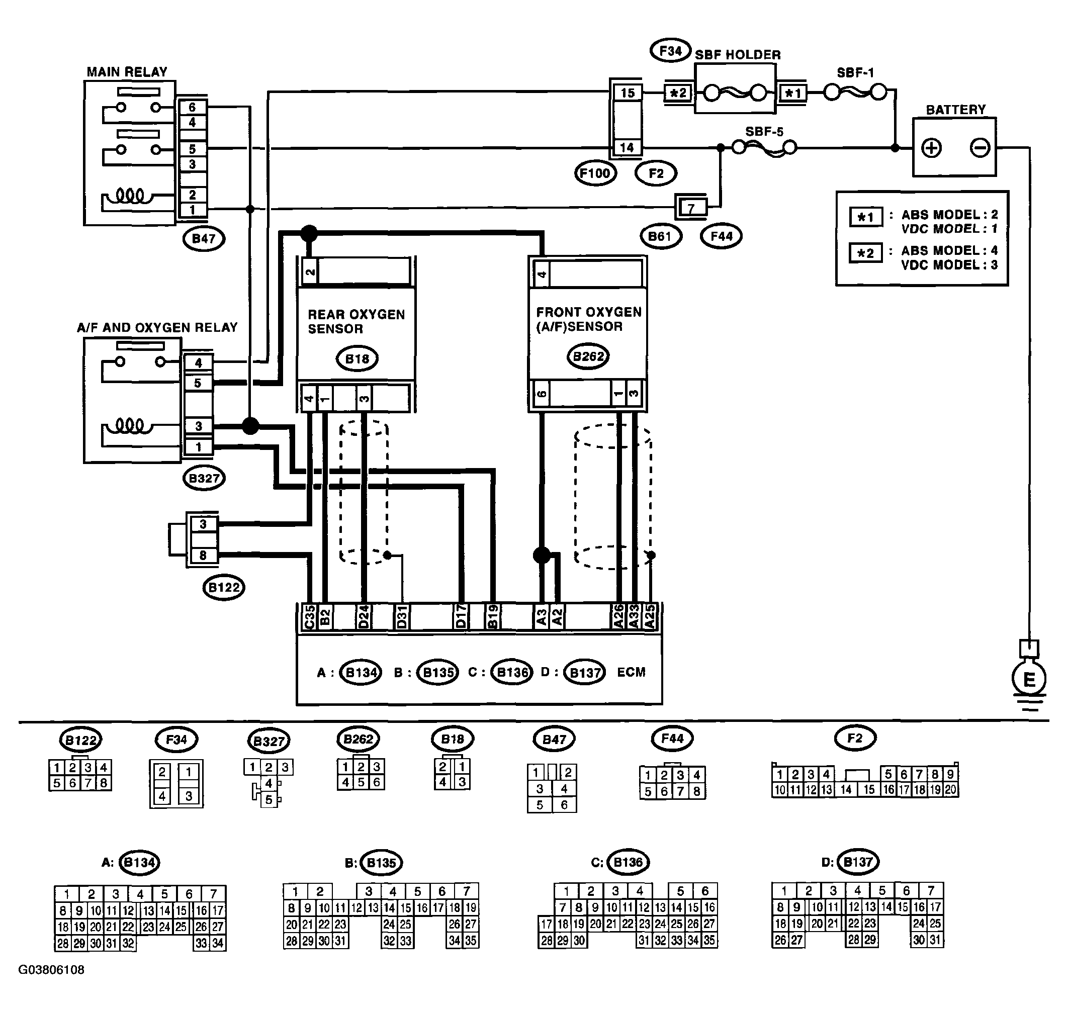
Fig 1: DTC P1153 - Wiring Diagram And Connector Terminal
G03806108Courtesy of SUBARU OF AMERICA, INC.
DIAGNOSTIC PROCEDURE DTC P1153

Step Check Yes No
1 CHECK HARNESS BETWEEN ECM AND FRONT OXYGEN (A/F) SENSOR CONNECTOR. 
  1. Turn the ignition switch to OFF.
  2. Disconnect the connector from ECM.
  3. Measure the resistance of harness between ECM connector and chassis ground.

Connector & terminal 
(B134) No. 26 - Chassis ground: 
Is the measured value more than 1 MΩ? Repair the ground short circuit in harness between ECM and front oxygen (A/F) sensor connector. Go to step .
2 CHECK HARNESS BETWEEN ECM AND FRONT OXYGEN (A/F) SENSOR CONNECTOR. 
Measure the resistance of harness between ECM connector and chassis ground.
Connector & terminal 
(B134) No. 33 - Chassis ground: 
Is the measured value more than 1 MΩ? Repair the ground short circuit in harness between ECM and front oxygen (A/F) sensor connector. Go to step .
3 CHECK OUTPUT SIGNAL FOR ECM. 
  1. Connect the connector to ECM.
  2. Turn the ignition switch to ON.
  3. Measure the voltage between ECM connector and chassis ground.

Connector & terminal 
(B134) No. 26 (+) - Chassis ground (-): 
Is the measured value more than 4.5 V? Go to step . Go to step .
4 CHECK OUTPUT SIGNAL FOR ECM. 
Measure the voltage between ECM connector and chassis ground.
Connector & terminal 
(B134) No. 26 (+) - Chassis ground (-): 
Is the measured value more than 10 V? Repair the battery short circuit in harness between ECM and front oxygen (A/F) sensor connector. After repair, replace the ECM.
< Ref. to ENGINE CONTROL MODULE (ECM) . >
Repair the poor contact in ECM connector.
5 CHECK OUTPUT SIGNAL FOR ECM. 
Measure the voltage between ECM connector and chassis ground.
Connector & terminal 
(B134) No. 33 (+) - Chassis ground (-): 
Is the measured value more than 4.95 V? Go to step . Replace the front oxygen (A/F) sensor. < Ref. to FRONT OXYGEN (A/F) SENSOR . >
6 CHECK OUTPUT SIGNAL FOR ECM. 
Measure the voltage between ECM connector and chassis ground.
Connector & terminal 
(B134) No. 33 (+) - Chassis ground (-): 
Is the measured value more than 10 V? Repair the battery short circuit in harness between ECM and front oxygen (A/F) sensor connector. After repair, replace the ECM.
< Ref. to ENGINE CONTROL MODULE (ECM) . >
Repair the poor contact in ECM connector.