LEMON Manuals: Even more car manuals for everyone: 1960-2025
Home >> Subaru >> 2005 >> Outback Limited, Standard >> Repair and Diagnosis >> Engine Performance >> System >> Engine Controls - Engine (Diagnostics) (H4SO) >> Diagnostics for Engine Starting Failure >> Ignition Control System
April 5, 2026: LEMON Manuals is launched! Read the announcement.

Ignition Control System

CAUTION: After repair or replacement of faulty parts, conduct Clear Memory Mode < Ref. to , CLEAR MEMORY MODE . > and Inspection Mode < Ref. to , INSPECTION MODE . >.

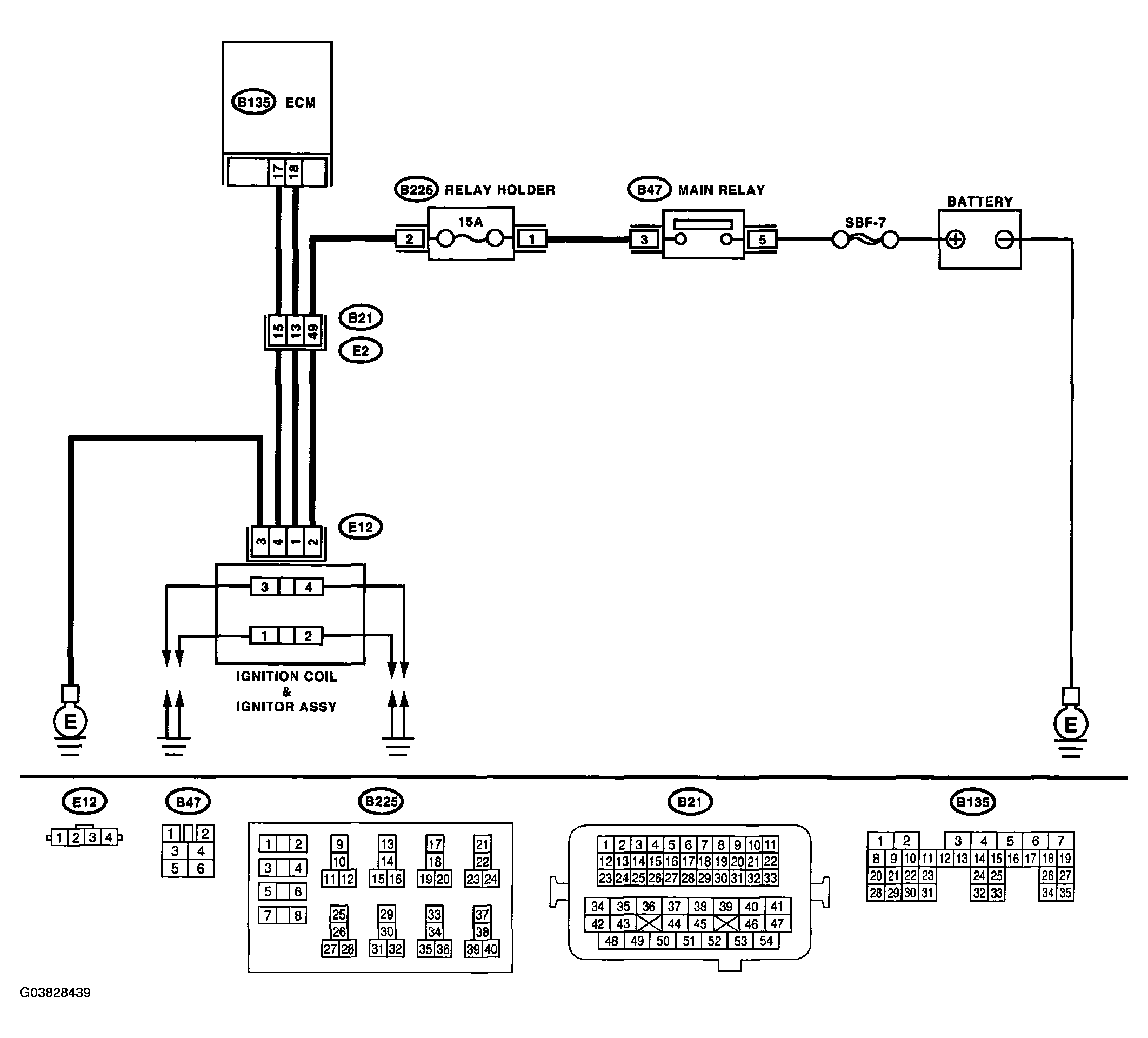
WIRING DIAGRAM: 

Fig 1: WIRING DIAGRAM - Ignition Control System
G03828439Courtesy of SUBARU OF AMERICA, INC.
IGNITION CONTROL SYSTEM DIAGNOSIS

Step Check Yes No
1. CHECK IGNITION SYSTEM FOR SPARKS. 
  1. Remove the plug cord cap from each spark plug.
  2. Install a new spark plug on plug cord cap.
    CAUTION: Do not remove the spark plug from engine.
  3. Contact the spark plug's thread portion on engine.
  4. While opening the throttle valve fully, crank the engine to check that spark occurs at each cylinder.
Does spark occur at each cylinder? Check fuel pump system. < Ref. to , FUEL PUMP CIRCUIT , Diagnostics for Engine Starting Failure. > Go to step 2. 
2. CHECK POWER SUPPLY CIRCUIT FOR IGNITION COIL AND IGNITOR ASSEMBLY. 
  1. Turn the ignition switch to OFF.
  2. Disconnect the connector from ignition coil and ignitor assembly.
  3. Turn the ignition switch to ON.
  4. Measure the power supply voltage between ignition coil and ignitor assembly connector and engine ground.

    Connector & terminal 

    (E12) No. 2 (+) - Engine ground (-): 

Is the voltage more than 10 V? Go to step 3.  Repair the harness and connector.
NOTE: In this case, repair the following:
  • Open circuit in harness between ignition coil and ignitor assembly and main relay connector
  • Poor contact in coupling connector
  • Blown out fuse
3. CHECK HARNESS OF IGNITION COIL AND IGNITOR ASSEMBLY GROUND CIRCUIT. 
  1. Turn the ignition switch to OFF.
  2. Measure the resistance between ignition coil and ignitor assembly connector and engine ground.

    Connector & terminal 

    (E12) No. 3 - Engine ground: 

Is the resistance less than 5 Ω? Go to step 4.  Repair the harness and connector.
NOTE: In this case, repair the following:
  • Open circuit in harness between ignition coil and ignitor assembly connector and engine grounding terminal
4. CHECK IGNITION COIL AND IGNITOR ASSEMBLY. 
  1. Remove the spark plug cords.
  2. Measure the resistance between spark plug cord contact portions to check secondary coil.

    Terminals 

    No. 1 - No. 2: 

    No. 3 - No. 4: 

Is the resistance 10 - 15 kΩ? Go to step 5.  Replace the ignition coil and ignitor assembly. < Ref. to IGNITION COIL AND IGNITOR ASSEMBLY . >
5. CHECK INPUT SIGNAL FOR IGNITION COIL AND IGNITOR ASSEMBLY. 
  1. Connect the connector to ignition coil and ignitor assembly.
  2. Check if voltage varies synchronously with engine speed when cranking, while monitoring voltage between ignition coil and ignitor assembly connector and engine ground.

    Connector & terminal 

    (E12) No. 1 (+) - Engine ground (-): 

    (E12) No. 4 (+) - Engine ground (-): 

Does the voltage vary more than 10 V? Go to step 6.  Replace the ignition coil and ignitor assembly. < Ref. to IGNITION COIL AND IGNITOR ASSEMBLY . >
6. CHECK HARNESS BETWEEN ECM AND IGNITION COIL AND IGNITOR ASSEMBLY CONNECTOR. 
  1. Turn the ignition switch to OFF.
  2. Disconnect the connector from ECM.
  3. Disconnect the connector from ignition coil and ignitor assembly.
  4. Measure the resistance of harness between ECM and ignition coil and ignitor assembly connector.

    Connector & terminal 

    (B135) No. 18 - (E12) No. 1: 

    (B135) No. 17 - (E12) No. 4: 

Is the resistance less than 1 Ω? Go to step 7.  Repair the harness and connector.
NOTE: In this case, repair the following:
  • Open circuit in harness between ECM and ignition coil and ignitor assembly connector
  • Poor contact in coupling connector
7. CHECK HARNESS BETWEEN ECM AND IGNITION COIL AND IGNITOR ASSEMBLY CONNECTOR. 
Measure the resistance of harness between ECM and engine ground.
Connector & terminal: 
(B135) No. 18 - Engine ground: 
(B135) No. 17 - Engine ground: 
Is the resistance more than 1 MΩ? Go to step 8.  Repair the ground short circuit in harness between ECM and ignition coil and ignitor assembly connector.
8. CHECK POOR CONTACT. 
Check poor contact in ECM connector.
Is there poor contact in ECM connector? Repair the poor contact in ECM connector. Check fuel pump circuit. < Ref. to , FUEL PUMP CIRCUIT , Diagnostics for Engine Starting Failure. >