LEMON Manuals: Even more car manuals for everyone: 1960-2025
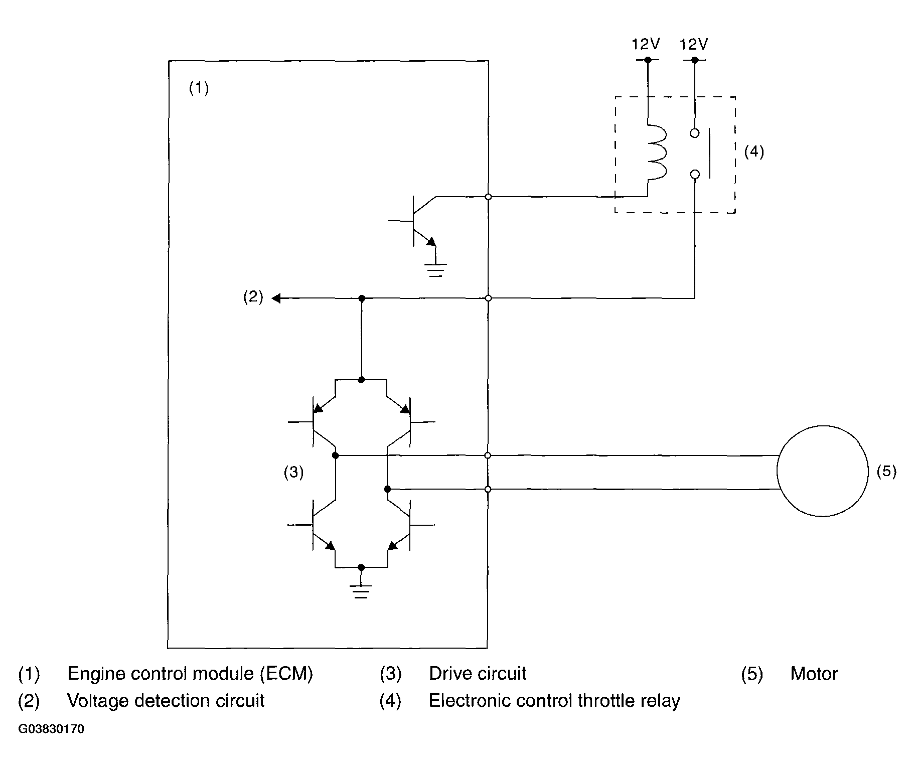
Home >> Subaru >> 2005 >> Outback XT Limited, Automatic >> Repair and Diagnosis (Single Page) >> Engine Performance >> System >> Diagnostic Trouble Code (DTC) Detecting Criteria (H4DOTC) >> Diagnostic Trouble Code (DTC) Detecting Criteria >> DTC P2102 Throttle Actuator Control Motor Circuit Low >> Component Description
April 5, 2026: LEMON Manuals is launched! Read the announcement.

Component Description

Fig 1: DTC P2102 Throttle Actuator Control Motor Circuit Low - Circuit Diagram
G03830170Courtesy of SUBARU OF AMERICA, INC.