LEMON Manuals: Even more car manuals for everyone: 1960-2025
Home >> Subaru >> 2005 >> Outback XT Limited, Automatic >> Repair and Diagnosis >> External Pages >> Different variant/trim >> Section 8 (Engine Controls - Engine (Diagnostics) (H4SO)) >> Diagnostic Procedure with Diagnostic Trouble Code (DTC) >> DTC P0222 Throttle/Pedal Position Sensor/Switch "B" Circuit Low Input
April 5, 2026: LEMON Manuals is launched! Read the announcement.

DTC P0222 Throttle/Pedal Position Sensor/Switch "B" Circuit Low Input

WARNING: This page is about a different variant/trim than selected.

DTC DETECTING CONDITION: 

TROUBLE SYMPTOM: 

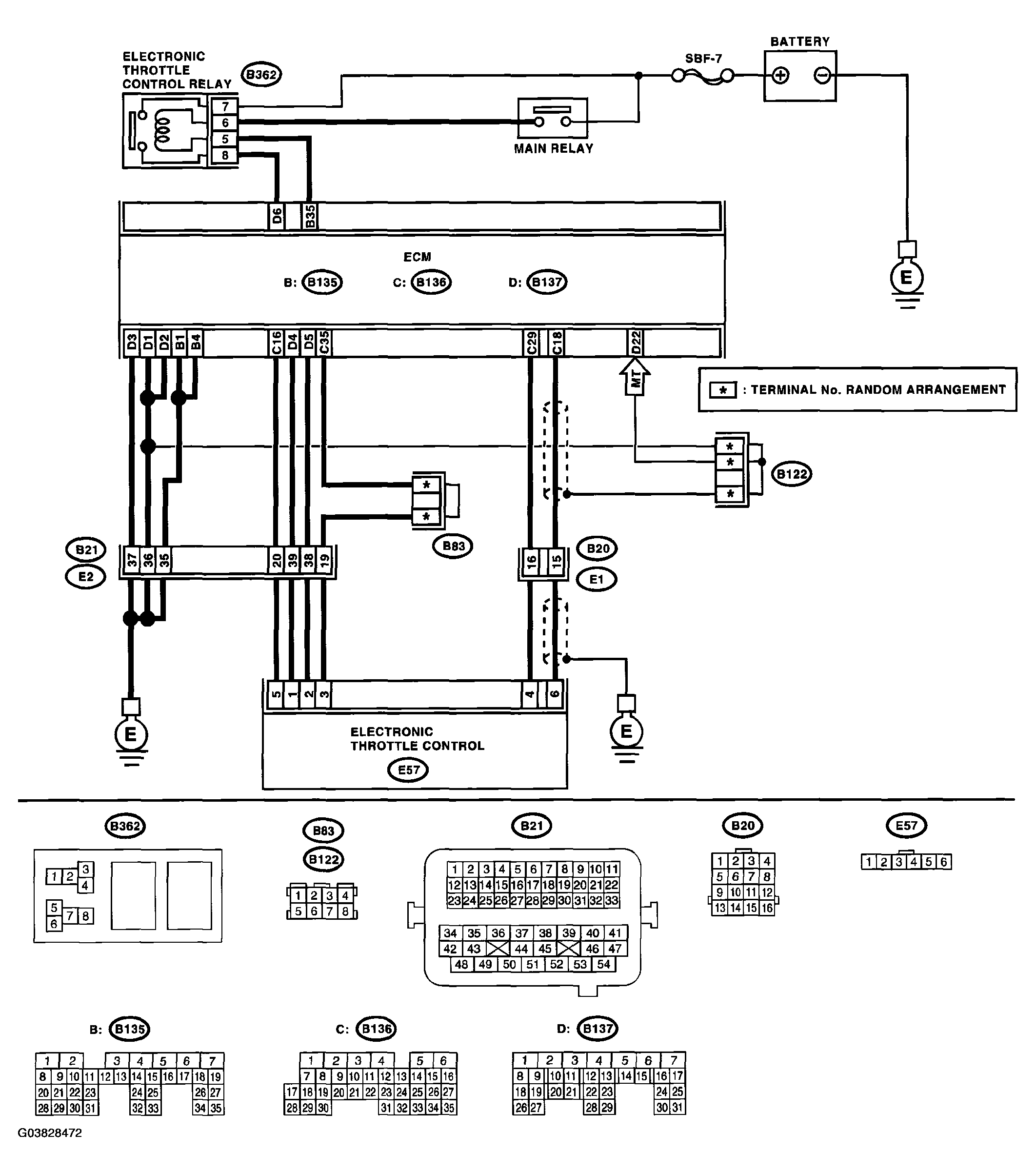
WIRING DIAGRAM: 

Fig 1: DTC P0222 Throttle/Pedal Position Sensor/Switch "B" Circuit Low Input
G03828472Courtesy of SUBARU OF AMERICA, INC.
DTC P0222 THROTTLE/PEDAL POSITION SENSOR/SWITCH "B" CIRCUIT LOW INPUT DIAGNOSIS

Step Check Yes No
1. CHECK OUTPUT VOLTAGE OF SENSOR. 
  1. Turn the ignition switch to ON.
  2. Read data of sub throttle sensor signal using Subaru Select Monitor.
NOTE:
  • Subaru Select Monitor

    For detailed operation procedure, refer to the "READ CURRENT DATA FOR ENGINE". < Ref. to , SUBARU SELECT MONITOR . >

Is the measured value more than 0.8 V? Go to step 2.  Go to step 3. 
2. CHECK POOR CONTACT IN CONNECTORS. 

Check poor contact in the connectors between the ECM and electronic throttle control.

Is there poor contact in the connectors between ECM and electronic throttle control? Repair the poor contact in connectors. Connector has returned to a normal condition at this time. A temporary poor contact of the connector may be the cause.
3. CHECK HARNESS BETWEEN ECM AND ELECTRONIC THROTTLE CONTROL. 
  1. Turn the ignition switch to OFF.
  2. Disconnect the connector from ECM.
  3. Disconnect the connector from electronic throttle control.
  4. Measure the resistance between the ECM connector and electronic throttle control connector.

    Connector & terminal 

    (B136) No. 29 - (E57) No. 4: 

    (B136) No. 16 - (E57) No. 5: 

Is the measured value less than 1 Ω? Go to step 4.  Repair the open harness connector.
4. CHECK HARNESS BETWEEN ECM AND ELECTRONIC THROTTLE CONTROL. 

Check the resistance between the ECM connector and chassis ground.

Connector & terminal 

(B136) No. 29 - Chassis ground: 

(B136) No. 16 - Chassis ground: 

Is the measured value more than 1 MΩ? Go to step 5.  Repair the chassis short of harness.
5. CHECK POWER SUPPLY TO SENSOR. 
  1. Connect the ECM connectors.
  2. Turn the ignition switch to ON.
  3. Measure the voltage between electronic throttle control connector and engine ground.

    Connector & terminal 

    (E57) No. 5 (+) - Engine ground (-): 

Is the measured value within 4.5 to 5.5 V? Go to step 6.  Repair the poor contact in ECM connector. If problem persists, replace the ECM. < Ref. to ENGINE CONTROL MODULE (ECM) . >
6. CHECK SHORT OF ECM. 
  1. Turn the ignition switch to OFF.
  2. Measure the resistance between electronic throttle control connector and engine ground.

    Connector & terminal 

    (E57) No. 4 - Engine ground: 

Is the measured value more than 10Ω? Repair the poor contact in electronic throttle control connector. If problem persists, replace the electronic throttle control. Repair the poor contact in ECM connectors. If problem persists, replace the ECM. < Ref. to ENGINE CONTROL MODULE (ECM) . >