LEMON Manuals: Even more car manuals for everyone: 1960-2025
Home >> Subaru >> 2005 >> Outback XT, Automatic >> Repair and Diagnosis >> Engine Performance >> System >> Engine Controls - Engine (Diagnostics) (H4DOTC) >> Diagnostic Procedure with Diagnostic Trouble Code (DTC) >> DTC P0223 Throttle/Pedal Position Sensor/Switch "B" Circuit High Input
April 5, 2026: LEMON Manuals is launched! Read the announcement.

DTC P0223 Throttle/Pedal Position Sensor/Switch "B" Circuit High Input

DTC DETECTING CONDITION: 

TROUBLE SYMPTOM: 

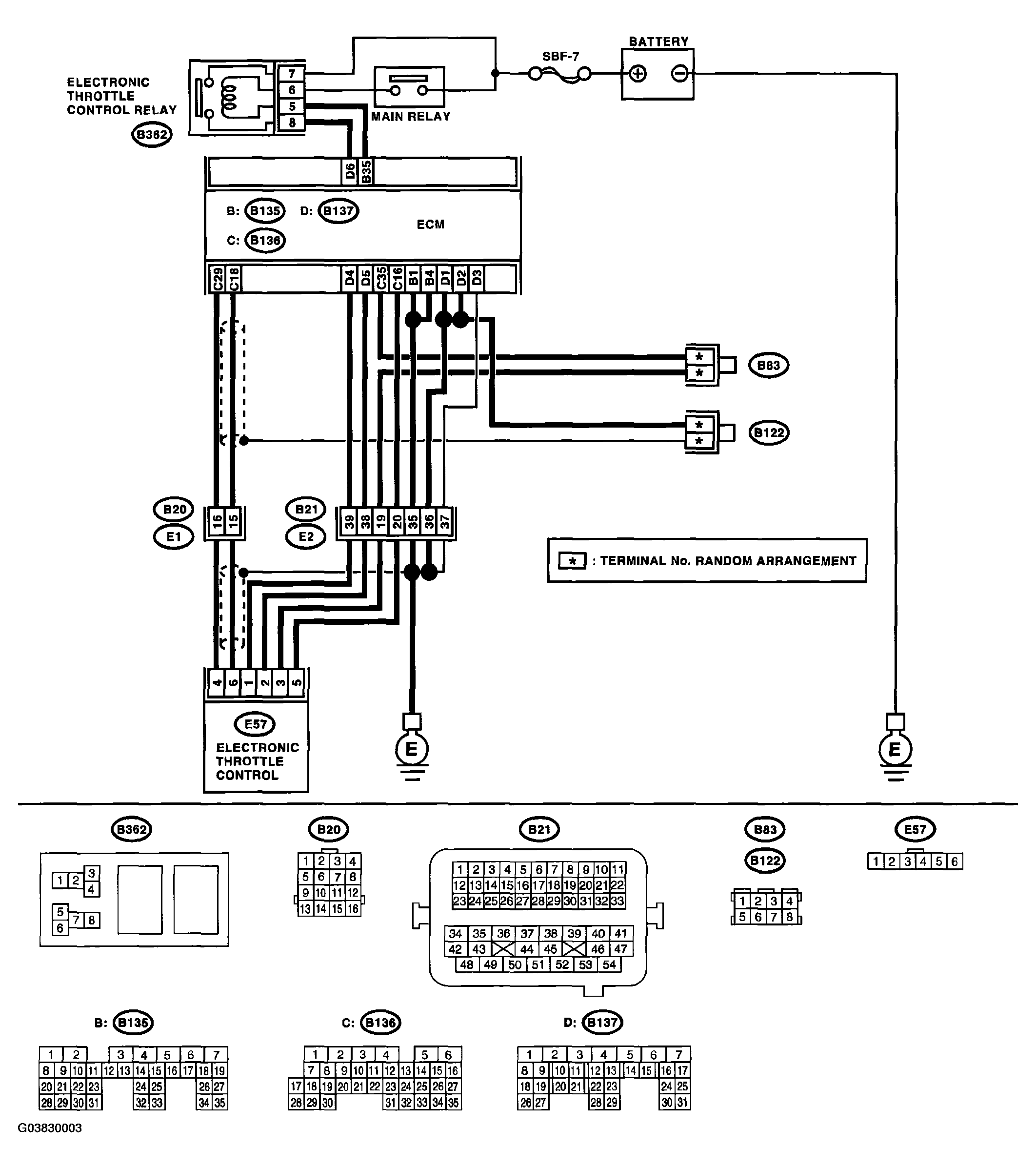
WIRING DIAGRAM: 

Fig 1: Wiring Diagram - DTC P0223 Throttle/Pedal Position Sensor/Switch "B" Circuit High Input
G03830003Courtesy of SUBARU OF AMERICA, INC.
DIAGNOSTIC PROCEDURE (DTC P0223)

Step Check Yes No

CHECK SENSOR OUTPUT. 
  1. Turn the ignition switch to ON.
  2. Read the data of sub throttle sensor signal using Subaru Select Monitor.
NOTE:
  • Subaru Select Monitor

    For detailed operation procedure, refer to the "READ CURRENT DATA FOR ENGINE". < Ref. to , SUBARU SELECT MONITOR . >

Is the voltage less than 4.73 V? Go to step 2. Go to step 3.

CHECK POOR CONTACT. 
Check the poor contact in connector between ECM and electronic throttle control.
Is there poor contact in connector between ECM and electronic throttle control? Repair the poor contact. Temporary poor contact occurred, but it is normal at present.

CHECK HARNESS BETWEEN ECM AND ELECTRONIC THROTTLE CONTROL. 
  1. Turn the ignition switch to OFF.
  2. Disconnect the connector from ECM.
  3. Disconnect the connectors from the electronic throttle control control.
  4. Measure the resistance between ECM connector and electronic throttle control connector.

    Connector & terminal 

    (B136) No. 35 - (E57) No. 3: 

    B136 No. 29 - (E57) No. 4: 

Is the resistance less than 1 ? Go to step 4.  Repair the open circuit of harness connector.

CHECK HARNESS BETWEEN ECM AND ELECTRONIC THROTTLE CONTROL. 
  1. Connect the ECM connector.
  2. Turn the ignition switch to ON.
  3. Measure the voltage between electronic throttle control connector and engine ground.

    Connector & terminal 

    (E57) No. 4 (+) - Engine ground (-): 

Is the voltage less than 10 V? Go to step 5.  Repair the battery short circuit in harness between ECM connector and electronic throttle control connector.

CHECK HARNESS BETWEEN ECM AND ELECTRONIC THROTTLE CONTROL. 
  1. Turn the ignition switch to OFF.
  2. Disconnect the connector from ECM.
  3. Measure the resistance between connector terminals.

    Connector & terminal 

    (B136) No. 29 - (B136) No. 16: 

Is the resistance more than 1 M? Repair the poor contact. Repair the electronic throttle control. Sensor power supply circuit may be shorted.