LEMON Manuals: Even more car manuals for everyone: 1960-2025
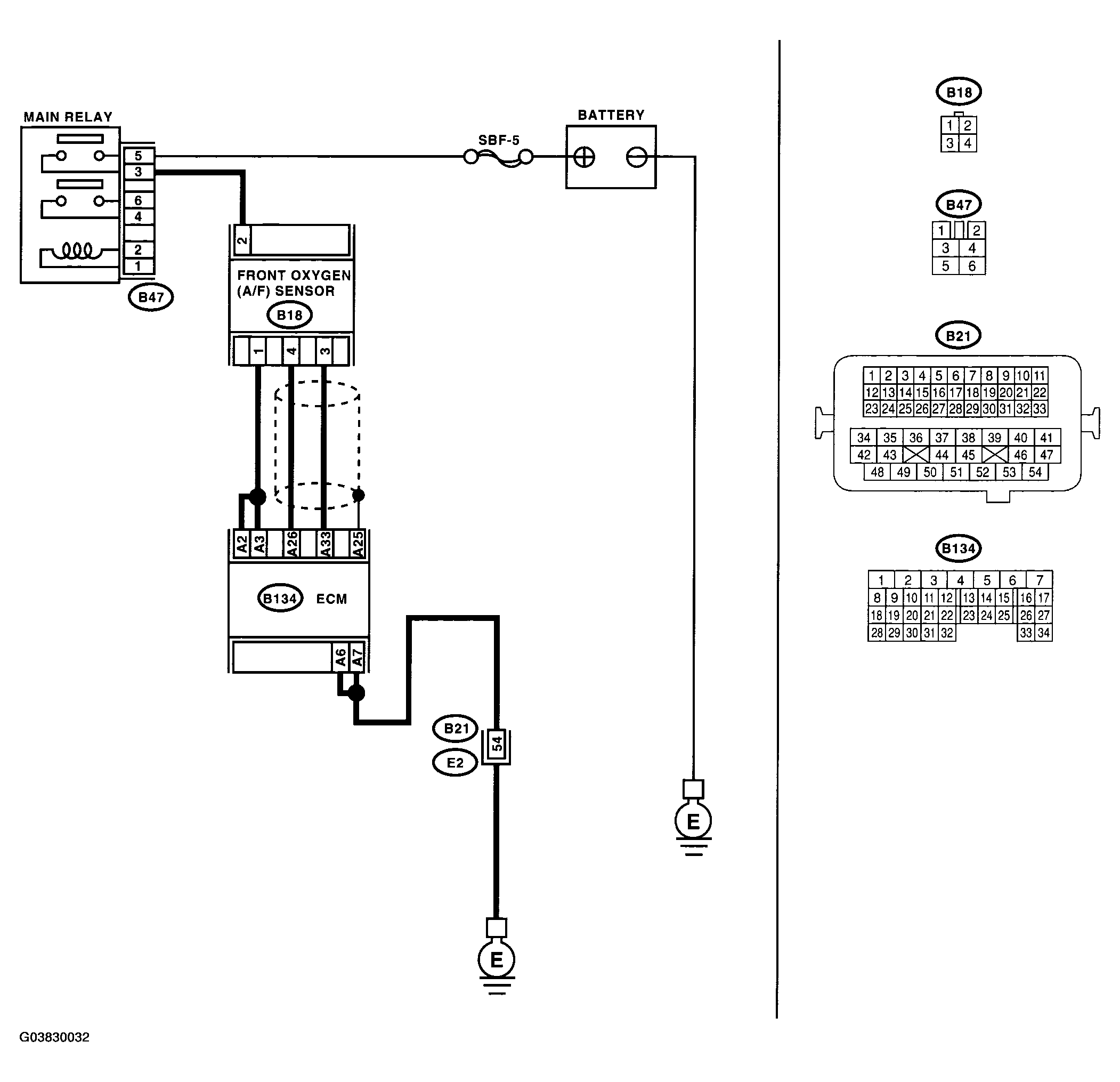
Home >> Subaru >> 2005 >> Outback XT, Automatic >> Repair and Diagnosis >> Engine Performance >> System >> Engine Controls - Engine (Diagnostics) (H4DOTC) >> Diagnostic Procedure with Diagnostic Trouble Code (DTC) >> DTC P1153 O2 Sensor Circuit Range/Performance (High) (Bank 1 Sensor 1) >> Wiring Diagram:
April 5, 2026: LEMON Manuals is launched! Read the announcement.

Wiring Diagram:

Fig 1: Wiring Diagram - DTC P1153 O2 Sensor Circuit Range/Performance (High) (Bank 1 Sensor 1)
G03830032Courtesy of SUBARU OF AMERICA, INC.
DIAGNOSTIC PROCEDURE (DTC P1153)

Step Check Yes No

CHECK FOR ANY OTHER DTC ON DISPLAY. 
Is any other DTC displayed? Inspect the relevant DTC using "List of Diagnostic Trouble Code (DTC)". < Ref. to , LIST OF DIAGNOSTIC TROUBLE CODE (DTC) . > Go to step 2. 

CHECK FRONT OXYGEN (A/F) SENSOR DATA. 
  1. Start engine.
  2. While observing the Subaru Select Monitor or OBD-II general scan tool screen, warm-up the engine until coolant temperature is above 75°C (167°F).

    If the engine is already warmed-up, operate at idle speed for at least 1 minute.

  3. Read data of front oxygen (A/F) sensor signal using Subaru Select Monitor or OBD-II general scan tool.
NOTE:
  • Subaru Select Monitor

    For detailed operation procedure, refer to the "READ CURRENT DATA FOR ENGINE". < Ref. to , SUBARU SELECT MONITOR . >

  • OBD-II general scan tool

    For detailed operation procedures, refer to the OBD-II general scan tool instruction manual .

Is the measured value within 0.86 - 1.15 at idle? Go to step 3. Go to step 4.

CHECK REAR OXYGEN SENSOR SIGNAL. 
  1. Race engine at speeds from idling to 5,000 rpm for a total of 5 cycles.
    NOTE: To increase engine speed to 5,000 rpm, slowly depress accelerator pedal, taking approximately 5 seconds, and quickly release accelerator pedal to decrease engine speed.
  2. Operate the LED operation mode for engine.
NOTE:
  • Subaru Select Monitor

    For detailed operation procedure, refer to the "LED OPERATION MODE FOR ENGINE".

    < Ref. to , SUBARU SELECT MONITOR . >

Does the LED of {Rear O2 Rich Signal} blink? Check front oxygen (A/F) sensor circuit. Check rear oxygen sensor circuit.
< Ref. to REAR OXYGEN SENSOR . >

CHECK EXHAUST SYSTEM. 
Check exhaust system parts.
NOTE: Check the following items.
  • Loose installation of portions
  • Damage (crack, hole etc.) of parts
  • Looseness of front oxygen (A/F) sensor
  • Looseness and ill fitting of parts between front oxygen (A/F) sensor and rear oxygen sensor
Is there any fault in exhaust system? Repair or replace faulty parts. Replace front oxygen (A/F) sensor.
< Ref. to FRONT OXYGEN (A/F) SENSOR . >