LEMON Manuals: Even more car manuals for everyone: 1960-2025
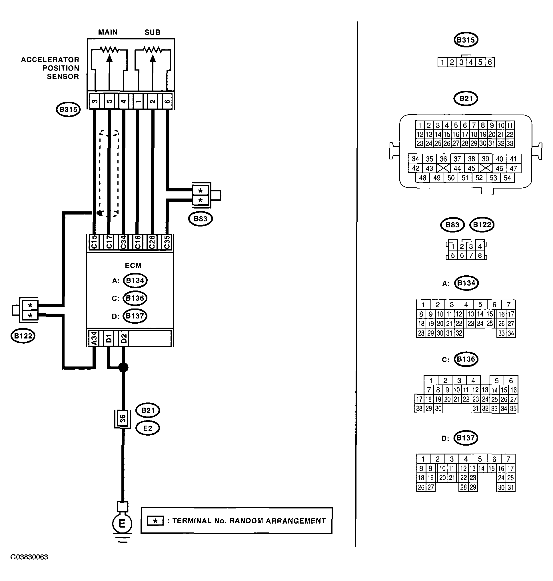
Home >> Subaru >> 2005 >> Outback XT, Automatic >> Repair and Diagnosis >> Engine Performance >> System >> Engine Controls - Engine (Diagnostics) (H4DOTC) >> Diagnostic Procedure with Diagnostic Trouble Code (DTC) >> DTC P2127 Throttle/Pedal Position Sensor/Switch "E" Circuit Low Input >> Wiring Diagram:
April 5, 2026: LEMON Manuals is launched! Read the announcement.

Wiring Diagram:

Fig 1: Wiring Diagram - DTC P2127 Throttle/Pedal Position Sensor/Switch "E" Circuit Low Input
G03830063Courtesy of SUBARU OF AMERICA, INC.
DIAGNOSTIC PROCEDURE (DTC P2127)

Step Check Yes No

CHECK ACCELERATOR POSITION SENSOR OUTPUT. 
  1. Turn the ignition switch to ON.
  2. Read the data of sub accelerator position sensor signal using Subaru Select Monitor.
NOTE:
  • Subaru Select Monitor

    For detailed operation procedure, refer to the "READ CURRENT DATA FOR ENGINE". < Ref. to , SUBARU SELECT MONITOR . >

Is the voltage more than 0.4 V? Go to step 2. Go to step 3.

CHECK POOR CONTACT. 
Check poor contact in connector between ECM and accelerator position sensor.
Is there poor contact? Repair the poor contact. Temporary poor contact occurred, but it is normal at present.

CHECK HARNESS BETWEEN ECM AND ACCELERATOR POSITION SENSOR. 
  1. Turn the ignition switch to OFF.
  2. Disconnect the connector from ECM.
  3. Disconnect the connector from the accelerator position sensor.
  4. Measure the resistance between ECM connector and accelerator position sensor connector.

    Connector & terminal 

    (B136) No. 28 - (B315) No. 2: 

    (B136) No. 16 - (B315) No. 1: 

Is the resistance less than 1 ? Go to step 4.  Repair the open circuit of harness connector.

CHECK HARNESS BETWEEN ECM AND ACCELERATOR POSITION SENSOR. 
Measure the resistance between ECM connector and chassis ground.
Connector & terminal 
(B136) No. 28 - Chassis ground: 
(B136) No. 16 - Chassis ground: 
Is the resistance more than 1 M? Go to step 5.  Repair the chassis short circuit of harness.

CHECK POWER SUPPLY OF ACCELERATOR POSITION SENSOR. 
  1. Connect the ECM connector.
  2. Turn the ignition switch to ON.
  3. Measure the voltage between accelerator position sensor connector and chassis ground.

    Connector & terminal 

    (B315) No. 1 (+) - Chassis ground (-): 

Is the voltage 4.5 - 5.5 V? Go to step 6.  Repair the poor contact in ECM connector.
Replace the ECM if defective. < Ref. to ENGINE CONTROL MODULE (ECM) . >

CHECK ACCELERATOR POSITION SENSOR. 
Measure the resistance of accelerator position sensor.
Terminals 
No. 1 - No. 6: 
Is the resistance 0.75 - 3.15 K? Go to step 7.  Replace the accelerator position sensor.

CHECK ACCELERATOR POSITION SENSOR. 
  1. Measure the resistance of accelerator position sensor.

    Terminals 

    No. 2 - No. 6: 

  2. Check the measured value is within the specification without depressing the accelerator pedal.
Is the resistance 0.15 - 0.63 K? Go to step 8.  Replace the accelerator position sensor.

CHECK ACCELERATOR POSITION SENSOR. 
  1. Measure the resistance of accelerator position sensor.

    Terminals 

    No. 2 - No. 6: 

  2. Check the measured value is within the specification with the accelerator pedal depressed.
Is the resistance 0.28 - 1.68 K? Repair the poor contact in ECM connector.
Replace the ECM if defective. < Ref. to ENGINE CONTROL MODULE (ECM) . >
Replace the accelerator position sensor.