LEMON Manuals: Even more car manuals for everyone: 1960-2025
Home >> Subaru >> 2005 >> Outback XT, Automatic >> Repair and Diagnosis >> External Pages >> Different variant/trim >> Section 12 (Engine Controls - Engine (Diagnostics) (H4SO U5 (PZEV))) >> Diagnostic Procedure with Diagnostic Trouble Code (DTC) >> DTC P0133 O2 Sensor Circuit Slow Response (Bank 1 Sensor 1)
April 5, 2026: LEMON Manuals is launched! Read the announcement.

DTC P0133 O2 Sensor Circuit Slow Response (Bank 1 Sensor 1)

WARNING: This page is about a different variant/trim than selected.

DTC DETECTING CONDITION: 

CAUTION: After repair or replacement of faulty parts, conduct Clear Memory Mode < Ref. to , OPERATION , Clear Memory Mode.> and Inspection Mode < Ref. to , OPERATION , Clear Memory Mode.>.

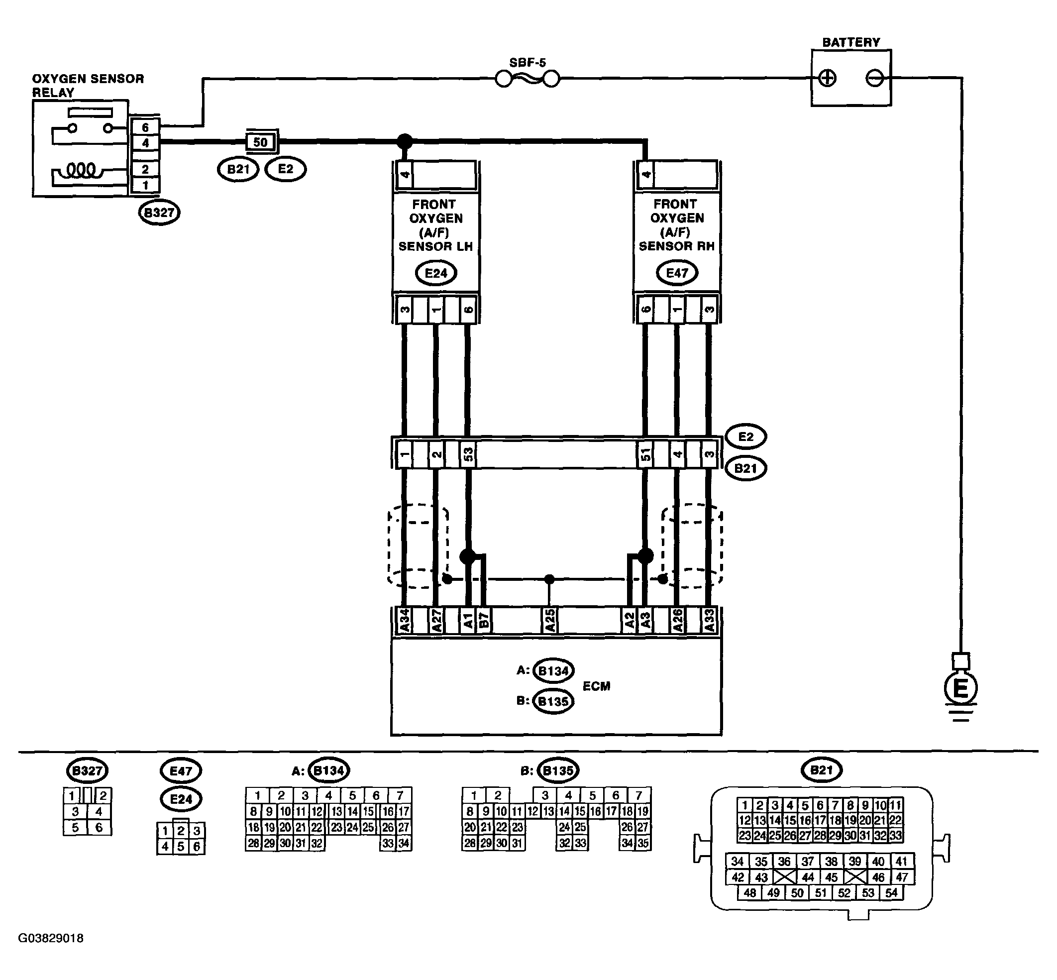
WIRING DIAGRAM: 

Fig 1: Wiring Diagram - DTC P0133 O2 Sensor Circuit Slow Response (Bank 1 Sensor 1)
G03829018Courtesy of SUBARU OF AMERICA, INC.
DTC P0133 DIAGNOSTIC PROCEDURE

Step Check Yes No
1. CHECK FOR ANY OTHER DTC ON DISPLAY.  Is any other DTC displayed? Check DTC using "List of Diagnostic Trouble Code (DTC)". < Ref. to , LIST OF DIAGNOSTIC TROUBLE CODE (DTC) . >
NOTE: In this case, it is not necessary to inspect DTC P0133.
Go to step 2. 
2. CHECK EXHAUST SYSTEM. 
NOTE: Check the following items.
  • Loose installation of exhaust pipe
  • Damage of exhaust pipe resulting in a hole
Is there any fault in exhaust system? Repair or replace the faulty part. Replace the front oxygen (A/F) sensor. < Ref. to FRONT OXYGEN (A/F) SENSOR . >