LEMON Manuals: Even more car manuals for everyone: 1960-2025
Home >> Subaru >> 2005 >> Outback XT, Automatic >> Repair and Diagnosis >> External Pages >> Different variant/trim >> Section 12 (Engine Controls - Engine (Diagnostics) (H4SO U5 (PZEV))) >> Diagnostic Procedure with Diagnostic Trouble Code (DTC) >> DTC P0134 O2 Sensor Circuit No Activity Detected (Bank 1 Sensor 1)
April 5, 2026: LEMON Manuals is launched! Read the announcement.

DTC P0134 O2 Sensor Circuit No Activity Detected (Bank 1 Sensor 1)

WARNING: This page is about a different variant/trim than selected.

DTC DETECTING CONDITION: 

CAUTION: After repair or replacement of faulty parts, conduct Clear Memory Mode < Ref. to , OPERATION , Clear Memory Mode.> and Inspection Mode < Ref. to , OPERATION , Inspection Mode.>.

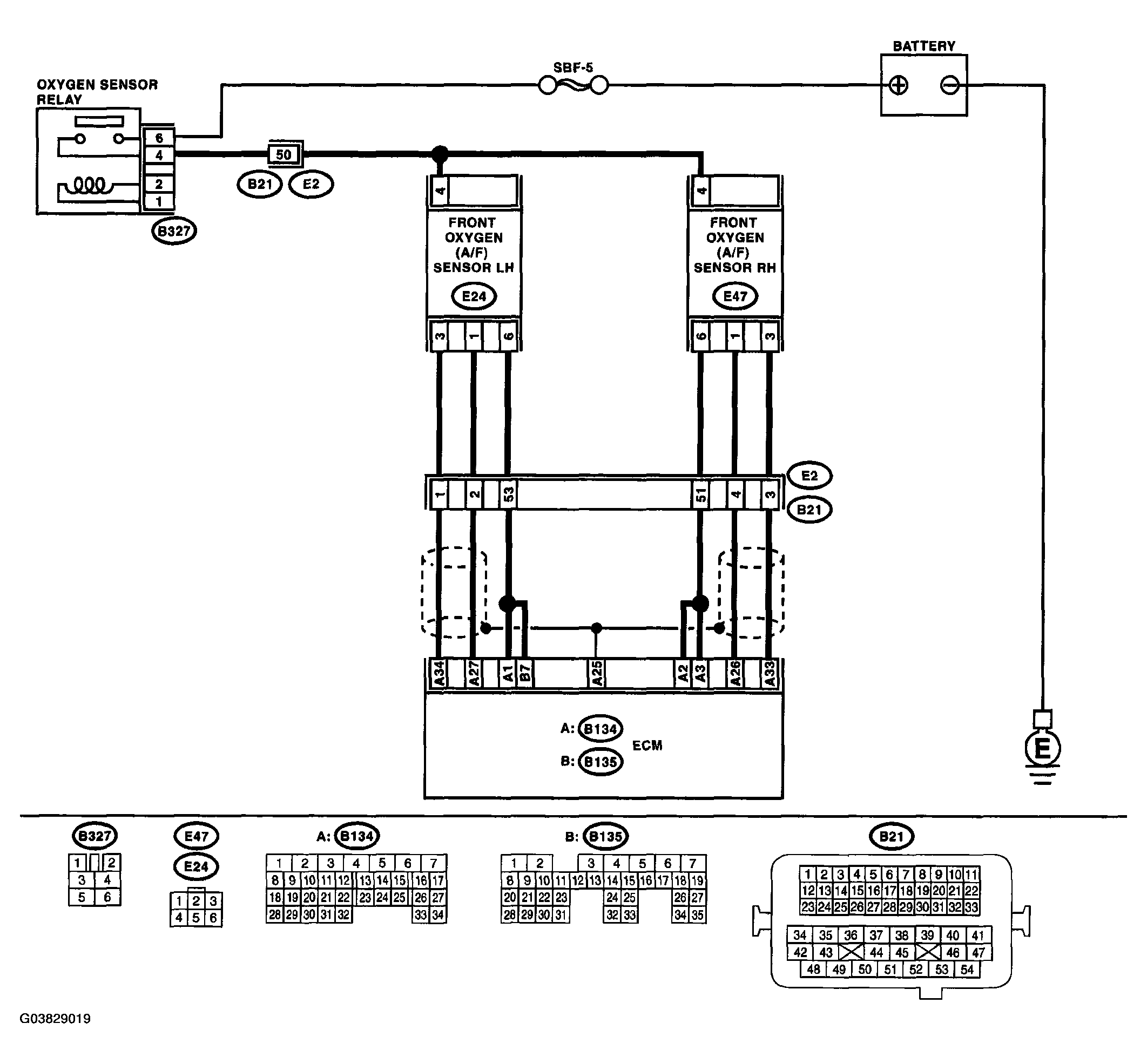
WIRING DIAGRAM: 

Fig 1: Wiring Diagram - DTC P0134 O2 Sensor Circuit No Activity Detected (Bank 1 Sensor 1)
G03829019Courtesy of SUBARU OF AMERICA, INC.
DTC P0134 DIAGNOSTIC PROCEDURE

Step Check Yes No
1. CHECK HARNESS BETWEEN ECM AND FRONT OXYGEN (A/F) SENSOR CONNECTOR. 
  1. Turn the ignition switch to OFF.
  2. Disconnect the connectors from ECM and front oxygen (A/F) sensor connector.
  3. Measure the resistance of harness between ECM and front oxygen (A/F) sensor connector.

    Connector & terminal 

    (B134) No. 26 - (E47) No. 1: 

    (B134) No. 33 - (E47) No. 3: 

Is the measured value less than 1 Ω? Go to step 2.  Repair harness and connector.
NOTE: In this case, repair the following:
  • Open circuit in harness between ECM and front
  • oxygen (A/F) sensor connector
  • Poor contact in front oxygen (A/F) sensor connector
  • Poor contact in ECM connector
2. CHECK POOR CONTACT. 
Check poor contact in front oxygen (A/F) sensor connector.
is there poor contact in front oxygen (A/F) sensor connector? Repair poor contact in front oxygen (A/F) sensor connector. Replace the front oxygen (A/F) sensor. < Ref. to FRONT OXYGEN (A/F) SENSOR . >