LEMON Manuals: Even more car manuals for everyone: 1960-2025
Home >> Subaru >> 2005 >> Outback XT, Automatic >> Repair and Diagnosis >> External Pages >> Different variant/trim >> Section 12 (Engine Controls - Engine (Diagnostics) (H4SO U5 (PZEV))) >> Diagnostic Procedure with Diagnostic Trouble Code (DTC) >> DTC P0139 O2 Sensor Circuit Slow Response (Bank 1 Sensor 2)
April 5, 2026: LEMON Manuals is launched! Read the announcement.

DTC P0139 O2 Sensor Circuit Slow Response (Bank 1 Sensor 2)

WARNING: This page is about a different variant/trim than selected.

DTC DETECTING CONDITION: 

CAUTION: After repair or replacement of faulty parts, conduct Clear Memory Mode < Ref. to , OPERATION , Clear Memory Mode.> and Inspection Mode < Ref. to , OPERATION , Inspection Mode.>.

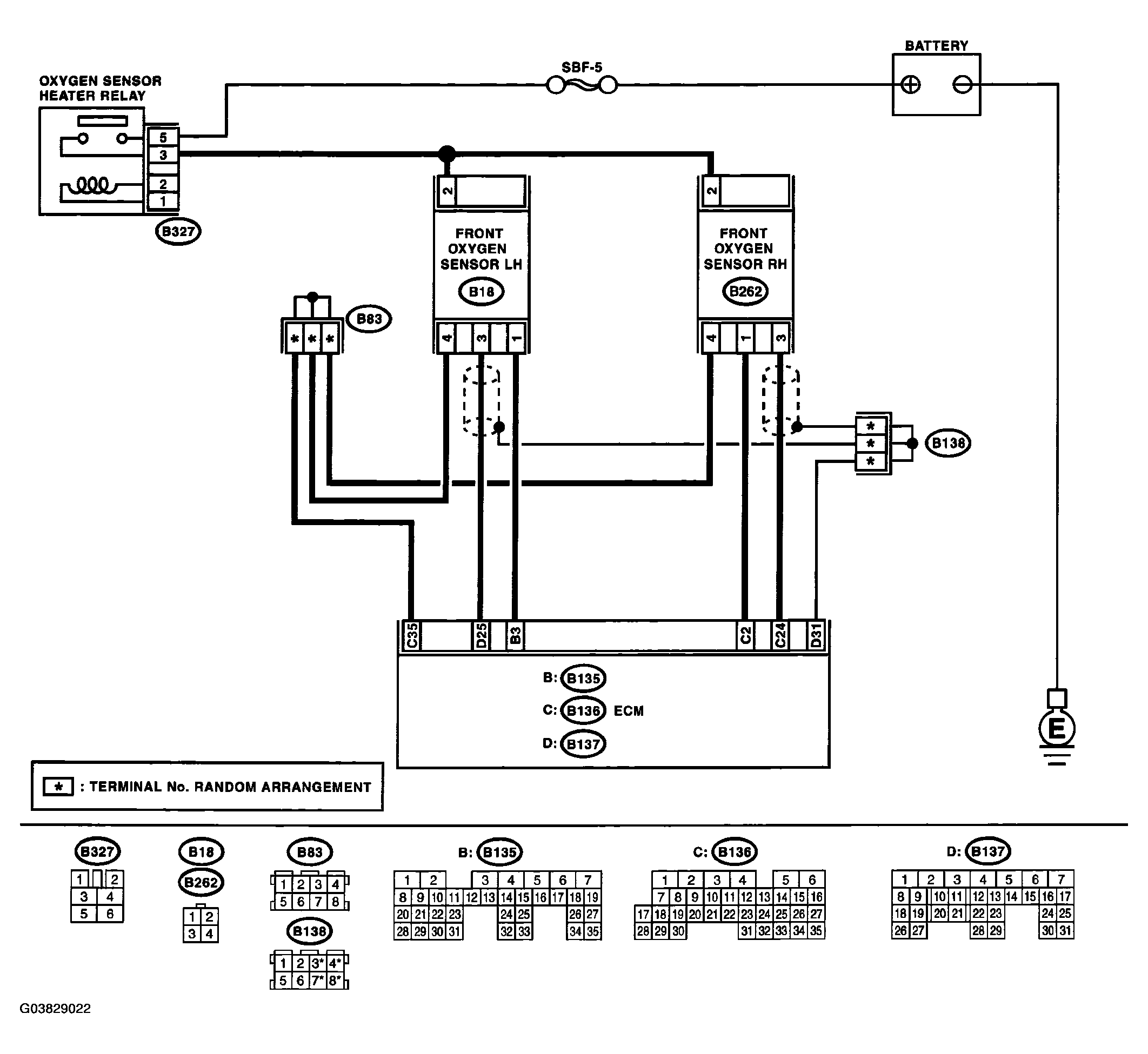
WIRING DIAGRAM: 

Fig 1: Wiring Diagram - DTC P0139 O2 Sensor Circuit Slow Response (Bank 1 Sensor 2)
G03829022Courtesy of SUBARU OF AMERICA, INC.
DTC P0139 DIAGNOSTIC PROCEDURE

Step Check Yes No
1. CHECK FOR ANY OTHER DTC ON DISPLAY.  Is any other DTC displayed? Check DTC using "List of Diagnostic Trouble Code (DTC)". < Ref. to , LIST OF DIAGNOSTIC TROUBLE CODE (DTC) . >
NOTE: In this case, it is not necessary to inspect DTC P0139.
Go to step 2. 
2. CHECK HARNESS BETWEEN ECM AND FRONT OXYGEN SENSOR CONNECTOR. 
  1. Turn the ignition switch to OFF.
  2. Disconnect the connectors from ECM and front oxygen sensor.
  3. Measure the resistance of harness between ECM and front oxygen sensor connector.

    Connector & terminal 

    (B137) No. 24 - (B262) No. 3: 

Is the resistance less than 1 Ω? Go to step 3.  Repair open circuit in harness between ECM and front oxygen sensor connector.
3. CHECK HARNESS BETWEEN REAR OXYGEN SENSOR AND ECM CONNECTOR. 
Measure the resistance between rear oxygen sensor harness connector and chassis ground.

Connector & terminal 

(B262) No. 3 - Chassis ground: 

Is the resistance more than 1 Ω? Go to step 4.  Repair short circuit to ground in harness.
4. CHECK FRONT OXYGEN SENSOR DATA. 
Measure the resistance between connector terminals of front oxygen sensor.

Terminals 

No. 3 - No. 4: 

Is the resistance less than 1 Ω? Replace the front oxygen sensor. < Ref. to FRONT OXYGEN SENSOR . > A temporary poor contact occurs. Check poor contact in connector.