LEMON Manuals: Even more car manuals for everyone: 1960-2025
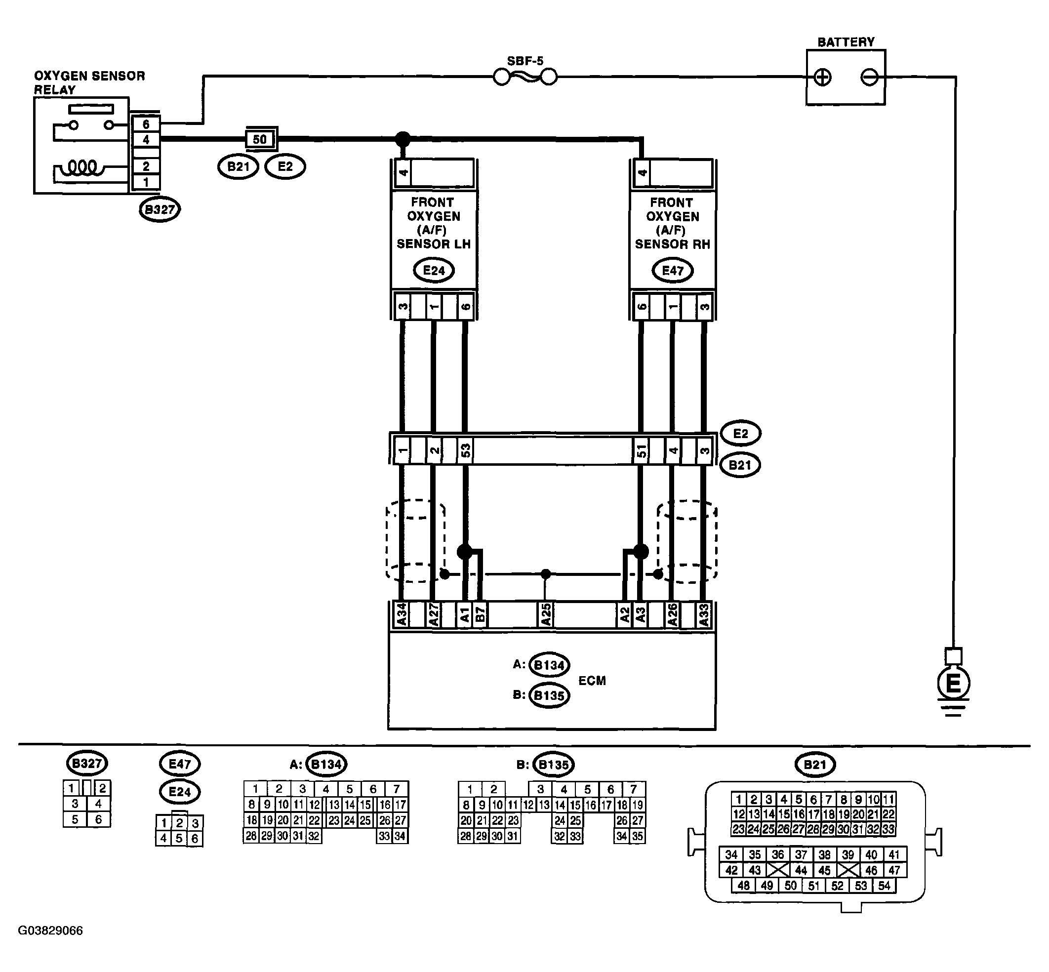
Home >> Subaru >> 2005 >> Outback i, Automatic >> Repair and Diagnosis (Single Page) >> Engine Performance >> System >> Engine Controls - Engine (Diagnostics) (H4SO U5 (PZEV)) >> Diagnostic Procedure with Diagnostic Trouble Code (DTC) >> DTC P1152 O2 Sensor Circuit Range/Performance (Low) (Bank1 Sensor1) >> Wiring Diagram:
April 5, 2026: LEMON Manuals is launched! Read the announcement.

Wiring Diagram:

Fig 1: Wiring Diagram - DTC P1152 O2 Sensor Circuit Range/Performance (Low) (Bank1 Sensor1)
G03829066Courtesy of SUBARU OF AMERICA, INC.
DTC P1152 DIAGNOSTIC PROCEDURE

Step Check Yes No
1. CHECK HARNESS BETWEEN ECM AND FRONT OXYGEN (A/F) SENSOR CONNECTOR. 
  1. Turn the ignition switch to OFF.
  2. Disconnect the connectors from ECM and front oxygen (A/F) sensor connector.
  3. Measure the resistance of harness between ECM and front oxygen (A/F) sensor connector.

    Connector & terminal 

    (B134) No. 26 - (E47) No. 1: 

    (B134) 33 - (E47) No. 3: 

Is the measured value less than 1 Ω? Go to step 2.  Repair the harness and connector.
NOTE: In this case, repair the following:
  • Open circuit in harness between ECM and front oxygen (A/F) sensor connector
  • Poor contact in front oxygen (A/F) sensor connector
  • Poor contact in ECM connector
2. CHECK POOR CONTACT. 
Check poor contact in front oxygen (A/F) sensor connector.
Is there poor contact in front oxygen (A/F) sensor connector? Repair the poor contact in front oxygen (A/F) sensor connector. Replace the front oxygen (A/F) sensor. < Ref. to FRONT OXYGEN (A/F) SENSOR . >