LEMON Manuals: Even more car manuals for everyone: 1960-2025
Home >> Subaru >> 2005 >> Outback i, Automatic >> Repair and Diagnosis (Single Page) >> Engine Performance >> System >> Engine Controls - Engine (Diagnostics) (H4SO) >> Diagnostic Procedure with Diagnostic Trouble Code (DTC) >> DTC P0139 O2 Sensor Circuit Slow Response (Bank 1 Sensor 2)
April 5, 2026: LEMON Manuals is launched! Read the announcement.

DTC P0139 O2 Sensor Circuit Slow Response (Bank 1 Sensor 2)

DTC DETECTING CONDITION: 

CAUTION: After repair or replacement of faulty parts, conduct Clear Memory Mode < Ref. to , OPERATION , Clear Memory Mode.> and Inspection Mode < Ref. to , PROCEDURE , Inspection Mode.>.

WIRING DIAGRAM: 

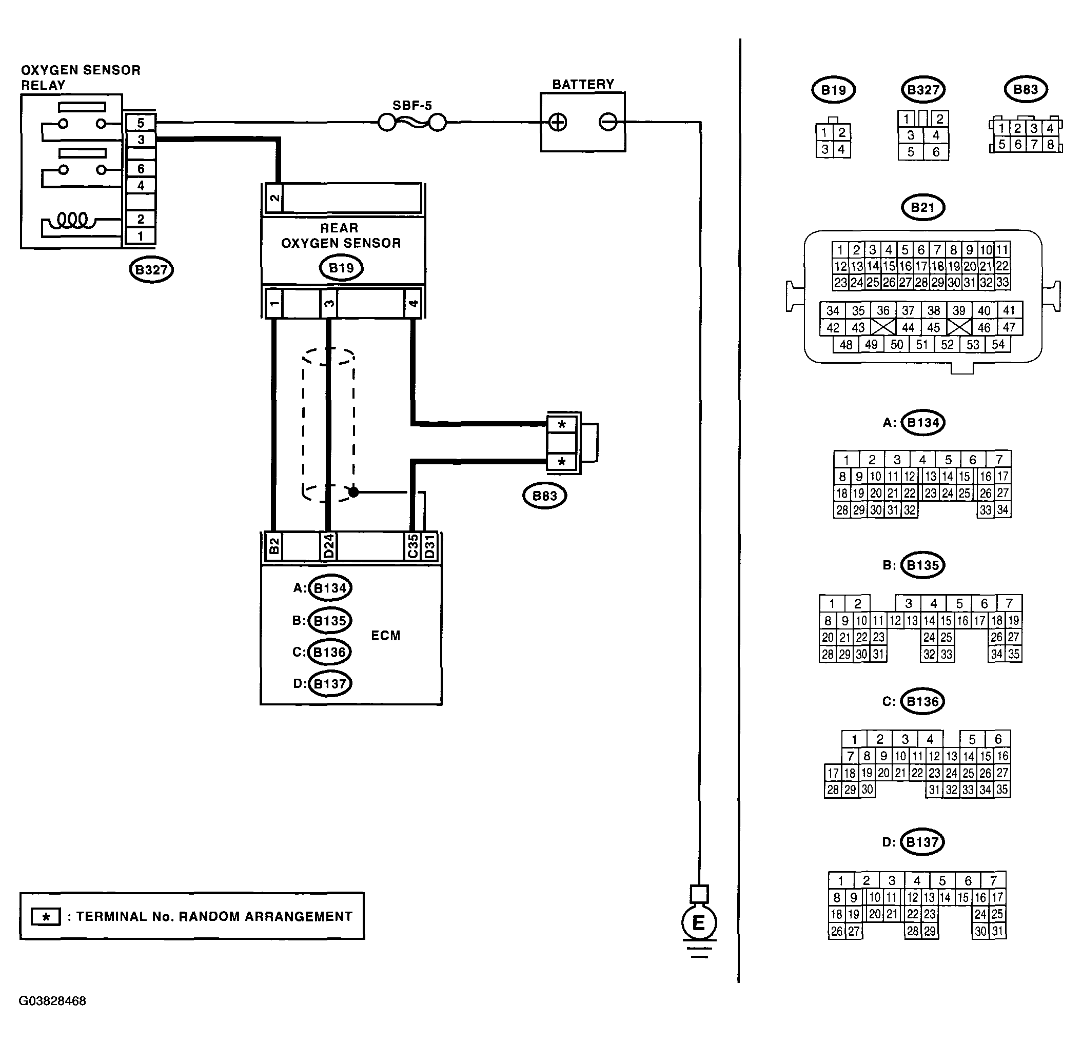
Fig 1: DTC P0139 O2 Sensor Circuit Slow Response (Bank 1 Sensor 2)
G03828468Courtesy of SUBARU OF AMERICA, INC.
DTC P0139 O2 SENSOR CIRCUIT SLOW RESPONSE (BANK 1 SENSOR 2) DIAGNOSIS

Step Check Yes No
1. CHECK FOR ANY OTHER DTC ON DISPLAY.  Is any other DTC displayed? Check DTC using "List of Diagnostic Trouble Code (DTC)". < Ref. to , LIST OF DIAGNOSTIC TROUBLE CODE (DTC) . >
NOTE: In this case, it is not necessary to inspect DTC P0139.
Go to step 2. 
2. CHECK HARNESS BETWEEN ECM AND REAR OXYGEN SENSOR CONNECTOR. 
  1. Turn the ignition switch to OFF.
  2. Disconnect the connectors from ECM and rear oxygen sensor.
  3. Measure the resistance of harness between ECM and rear oxygen sensor connector.

    Connector & terminal 

    (B137) No. 24 - (B19) No. 3: 

Is the resistance less than 1 Ω? Go to step 3.  Repair open circuit in harness between ECM and rear oxygen sensor connector.
3. CHECK HARNESS BETWEEN REAR OXYGEN SENSOR AND ECM CONNECTOR. 
Measure the resistance between rear oxygen sensor harness connector and chassis ground.

Connector & terminal 

(B19) No. 3 - Chassis ground: 

Is the resistance more than 1 MΩ? Go to step 4.  Repair short circuit to ground in harness.
4. CHECK REAR OXYGEN SENSOR DATA. 
Measure the resistance between connector terminals of rear oxygen sensor.
Terminals 
No. 3 - No. 4: 
Is the resistance less than 1 Ω? Replace the rear oxygen sensor. < Ref. to REAR OXYGEN SENSOR . > A temporary poor compact occurs. Check poor contact in connector.