LEMON Manuals: Even more car manuals for everyone: 1960-2025
Home >> Subaru >> 2005 >> Outback i, Standard >> Repair and Diagnosis >> External Pages >> Different variant/trim >> Section 19 (Engine Controls - Engine (Diagnostics) (H6DO)) >> Diagnostic Procedure with Diagnostic Trouble Code (DTC) >> DTC P0222 Throttle/Pedal Position Sensor/Switch "B" Circuit Low Input
April 5, 2026: LEMON Manuals is launched! Read the announcement.

DTC P0222 Throttle/Pedal Position Sensor/Switch "B" Circuit Low Input

WARNING: This page is about a different variant/trim than selected.

DTC DETECTING CONDITION  :

TROUBLE SYMPTOM  :

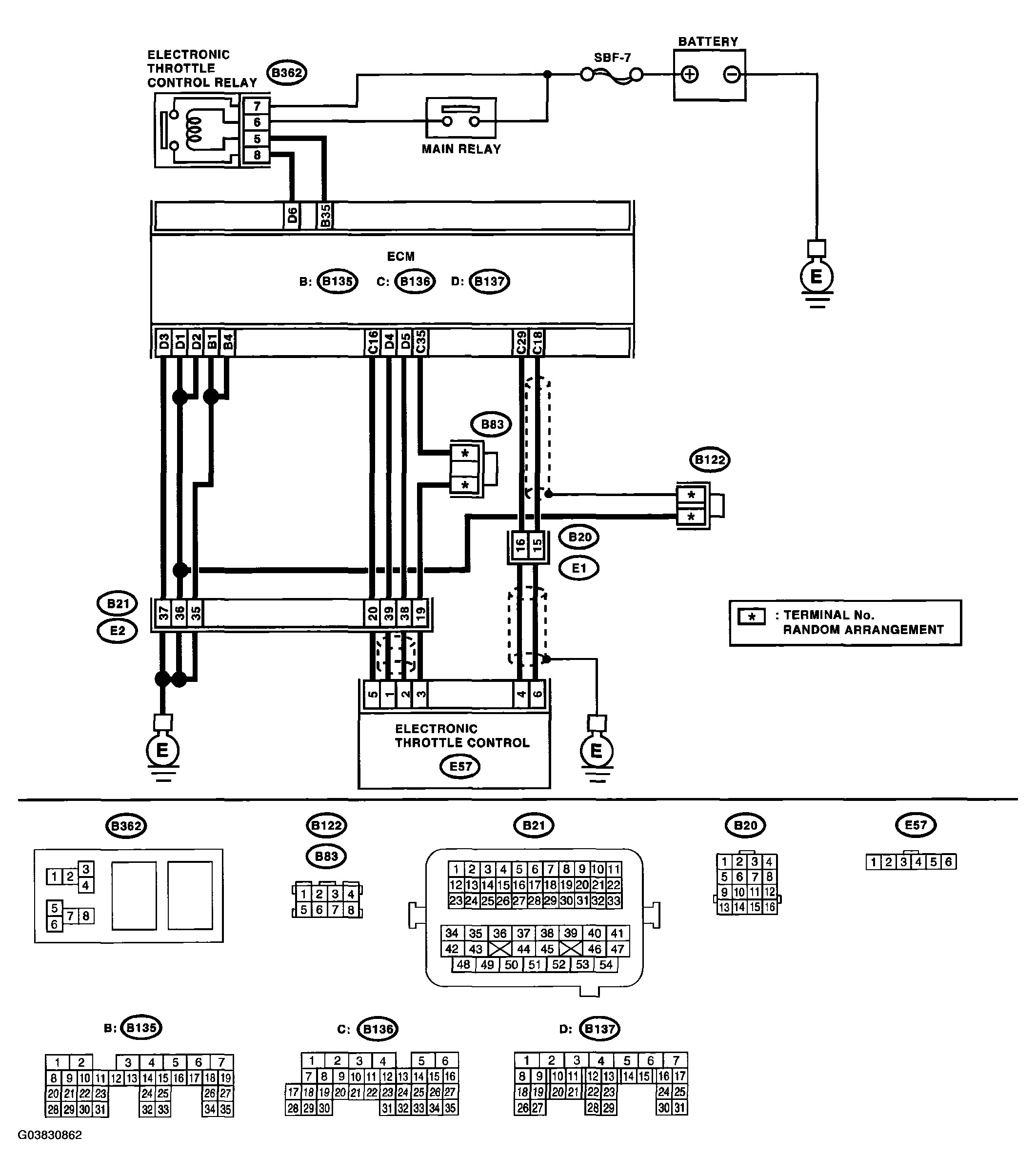
WIRING DIAGRAM  :

Fig 1: Identifying Throttle/Pedal Position Sensor/Switch "B" Circuit Wiring Diagram (DTC P0222)
G03830862Courtesy of SUBARU OF AMERICA, INC.
DIAGNOSIS PROCEDURE - DTC P0222 THROTTLE/PEDAL POSITION SENSOR/SWITCH

Step Check Yes No

CHECK SENSOR OUTPUT. 
  1. Turn the ignition switch to ON.
  2. Read the data of sub throttle sensor signal using Subaru Select Monitor.
NOTE:
  • Subaru Select Monitor

    For detailed operation procedure, refer to the generic scan tool instruction card, refer to the generic scan tool instruction card, refer to the "READ CURRENT DATA FOR ENGINE". < Ref. to SUBARU SELECT MONITOR . >

Is the voltage more than 0.8 V? Go to step . Go to step .

CHECK POOR CONTACT. 
Check the poor contact in connector between ECM and electronic throttle control.
Is there poor contact? Repair the poor contact. Temporary poor contact occurred, but it is normal at present.

CHECK HARNESS BETWEEN ECM AND ELECTRONIC THROTTLE CONTROL. 
  1. Turn the ignition switch to OFF.
  2. Disconnect the connector from ECM.
  3. Disconnect the connector from the electronic throttle control.
  4. Measure the resistance between ECM connector and electronic throttle control connector.

    Connector & terminal 

    (B136) No. 29 - (E57) No. 4: 

    (B136) No. 16 - (E57) No. 5: 

Is the resistance less than 1 ? Go to step . Repair the open circuit of harness connector.

CHECK HARNESS BETWEEN ECM AND ELECTRONIC THROTTLE CONTROL. 
Measure the resistance between ECM connector and chassis ground.
Connector & terminal 
(B136) No. 29 - Chassis ground: 
(B136) No. 16 - Chassis ground: 
Is the resistance more than 1 M? Go to step . Repair the chassis short circuit of harness.

CHECK SENSOR POWER SUPPLY. 
  1. Connect the ECM connector.
  2. Turn the ignition switch to ON.
  3. Measure the voltage between electronic throttle control connector and engine ground.

    Connector & terminal 

    (E57) No. 5 (+) - Engine ground (-): 

Is the voltage 4.5 - 5.5 V? Go to step . Repair the poor contact repair the poor contact in ECM connector. Replace the ECM if defective. < Ref. to ENGINE CONTROL MODULE (ECM) . >

CHECK SHORT CIRCUIT IN ECM. 
  1. Turn the ignition switch to OFF.
  2. Measure the resistance between electronic throttle control connector and engine ground.

    Connector & terminal 

    (E57) No. 4 - Engine ground: 

Is the resistance more than 10 ? Repair the poor contact in electronic throttle control connector. Replace the electronic throttle control if defective. Repair the poor contact in ECM connector. Replace the ECM if defective. < Ref. to ENGINE CONTROL MODULE (ECM) . >