LEMON Manuals: Even more car manuals for everyone: 1960-2025
Home >> Subaru >> 2005 >> Outback i, Standard >> Repair and Diagnosis >> External Pages >> Different variant/trim >> Section 19 (Engine Controls - Engine (Diagnostics) (H6DO)) >> Diagnostic Procedure with Diagnostic Trouble Code (DTC) >> DTC P0607 Control Module Performance
April 5, 2026: LEMON Manuals is launched! Read the announcement.

DTC P0607 Control Module Performance

WARNING: This page is about a different variant/trim than selected.

DTC DETECTING CONDITION  :

TROUBLE SYMPTOM  :

CAUTION: After repair or replacement of faulty parts, conduct Clear Memory Mode < Ref. to , CLEAR MEMORY MODE , Clear Memory Mode.> and Inspection Mode < Ref. to , INSPECTION MODE , Inspection Mode.>.

WIRING DIAGRAM  :

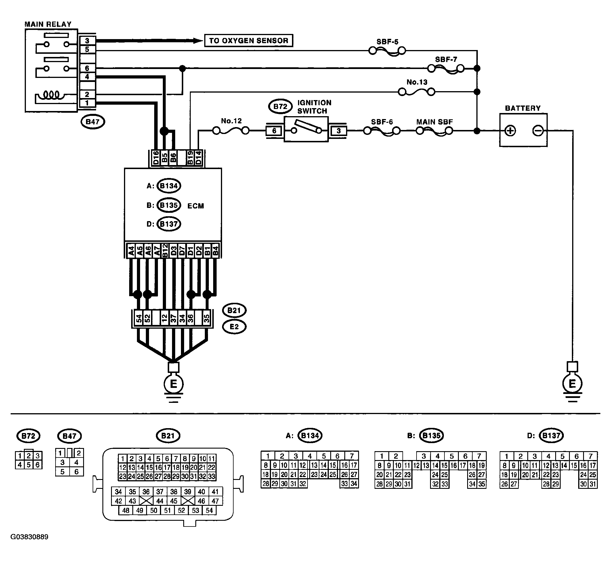
Fig 1: Control Module Wiring Diagram (DTC P0607)
G03830889Courtesy of SUBARU OF AMERICA, INC.
DIAGNOSIS PROCEDURE - DTC P0607 CONTROL MODULE

Step Check Yes No

CHECK INPUT VOLTAGE OF ECM. 
  1. Turn the ignition switch to ON.
  2. Measure the voltage between ECM connector and chassis ground.

    Connector & terminal 

    (B135) No. 5 (+) - Chassis ground (-): 

    (B135) No. 6 (+) - Chassis ground (-)  :

Is the voltage 10 - 13 V? Go to step . Repair the open or ground short circuit of power supply circuit.

CHECK INPUT VOLTAGE OF ECM. 
  1. Start the engine.
  2. Measure the voltage between ECM connector and chassis ground.

    Connector & terminal 

    (B135) No. 5 (+) - Chassis ground (-): 

    (B135) No. 6 (+) - Chassis ground (-)  :

Is the voltage 13 - 15 V? Go to step . Repair the open or ground short circuit of power supply circuit.

CHECK ECM GROUND HARNESS. 
Measure the voltage between ECM connector and chassis ground.

Connector & terminal 

(B137) No. 1 (+) - Chassis ground (-): 

(B137) No. 2 (+) - Chassis ground (-): 

(B137) No. 3 (+) - Chassis ground (-)  :

Is the voltage less than 1 V? Repair the poor contact in ECM connector. Replace the ECM if defective. < Ref. to ENGINE CONTROL MODULE (ECM) . > Further tighten the engine ground terminal.