LEMON Manuals: Even more car manuals for everyone: 1960-2025
Home >> Subaru >> 2005 >> Outback i, Standard >> Repair and Diagnosis >> External Pages >> Different variant/trim >> Section 19 (Engine Controls - Engine (Diagnostics) (H6DO)) >> Diagnostic Procedure with Diagnostic Trouble Code (DTC) >> DTC P2123 Throttle/Pedal Position Sensor/Switch "D" Circuit High Input
April 5, 2026: LEMON Manuals is launched! Read the announcement.

DTC P2123 Throttle/Pedal Position Sensor/Switch "D" Circuit High Input

WARNING: This page is about a different variant/trim than selected.

DTC DETECTING CONDITION: 

TROUBLE SYMPTOM: 

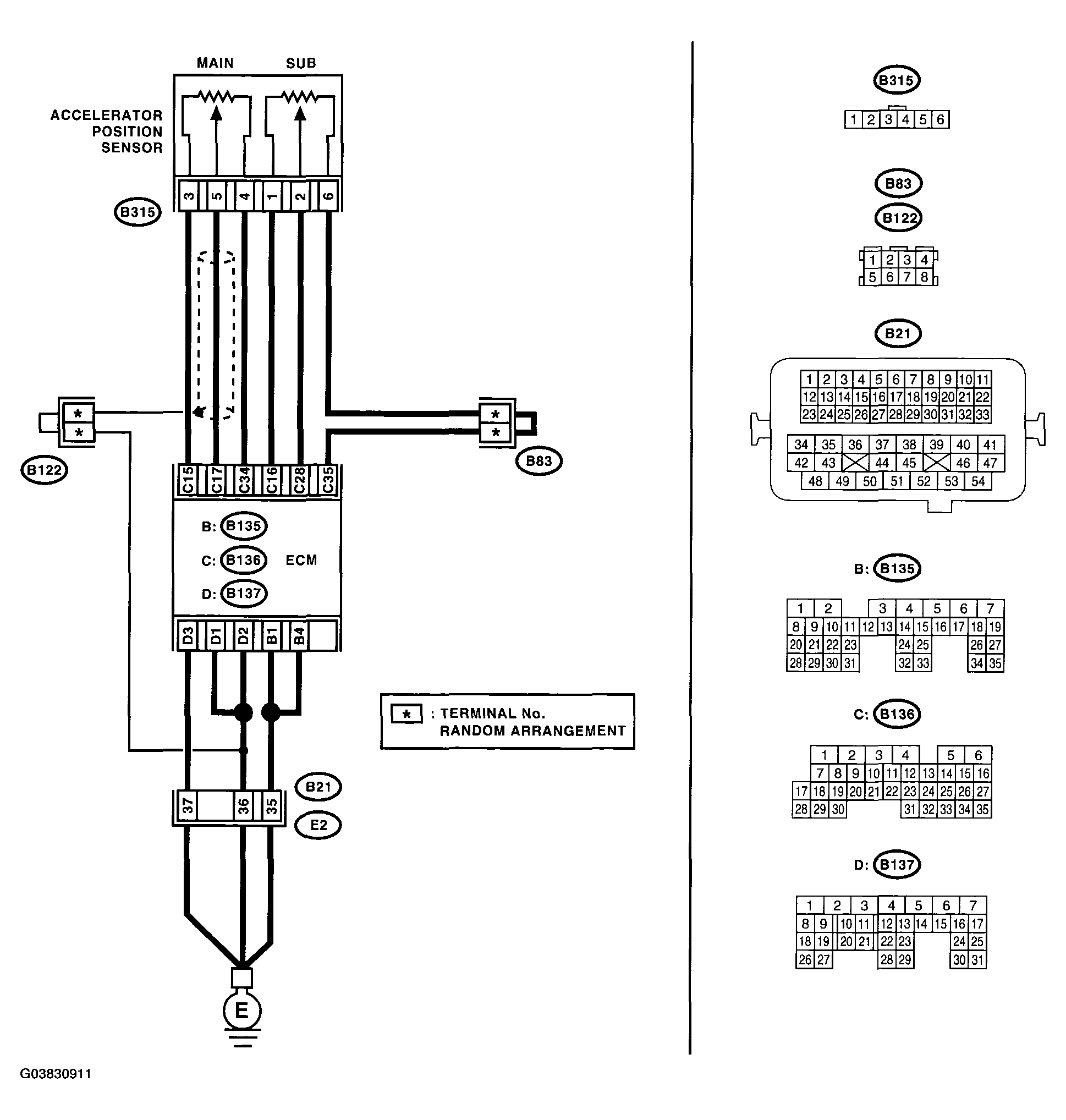
WIRING DIAGRAM: 

Fig 1: Throttle/Pedal Position Sensor/Switch "D" Circuit Wiring Diagram (DTC P2123)
G03830911Courtesy of SUBARU OF AMERICA, INC.
DIAGNOSIS PROCEDURE - DTC P2123 THROTTLE/PEDAL POSITION SENSOR

Step Check Yes No

CHECK ACCELERATOR PEDAL POSITION SENSOR OUTPUT. 
  1. Turn the ignition switch to ON.
  2. Read the data of main accelerator pedal position sensor signal using Subaru Select Monitor.
    NOTE:
    • Subaru Select Monitor

      For detailed operation procedure, refer to the generic scan tool instruction card, refer to the "READ CURRENT DATA FOR ENGINE". < Ref. to SUBARU SELECT MONITOR . >

Is the voltage less than 4.8 V? Go to step . Go to step .

CHECK POOR CONTACT. 
Check poor contact in connector between ECM and accelerator pedal position sensor.
Is there poor contact? Repair the poor contact. Temporary poor contact occurred, but it is normal at present.

CHECK HARNESS BETWEEN ECM AND ACCELERATOR PEDAL POSITION SENSOR. 
  1. Turn the ignition switch to OFF.
  2. Disconnect the connector from ECM.
  3. Disconnect the connector from the accelerator pedal position sensor.
  4. Measure the resistance between ECM connector and accelerator pedal position sensor connector.

    Connector & terminal 

    (B136) No. 34 - (B315) No. 4: 

Is the resistance less than 1 ? Go to step . Repair the open circuit of harness connector.

CHECK HARNESS BETWEEN ECM AND ACCELERATOR PEDAL POSITION SENSOR. 
  1. Connect the ECM connector.
  2. Measure the resistance between accelerator pedal position sensor connector and engine ground.

    Connector & terminal 

    (B315) No. 4 - Engine ground: 

Is the resistance less than 5 ? Go to step . Repair the poor contact in ECM connector. Replace the ECM if defective. < Ref. to ENGINE CONTROL MODULE (ECM) . >

CHECK HARNESS BETWEEN ECM AND ACCELERATOR PEDAL POSITION SENSOR. 
  1. Connect the ECM connector.
  2. Turn the ignition switch to ON.
  3. Measure the voltage between accelerator pedal position sensor connector and engine ground.

    Connector & terminal 

    (B315) No. 5 (+) - Engine ground (-)  :

Is the voltage less than 6 V? Go to step . Repair the battery short circuit in harness between ECM connector and accelerator pedal position sensor connector.

CHECK HARNESS BETWEEN ECM AND ACCELERATOR PEDAL POSITION SENSOR. 
  1. Turn the ignition switch to OFF.
  2. Disconnect the connector from ECM.
  3. Measure the resistance between ECM connectors.

    Connector & terminal 

    (B136) No. 17 - (B136) No. 15: 

    (B136) No. 17 - (B136) No. 16: 

Is the resistance more than 1 M? Repair the poor contact in accelerator pedal position sensor connector. Replace the accelerator pedal position sensor if defective. Repair the short circuit to sensor power supply.