LEMON Manuals: Even more car manuals for everyone: 1960-2025
Home >> Subaru >> 2006 >> B9 Tribeca Base >> Repair and Diagnosis >> Engine Performance >> System >> Engine Controls - Engine (Diagnostics) (H6DO) >> Diagnostic Procedure with Diagnostic Trouble Code (DTC) >> DTC P0140 O2 Sensor Circuit No Activity Detected (Bank 1 Sensor 2)
April 5, 2026: LEMON Manuals is launched! Read the announcement.

DTC P0140 O2 Sensor Circuit No Activity Detected (Bank 1 Sensor 2)

DTC DETECTING CONDITION: 

CAUTION: After repair or replacement of faulty parts, perform Clear Memory Mode < Refer to OPERATION , CLEAR MEMORY MODE > and Inspection Mode < Refer to PROCEDURE , INSPECTION MODE >.

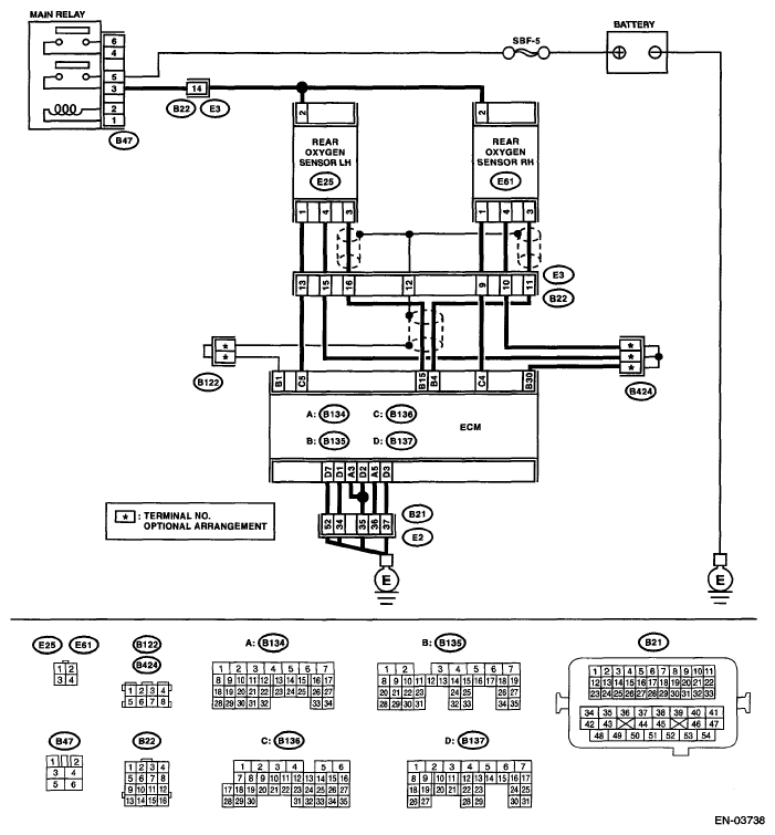
WIRING DIAGRAM: 

Fig 1: Heated Rear Oxygen Sensor - Wiring Diagram
G05031702Courtesy of SUBARU OF AMERICA, INC.
DIAGNOSTIC CHART

Step Check Yes No
1 CHECK ANY OTHER DTC ON DISPLAY.  Is any other DTC displayed? Check DTC using "List of Diagnostic Trouble Code (DTC)". < Refer to LIST OF DIAGNOSTIC TROUBLE CODE (DTC) . >
NOTE: In this case, it is not necessary to inspect DTC P0137.
Go to step 2. 
2 CHECK REAR OXYGEN SENSOR DATA. 
  1. Warm-up the engine until engine coolant temperature is above 70°C (158°F), and keep the engine speed at 5,000 rpm.
  2. Read the data of rear oxygen sensor signal using Subaru Select Monitor or general scan tool.
    NOTE:
    • Subaru Select Monitor

      For detailed operation procedures, refer to "READ CURRENT DATA FOR ENGINE". < Refer to SUBARU SELECT MONITOR . >

    • General scan tool

      For detailed operation procedure, refer to the general scan tool operation manual.

Is the voltage more than 490 mV? Go to step 6.  Go to step 3. 
3 CHECK REAR OXYGEN SENSOR DATA. 
  1. Warm-up the engine until engine coolant temperature is above 70°C (158°F), and keep the engine speed at 5,000 rpm.
  2. Read the data of rear oxygen sensor signal using Subaru Select Monitor or general scan tool.
    NOTE:
    • Subaru Select Monitor

      For detailed operation procedures, refer to "READ CURRENT DATA FOR ENGINE". < Refer to SUBARU SELECT MONITOR . >

    • General scan tool

      For detailed operation procedure, refer to the general scan tool operation manual.

Is the voltage 250 mV or less? Go to step 6.  Go to step 4. 
4 CHECK HARNESS BETWEEN ECM AND REAR OXYGEN SENSOR CONNECTOR. 
  1. Turn the ignition switch to OFF.
  2. Disconnect the connector from ECM and rear oxygen sensor.
  3. Measure the resistance of harness between ECM and rear oxygen sensor connector.

    Connector & terminal 

    (B135) No. 4 - (E61) No. 3: 

    (B135) No. 30 - (E61) No. 4: 

Is the resistance more than 3Ω? Repair the open circuit of harness between ECM and rear oxygen sensor connector. Go to step 5. 
5 CHECK HARNESS BETWEEN REAR OXYGEN SENSOR AND ECM CONNECTOR. 
  1. Turn the ignition switch to OFF.
  2. Disconnect the connector from rear oxygen sensor.
  3. Turn the ignition switch to ON.
  4. Measure the voltage between rear oxygen sensor harness connector and chassis ground.

    Connector & terminal 

    (E61) No. 3 (+) - Chassis ground (-): 

Is the voltage 0.2 - 0.5 V? Replace the rear oxygen sensor. < Refer to REAR OXYGEN SENSOR . > Repair the harness and connector.
NOTE: In this case, repair the following item:
  • Open circuit of harness between rear oxygen sensor and ECM connector
  • Poor contact in rear oxygen sensor connector
  • Poor contact in ECM connector
6 CHECK EXHAUST SYSTEM. 
Check exhaust system parts.
NOTE: Check the following item.
  • Loose part and incomplete installation of exhaust system
  • Damage (crack, hole etc.) of parts
  • Looseness and ill fitting of parts between front oxygen (A/F) sensor and rear oxygen sensor
Is there any fault in exhaust system? Repair or replace faulty parts. Replace the rear oxygen sensor. < Refer to REAR OXYGEN SENSOR . >