LEMON Manuals: Even more car manuals for everyone: 1960-2025
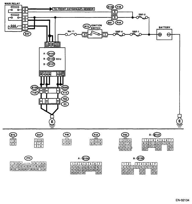
Home >> Subaru >> 2006 >> Baja Base, Automatic >> Repair and Diagnosis >> External Pages >> Different variant/trim >> Section 6 (Engine Controls - Engine (Diagnostics) (H4DOTC)) >> Diagnostic Procedure with Diagnostic Trouble Code (DTC) >> DTC P0604 - Internal Control Module Random Access Memory (Ram) Error -
April 5, 2026: LEMON Manuals is launched! Read the announcement.

DTC P0604 - Internal Control Module Random Access Memory (Ram) Error -

WARNING: This page is about a different variant/trim than selected.
CAUTION: After repair or replacement of faulty parts, conduct Clear Memory Mode < Ref. to OPERATION , CLEAR MEMORY MODE > and INSPECTION MODE  < Ref. to OPERATION , INSPECTION MODE. >
DIAGNOSTIC PROCEDURE

Step Check Yes No
1 CHECK ANY OTHER DTC ON DISPLAY.  Does the Subaru Select Monitor or general scan tool indicate DTC P0604? Replace the ECM. < Ref. to ENGINE CONTROL MODULE (ECM) . > A temporary poor contact.