LEMON Manuals: Even more car manuals for everyone: 1960-2025
Home >> Subaru >> 2006 >> Forester X, Automatic >> Repair and Diagnosis >> Engine Performance >> System >> Engine Controls - Engine (Diagnostics) (H4SO) >> Diagnostic Procedure with Diagnostic Trouble Code (DTC) >> DTC P0134 O2 Sensor Circuit No Activity Detected (Bank 1 Sensor 1)
April 5, 2026: LEMON Manuals is launched! Read the announcement.

DTC P0134 O2 Sensor Circuit No Activity Detected (Bank 1 Sensor 1)

DTC DETECTING CONDITION: 

CAUTION: After repairing or replacing the defective part, carry out the Clear Memory Mode <Ref. to OPERATION  CLEAR MEMORY MODE. > and Inspection Mode <Ref. to PROCEDURE  INSPECTION MODE. >.

WIRING DIAGRAM: 

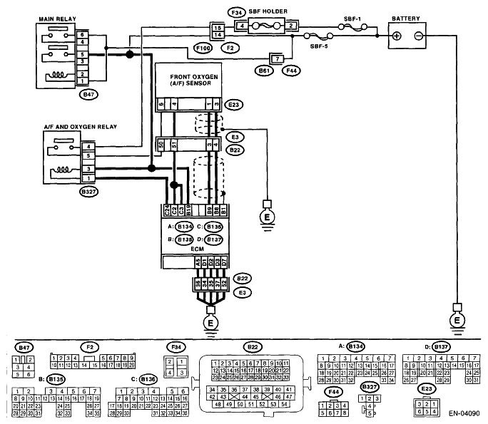
Fig 1: Identifying O2 Sensor Circuit No Activity Detected (Bank 1 Sensor 1) - Wiring Diagram
G04993044
DIAGNOSTICS PROCEDURE CHART

Step Check Yes No
1 CHECK HARNESS BETWEEN ECM AND FRONT OXYGEN (A/F) SENSOR CONNECTOR. 
  1. Turn the ignition switch to OFF.
  2. Disconnect the connector from ECM and front oxygen (A/F) sensor connector.
  3. Measure the resistance of harness between ECM and front oxygen (A/F) sensor connector.

    Connector & terminal 

    (B135) No. 8 - (E23) No. 3: 

    (B135) No. 9 - (E23) No. 1: 

Is the resistance less than 1 Ω Go to step 2.  Repair the harness and connector.
NOTE: In this case, repair the following item:
  • Open circuit of harness between ECM and front oxygen (A/F) sensor connector
  • Poor contact in front oxygen (A/F) sensor connector
  • Poor contact in ECM connector
2 CHECK POOR CONTACT. 
Check poor contact of front oxygen (A/F) sensor connector.
Is there poor contact in front oxygen (A/F) sensor connector? Repair the poor contact in front oxygen (A/F) sensor connector. Replace the front oxygen (A/F) sensor. <Ref. to FRONT OXYGEN (A/F) SENSOR . >