LEMON Manuals: Even more car manuals for everyone: 1960-2025
Home >> Subaru >> 2006 >> Forester X, Automatic >> Repair and Diagnosis >> Engine Performance >> System >> Engine Controls - Engine (Diagnostics) (H4SO) >> Diagnostic Procedure with Diagnostic Trouble Code (DTC) >> DTC P0140 O2 Sensor Circuit No Activity Detected (Bank1 Sensor2)
April 5, 2026: LEMON Manuals is launched! Read the announcement.

DTC P0140 O2 Sensor Circuit No Activity Detected (Bank1 Sensor2)

DTC DETECTING CONDITION: 

CAUTION: After repairing or replacing the defective part, carry out the Clear Memory Mode <Ref. to OPERATION  CLEAR MEMORY MODE. > and Inspection Mode <Ref. to PROCEDURE  INSPECTION MODE. >.

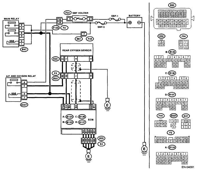
WIRING DIAGRAM: 

Fig 1: Identifying O2 Sensor Circuit No Activity Detected (Bank1 Sensor2) - Wiring Diagram
G04993047
DIAGNOSTICS PROCEDURE CHART

Step Check Yes No
1 CHECK ANY OTHER DTC ON DISPLAY.  Is any other DTC displayed? Check DTC using "List of Diagnostic Trouble Code (DTC)". <Ref. to LIST OF DIAGNOSTIC TROUBLE CODE (DTC) . >
NOTE: In this case, it is not necessary to inspect DTC P0139.
Go to step 2. 
2 CHECK REAR OXYGEN SENSOR DATA. 
  1. Warm-up the engine until engine coolant temperature is above 70°C (158°F), and keep the engine speed at 5,000 rpm.
  2. Read the data of rear oxygen sensor signal using Subaru Select Monitor or general scan tool.
NOTE:
Is the voltage more than 490 mV? Go to step 6.  Go to step 3. 
3 CHECK REAR OXYGEN SENSOR DATA. 
  1. Warm-up the engine until engine coolant temperature is above 70°C (158°F), and keep the engine speed at 5,000 rpm.
  2. Read the data of rear oxygen sensor signal using Subaru Select Monitor or general scan tool.
NOTE:
Is the voltage 250 mV? Go to step 6.  Go to step 4. 
4 CHECK HARNESS BETWEEN ECM AND REAR OXYGEN SENSOR CONNECTOR. 
  1. Turn the ignition switch to OFF.
  2. Disconnect the connector from ECM and rear oxygen sensor.
  3. Measure the resistance of harness between ECM and rear oxygen sensor connector.

    Connector & terminal 

    (B135) No. 4 - (E22) No. 3: 

    (B134) No. 29 - (E22) No. 4: 

Is the resistance more than 3Ω? Repair the open circuit of harness between ECM and rear oxygen sensor connector. Go to step 5. 
5 CHECK HARNESS BETWEEN REAR OXYGEN SENSOR AND ECM CONNECTOR. 
  1. Turn the ignition switch to OFF.
  2. Disconnect the connector from ECM and rear oxygen sensor.
  3. Turn the ignition switch to ON.
  4. Measure the voltage between rear oxygen sensor harness connector and chassis ground.

    Connector & terminal 

    (E22) No. 3 (+) - Chassis ground (-): 

Is the voltage 0.2 - 0.5 V? Replace the rear oxygen sensor. <Ref. to REAR OXYGEN SENSOR . > Repair the harness and connector.
NOTE: In this case, repair the following item:
  • Open circuit in harness between rear oxygen sensor and ECM connector
  • Poor contact in rear oxygen sensor connector
  • Poor contact in ECM connector
6 CHECK EXHAUST SYSTEM. 
Check exhaust system parts.
NOTE: Check the following items.
  • Looseness and improper fitting of exhaust system parts
  • Damage (crack, hole etc.) of parts
  • Looseness and improper fitting of parts between front oxygen (A/F) sensor and rear oxygen sensor
Is there any fault in exhaust system? Repair or replace faulty parts. Replace the rear oxygen sensor. <Ref. to REAR OXYGEN SENSOR . >