LEMON Manuals: Even more car manuals for everyone: 1960-2025
Home >> Subaru >> 2006 >> Outback XT, Automatic >> Repair and Diagnosis >> Engine Performance >> System >> Engine Controls - Engine (Diagnostics) (H4DOTC) >> Diagnostic Procedure with Diagnostic Trouble Code (DTC) >> DTC P2123 Throttle/Pedal Position Sensor / Switch "D" Circuit High Input
April 5, 2026: LEMON Manuals is launched! Read the announcement.

DTC P2123 Throttle/Pedal Position Sensor / Switch "D" Circuit High Input

DTC DETECTING CONDITION: 

TROUBLE SYMPTOM: 

CAUTION: After repairing or replacing the defective part, perform the Clear Memory Mode < Ref. to OPERATION , Clear Memory Mode. > and Inspection Mode < Ref. to PROCEDURE , Inspection Mode. >.

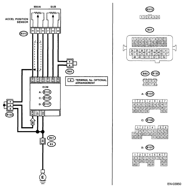
WIRING DIAGRAM: 

Fig 1: Throttle/Pedal Position Sensor / Switch "D" Circuit High Input - Wiring Diagram
G05021715
DIAGNOSTIC PROCEDURE

Step Check Yes No
1 CHECK ACCELERATOR PEDAL POSITION SENSOR OUTPUT. 
  1. Turn the ignition switch to ON.
  2. Read the data of main accelerator pedal position sensor signal using Subaru Select Monitor.
NOTE: Subaru Select Monitor
For detailed operation procedure, refer to the "LED OPERATION MODE FOR ENGINE." < Ref. to SUBARU SELECT MONITOR . >
Is the voltage less than 4.8 V? Go to step 2.  Go to step 3. 
2 CHECK POOR CONTACT. 
Check poor contact of connector between ECM and accelerator pedal position sensor.
Is there poor contact? Repair the poor contact. Temporary poor contact occurred, but it is normal at present.
3 CHECK HARNESS BETWEEN ECM AND ACCELERATOR PEDAL POSITION SENSOR. 
  1. Turn the ignition switch to OFF.
  2. Disconnect the connectors from ECM.
  3. Disconnect the connectors from accelerator pedal position sensor.
  4. Measure the resistance between ECM connector and accelerator pedal position sensor connector.

    Connector & terminal 

    (B136) No. 34 - (B315) No. 4: 

Is the resistance less than 1 Ω? Go to step 4.  Repair the open circuit of harness connector.
4 CHECK HARNESS BETWEEN ECM AND ACCELERATOR PEDAL POSITION SENSOR. 
  1. Connect the ECM connector.
  2. Measure the resistance between accelerator pedal position sensor connector and chassis ground.

    Connector & terminal 

    (B315) No. 4 - Chassis ground: 

Is the resistance less than 5 Ω? Go to step 5.  Repair the poor contact of ECM connector. Replace the ECM if defective. < Ref. to ENGINE CONTROL MODULE (ECM) . >
5 CHECK HARNESS BETWEEN ECM AND ACCELERATOR PEDAL POSITION SENSOR. 
  1. Connect the ECM connector.
  2. Turn the ignition switch to ON.
  3. Measure the voltage between accelerator pedal position sensor connector and chassis ground.

    Connector & terminal 

    (B315) No. 5 (+) - Chassis ground (-): 

Is the voltage less than 6 V? Go to step 6.  Repair the battery short circuit of harness between ECM connector and accelerator pedal position sensor connector.
6 CHECK HARNESS BETWEEN ECM AND ACCELERATOR PEDAL POSITION SENSOR. 
  1. Turn the ignition switch to OFF.
  2. Disconnect the connectors from ECM.
  3. Measure the resistance between ECM connector terminals.

    Connector & terminal 

    (B136)No. 17 - (B136)No. 15: 

    (B136)No. 17 - (B136)No. 16: 

Is the resistance more than 1 MΩ? Repair the poor contact of accelerator pedal position sensor connector. Replace the accelerator pedal position sensor if defective. Repair the short circuit to sensor power supply.