LEMON Manuals: Even more car manuals for everyone: 1960-2025
Home >> Subaru >> 2006 >> Outback i, Automatic >> Repair and Diagnosis (Single Page) >> Engine Performance >> System >> Diagnostic Trouble Code (DTC) Detecting Criteria (H4SO) >> Diagnostic Trouble Code (DTC) Detecting Criteria >> DTC P2101 Throttle Actuator Control Motor Circuit Range/Performance >> Component Description
April 5, 2026: LEMON Manuals is launched! Read the announcement.

Component Description

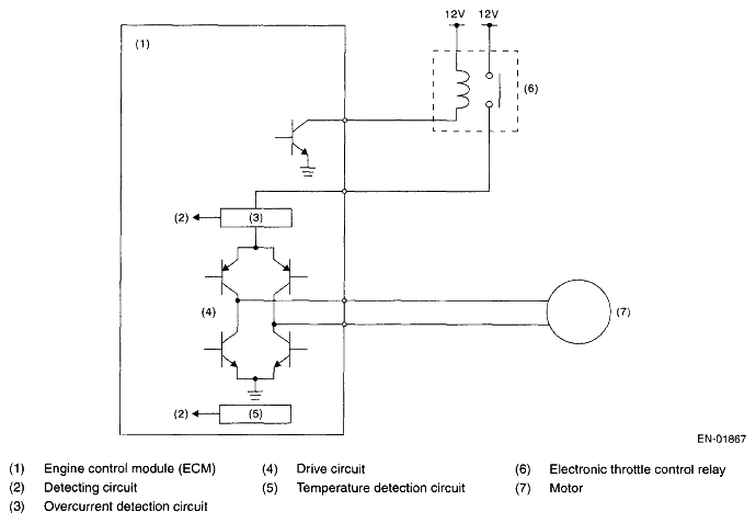
Fig 1: Throttle Actuator Control Motor Circuit Diagram
G05017713