LEMON Manuals: Even more car manuals for everyone: 1960-2025
Home >> Subaru >> 2006 >> Outback i, Automatic >> Repair and Diagnosis >> External Pages >> Different variant/trim >> Section 22 (Engine Controls - Engine (Diagnostics) (H6DO)) >> Diagnostic Procedure with Diagnostic Trouble Code (DTC) >> DTC P0604 Internal Control Module Random Access Memory (Ram) Error
April 5, 2026: LEMON Manuals is launched! Read the announcement.

DTC P0604 Internal Control Module Random Access Memory (Ram) Error

WARNING: This page is about a different variant/trim than selected.

DTC DETECTING CONDITION: 

TROUBLE SYMPTOM: 

CAUTION: After repair or replacement of faulty parts, perform Clear Memory Mode < Ref. to OPERATION , Clear Memory Mode. > and Inspection Mode < Ref. to PROCEDURE , Inspection Mode. >.

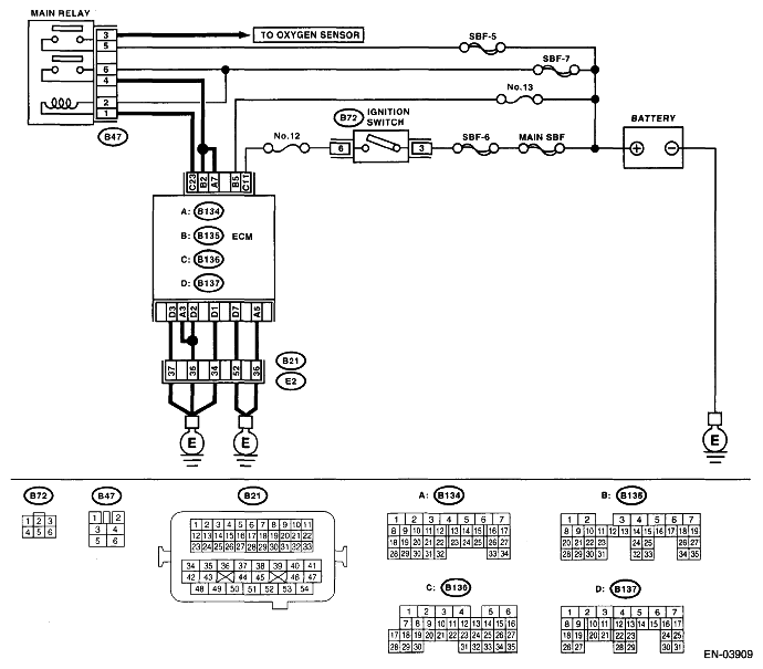
WIRING DIAGRAM: 

Fig 1: Engine Control Module (ECM) - Wiring Diagram
G05019021
DTC P0604 INTERNAL CONTROL MODULE RANDOM ACCESS MEMORY (RAM) ERROR - DIAGNOSTIC PROCEDURE

Step Check Yes No
1 CHECK FOR ANY OTHER DTC ON DISPLAY.  Is any other DTC displayed? Check the appropriate DTC using the "List of Diagnostic Trouble Code (DTC)".
< Ref. to LIST OF DIAGNOSTIC TROUBLE CODE (DTC) . >
Temporary poor contact occurs.