LEMON Manuals: Even more car manuals for everyone: 1960-2025
Home >> Subaru >> 2007 >> Forester X, Standard >> Repair and Diagnosis >> External Pages >> Different car >> Section 76 (Engine Controls - Engine (Diagnostics) (H4DOTC)) >> Diagnostic Procedure with Diagnostic Trouble Code (DTC) >> DTC P0604 Internal Control Module Random Access Memory (Ram) Error
April 5, 2026: LEMON Manuals is launched! Read the announcement.

DTC P0604 Internal Control Module Random Access Memory (Ram) Error

WARNING: This page is about a different car, the 2006 Subaru Forester. However, it is still accessible from the selected car via links, so may be relevant.

DTC DETECTING CONDITION: 

TROUBLE SYMPTOM: 

CAUTION: After repairing or replacing the defective part, carry out the Clear Memory Mode <Ref. to OPERATION , CLEAR MEMORY MODE. > and Inspection Mode <Ref. to PROCEDURE , INSPECTION MODE. >

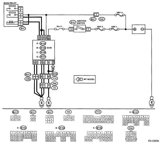
WIRING DIAGRAM: 

Fig 1: Identifying Internal Control Module Random Access Memory Error - Wiring Diagram
G05002036Courtesy of SUBARU OF AMERICA, INC.
TROUBLESHOOTING CHART

Step Check Yes No
1 CHECK ANY OTHER DTC ON DISPLAY.  Is DTC P0604 displayed on the Subaru Select Monitor or OBD-II general scan tool? Replace the ECM. <Ref. to ENGINE CONTROL MODULE (ECM) . > Temporary poor contact occurs.