LEMON Manuals: Even more car manuals for everyone: 1960-2025
Home >> Subaru >> 2007 >> Legacy GT spec.B >> Repair and Diagnosis >> Engine Performance >> System >> Engine Controls (Diagnostics) (H4DOTC) >> Diagnostic Procedure with Diagnostic Trouble Code (DTC) >> DTC P0134 O2 Sensor Circuit No Activity Detected (Bank 1 Sensor 1) >> Wiring Diagram
April 5, 2026: LEMON Manuals is launched! Read the announcement.

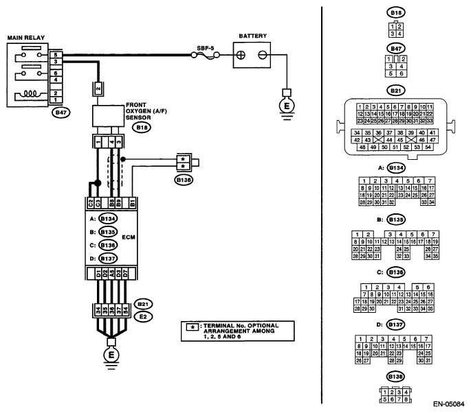
DTC P0134 O2 Sensor Circuit No Activity Detected (Bank 1 Sensor 1): Wiring Diagram

Fig 1: O2 Sensor (No Activity Detected) - Wiring Diagram
G05340800Courtesy of SUBARU OF AMERICA, INC.
DIAGNOSTIC PROCEDURE CHART

Step Check Yes No
1 CHECK HARNESS BETWEEN ECM AND FRONT OXYGEN (A/F) SENSOR CONNECTOR. 
  1. Turn the ignition switch to OFF.
  2. Disconnect the connectors from the ECM and front oxygen (A/F) sensor.
  3. Measure the resistance of harness between ECM and front oxygen (A/F) sensor connector.

    Connector & terminal 

    (B135) No. 9 - (B18) No. 3: 

    (B135) No. 8 - (B18) No. 4: 

Is the resistance less than 1 Ω? Go to step 2.  Repair the harness and connector.
NOTE: In this case, repair the following item:
  • Open circuit of harness between ECM and front oxygen (A/F) sensor connector
  • Poor contact in front oxygen (A/F) sensor connector
  • Poor contact in ECM connector
2 CHECK POOR CONTACT. 
Check poor contact of front oxygen (A/F) sensor connector.
Is there poor contact in front oxygen (A/F) sensor connector? Repair the poor contact of the front oxygen (A/F) sensor connector. Replace the front oxygen (A/F) sensor. <Ref. to FRONT OXYGEN (A/F) SENSOR . >