LEMON Manuals: Even more car manuals for everyone: 1960-2025
Home >> Subaru >> 2007 >> Outback Sport F4-2.5L SOHC >> Repair and Diagnosis >> Powertrain Management >> Computers and Control Systems >> Relays and Modules - Computers and Control Systems >> Engine Control Module >> Diagrams >> Electrical Diagrams
April 5, 2026: LEMON Manuals is launched! Read the announcement.

Electrical Diagrams

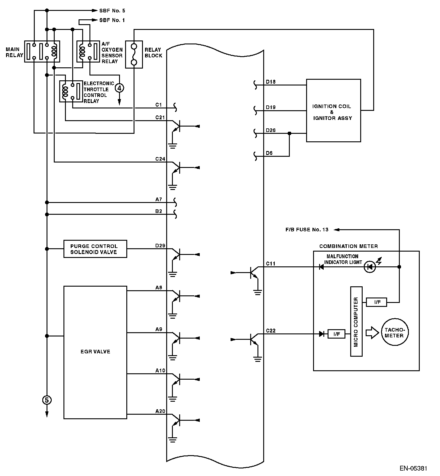
Engine Control Module (ECM) I/O Signal:



Engine Control Module (ECM) I/O Signal:



Engine Control Module (ECM) I/O Signal:



Engine Control Module (ECM) I/O Signal:



Engine Control Module (ECM) I/O Signal: