LEMON Manuals: Even more car manuals for everyone: 1960-2025
Home >> Subaru >> 2007 >> Outback XT Limited, Standard >> Repair and Diagnosis (Single Page) >> Engine Performance >> System >> Diagnostic Trouble Code (DTC) Detecting Criteria (H4DOTC) >> Diagnostic Trouble Code (DTC) Detecting Criteria >> DTC P0607 Control Module Performance >> Component Description
April 5, 2026: LEMON Manuals is launched! Read the announcement.

Component Description

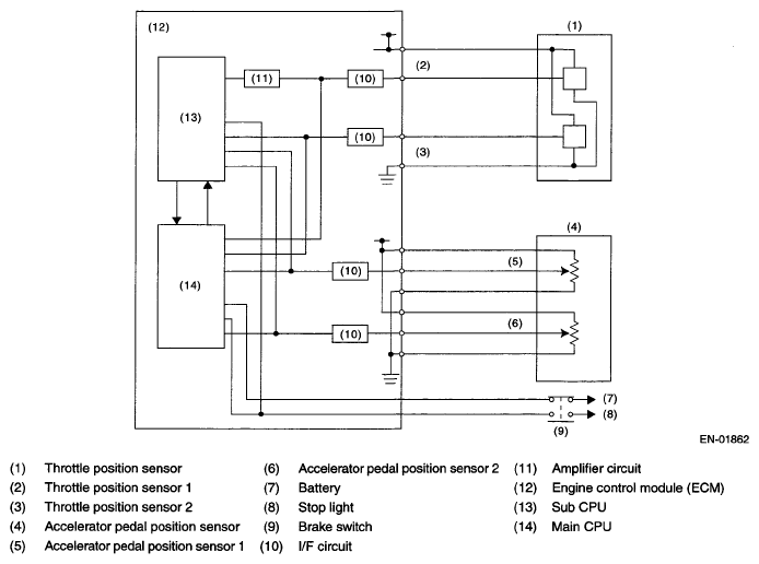
Fig 1: Control Module Circuit Diagram
G05340993Courtesy of SUBARU OF AMERICA, INC.