LEMON Manuals: Even more car manuals for everyone: 1960-2025
Home >> Subaru >> 2007 >> Outback i, Automatic >> Repair and Diagnosis (Single Page) >> Engine Performance >> System >> Diagnostic Trouble Code (DTC) Detecting Criteria (H4SO) >> Diagnostic Trouble Code (DTC) Detecting Criteria >> DTC P2101 Throttle Actuator Control Motor Circuit Range/Performance >> Component Description
April 5, 2026: LEMON Manuals is launched! Read the announcement.

Component Description

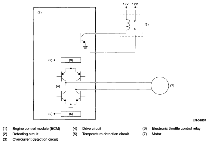
Fig 1: Diagnosis Outline For Throttle Actuator Control Motor Circuit Range/Performance
G05340042Courtesy of SUBARU OF AMERICA, INC.