LEMON Manuals: Even more car manuals for everyone: 1960-2025
Home >> Subaru >> 2008 >> Outback F4-2.5L SOHC >> Repair and Diagnosis >> Powertrain Management >> Computers and Control Systems >> Engine Control Module >> Testing and Inspection
April 5, 2026: LEMON Manuals is launched! Read the announcement.

Engine Control Module: Testing and Inspection

Electrical Specification:



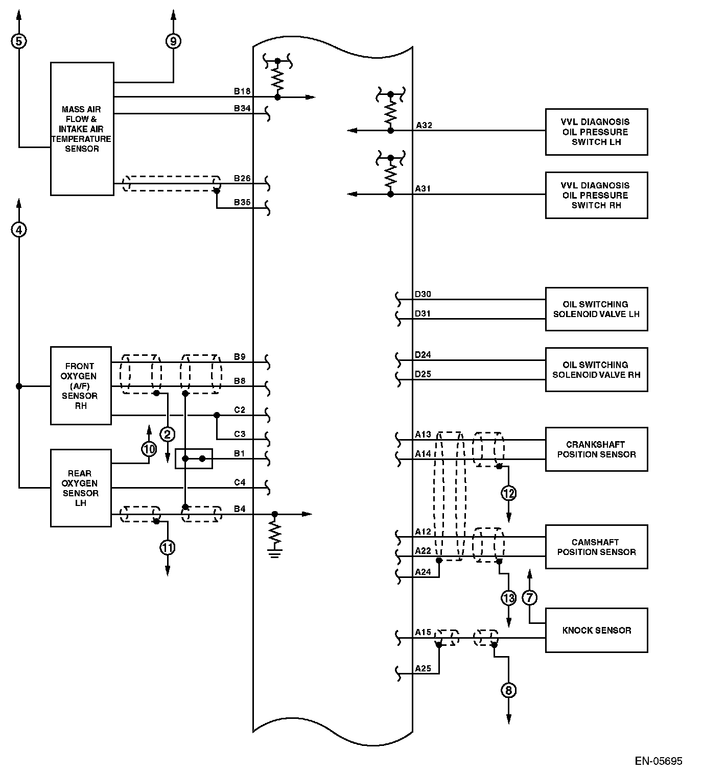
Engine Control Module (ECM) I/O Signal (Part 1):



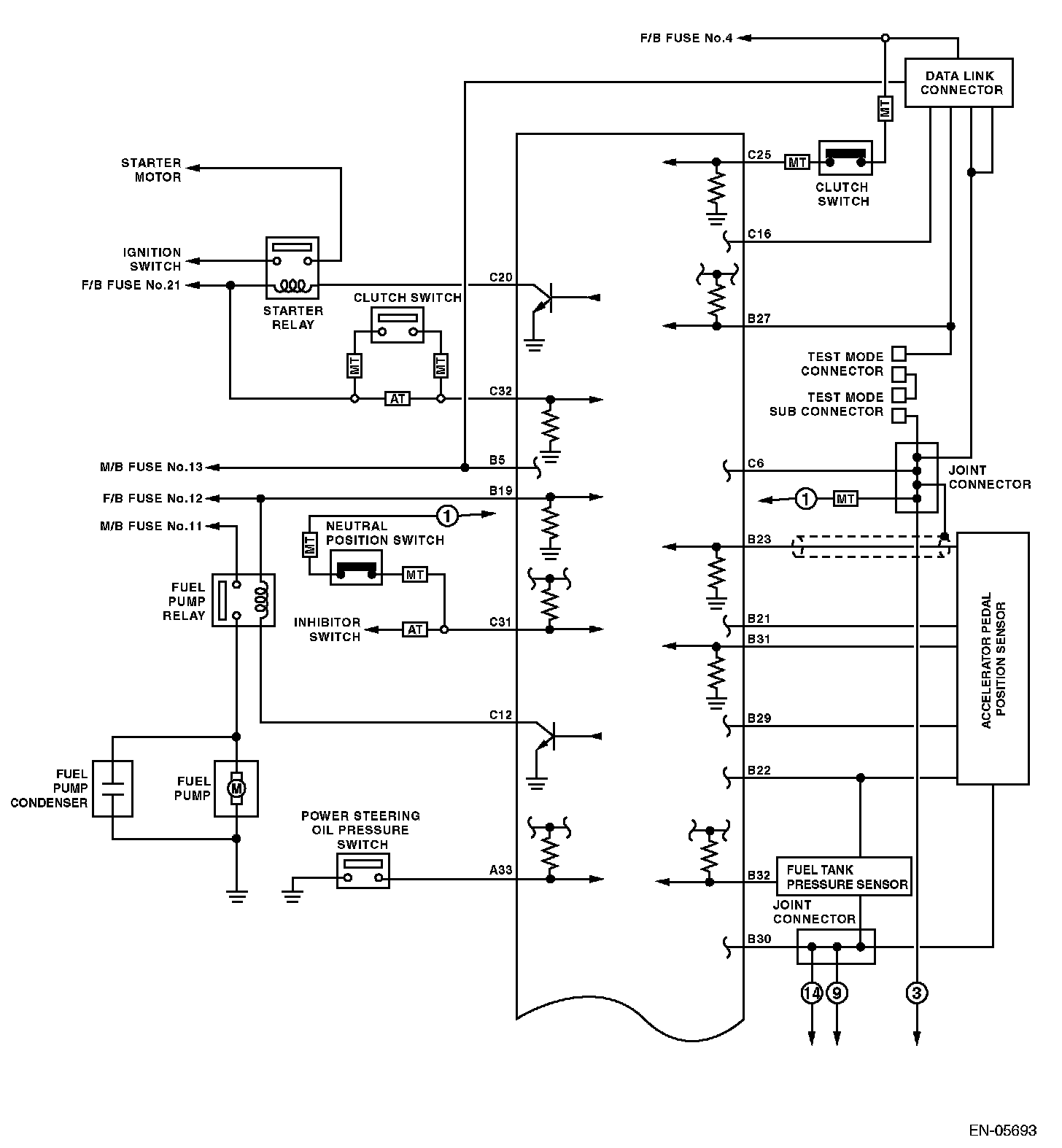
Engine Control Module (ECM) I/O Signal (Part 2):



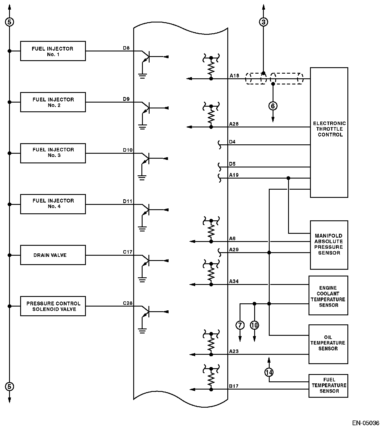
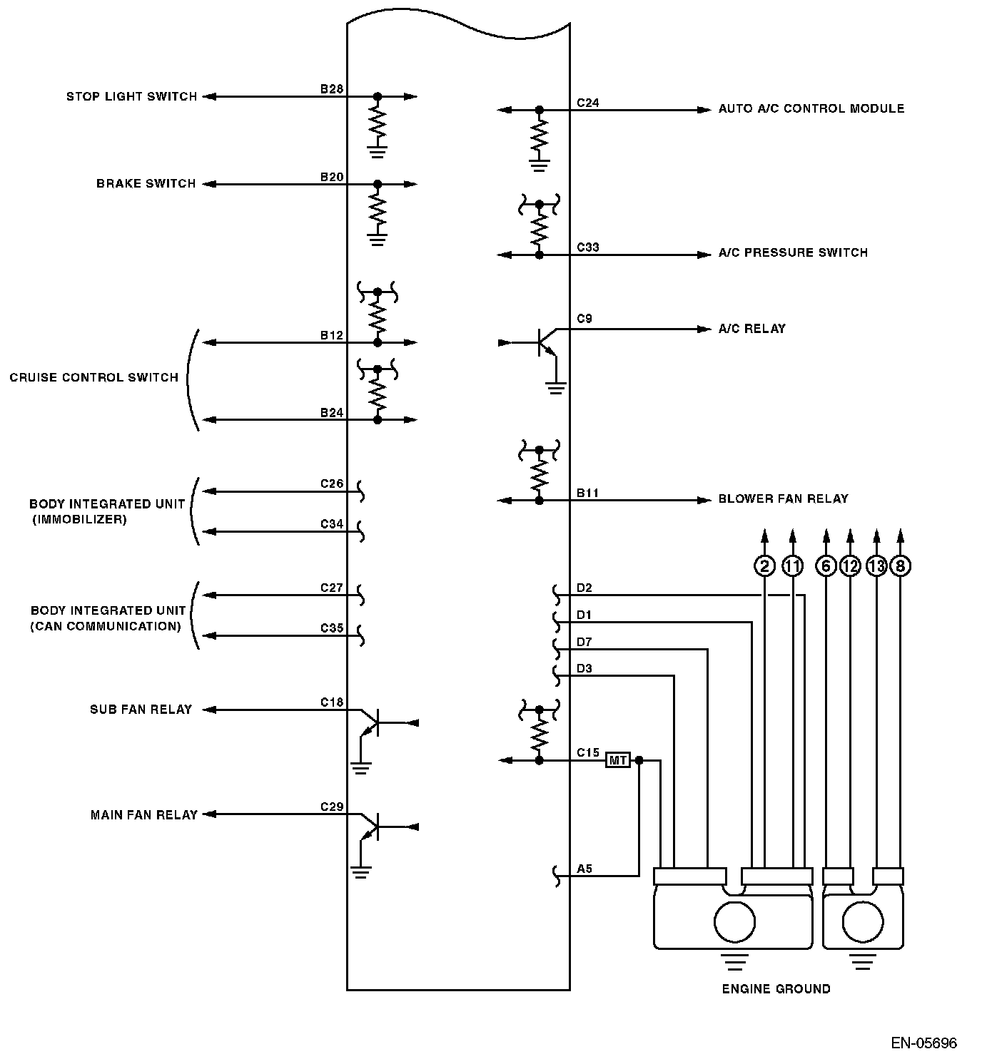
Engine Control Module (ECM) I/O Signal (Part 3):



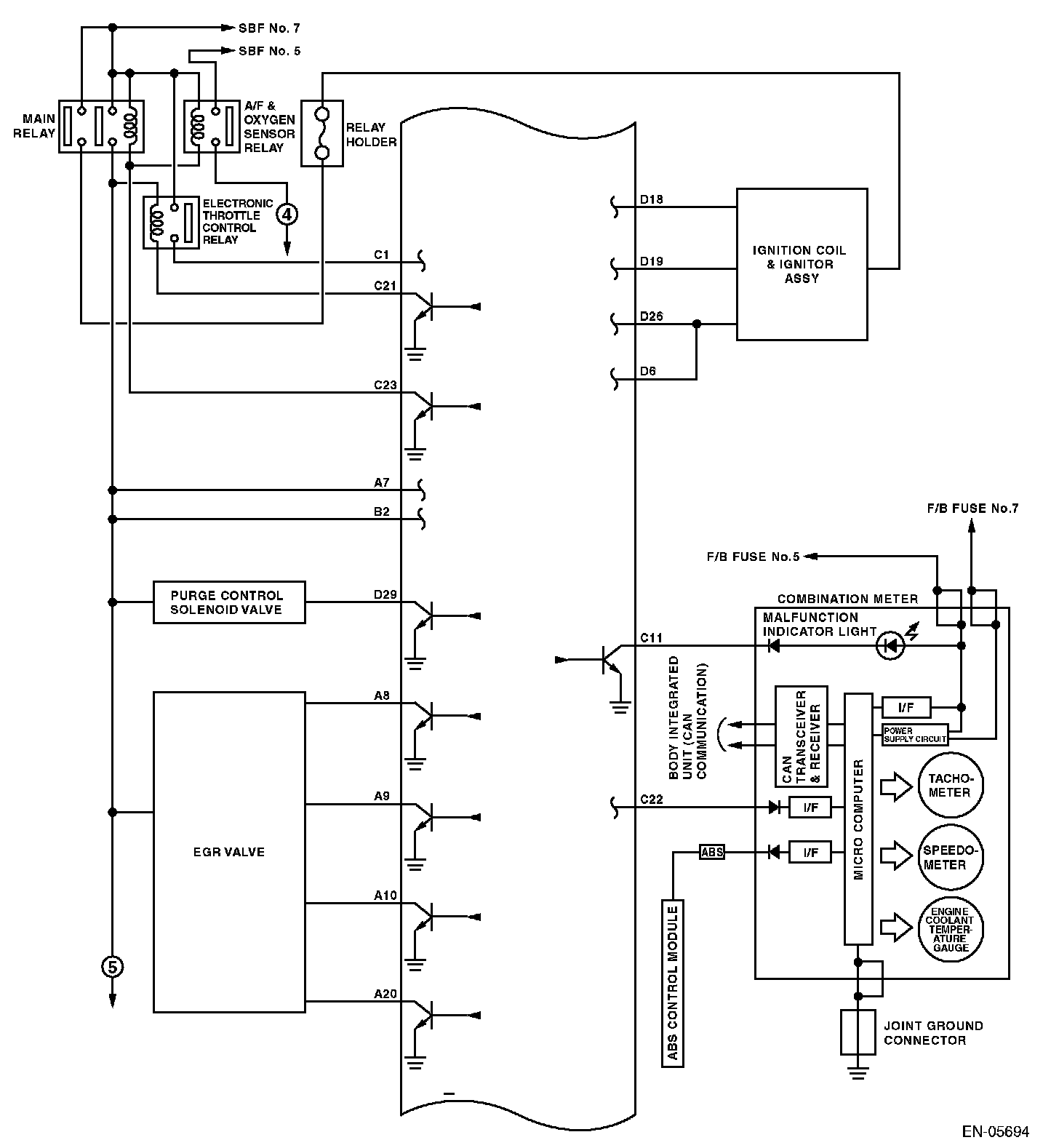
Engine Control Module (ECM) I/O Signal (Part 4):