LEMON Manuals: Even more car manuals for everyone: 1960-2025
Home >> Subaru >> 2009 >> Forester XT >> Repair and Diagnosis (Single Page) >> Engine Performance >> System >> Engine Controls - Engine (Diagnostics) (H4DOTC) >> Diagnostic Procedure with Diagnostic Trouble Code (DTC) >> DTC P0604 Internal Control Module Random Access Memory (Ram) Error >> Wiring Diagram
April 5, 2026: LEMON Manuals is launched! Read the announcement.

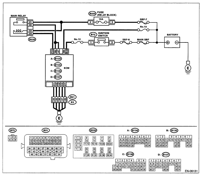
DTC P0604 Internal Control Module Random Access Memory (Ram) Error: Wiring Diagram

Fig 1: Internal Control Module Random Access Memory (RAM) Error - Wiring Schematics
G05955544Courtesy of SUBARU OF AMERICA, INC.
DIAGNOSIS PROCEDURE CHART

Step Check Yes No
1 CHECK FOR ANY OTHER DTC ON DISPLAY  . Is any other DTC displayed? Check the appropriate DTC using the "List of Diagnostic Trouble Code (DTC)". Refer to LIST OF DIAGNOSTIC TROUBLE CODE (DTC) . Even if the malfunction indicator light illuminates, the circuit has returned to a normal condition at this time. Reproduce the fault condition, and reperform the check.
NOTE: In this case, there may be a temporary connector contact failure.