LEMON Manuals: Even more car manuals for everyone: 1960-2025
Home >> Subaru >> 2009 >> Legacy R >> Repair and Diagnosis (Single Page) >> Engine Performance >> System >> Diagnostic Trouble Code (DTC) Detecting Criteria (H6DO) >> Diagnostic Trouble Code (DTC) Detecting Criteria >> DTC P0607 Throttle Control System Circuit Range/Performance >> Component Description
April 5, 2026: LEMON Manuals is launched! Read the announcement.

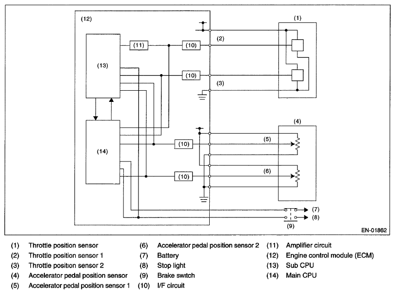
Component Description

Fig 1: Throttle Position Sensor - Circuit Diagram
G06336888Courtesy of SUBARU OF AMERICA, INC.