LEMON Manuals: Even more car manuals for everyone: 1960-2025
Home >> Subaru >> 2009 >> Outback i, Automatic >> Repair and Diagnosis >> Engine Performance >> System >> Engine Controls - Engine (Diagnostics) (H4SO) >> Diagnostic Procedure with Diagnostic Trouble Code (DTC) >> DTC P0134 O2 Sensor Circuit No Activity Detected (Bank 1 Sensor 1) >> Wiring Diagram
April 5, 2026: LEMON Manuals is launched! Read the announcement.

DTC P0134 O2 Sensor Circuit No Activity Detected (Bank 1 Sensor 1): Wiring Diagram

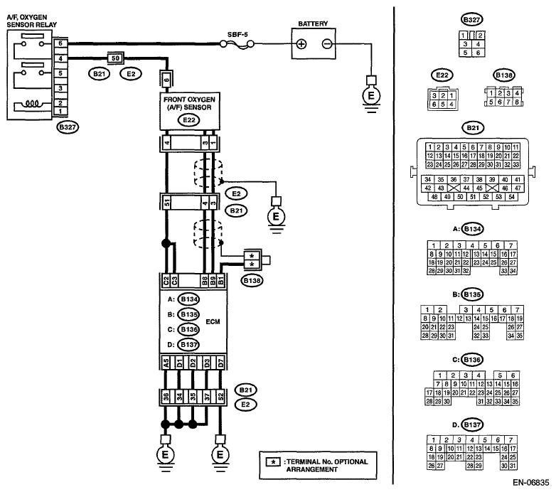
Fig 1: O2 Sensor Circuit No Activity Detected (Bank 1 Sensor 1) - Wiring Diagram
G06334782Courtesy of SUBARU OF AMERICA, INC.
O2 SENSOR DIAGNOSTIC PROCEDURE

Step Check Yes No
1 CHECK HARNESS BETWEEN ECM AND FRONT OXYGEN (A/F) SENSOR CONNECTOR. 
  1. Turn the ignition switch to OFF.
  2. Disconnect the connectors from ECM and front oxygen (A/F) sensor connector.
  3. Measure the resistance of harness between ECM and front oxygen (A/F) sensor connector.

    Connector & terminal 

    (B135) No. 9 - (E22) No. 1: 

    (B135) No. 8 - (E22) No. 3: 

Is the resistance less than 1 Ω? Go to step 2.  Repair the harness and connector.
NOTE: In this case, repair the following item:
  • Open circuit in harness between ECM and front oxygen (A/F) sensor connector
  • Poor contact of coupling connector
2 CHECK POOR CONTACT. 
Check for poor contact of ECM and front oxygen (A/F) sensor connector.
Is there poor contact in ECM or front oxygen (A/F) sensor connector? Repair the poor contact in ECM or front oxygen (A/F) sensor connector. Replace the front oxygen (A/F) sensor. Refer to FRONT OXYGEN (A/F) SENSOR .