LEMON Manuals: Even more car manuals for everyone: 1960-2025
Home >> Subaru >> 2010 >> Outback F4-2.5L SOHC >> Repair and Diagnosis >> Powertrain Management >> Ignition System >> Testing and Inspection
April 5, 2026: LEMON Manuals is launched! Read the announcement.

Ignition System: Testing and Inspection

IGNITION CONTROL SYSTEM

CAUTION: After servicing or replacing faulty parts, perform Clear Memory Mode, Clear Memory Mode and Inspection Mode. Preparation For the Inspection Mode

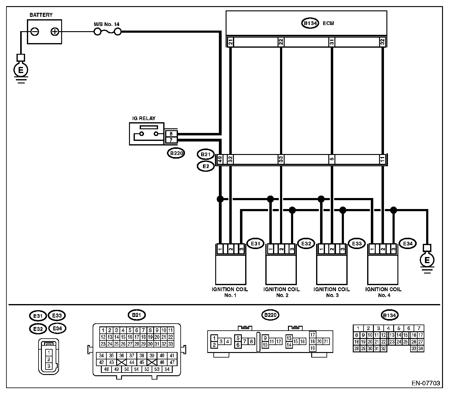
WIRING DIAGRAM:






Step 1:




Step 2-7: